Tuesday, December 15th, 2020 AT 6:41 PM
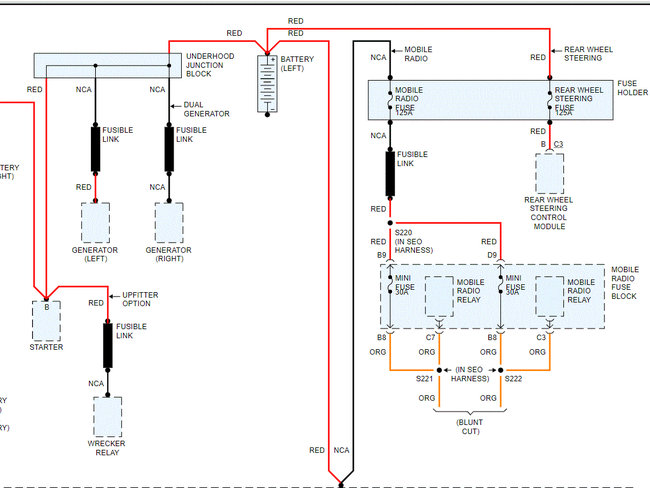
I'm trying to find out some info on my headlight switch before replacing the battery or digging into the starter or alternator. Five hours after using my truck I went to go to the store and turned the key then nothing. No clicking no dash lights some lights no anything. After checking around with fuses I realized the headlight switch was set in the parking light position and not in auto position as usual. Unless my girlfriend accidently put it in the parking light position it has always stayed in the auto position since I bought it. So, will the parking lights operate on this truck with the key in off position to cause a battery drain. I've checked all related fuses but I don't have a tester for relays.

