Headlights low and high beams not working?

2014 GMC ACADIA
114,000 MILES • V6 • 4WD • AUTOMATIC
Avatar
GCWILTSE
  • MEMBER
  • 2 POSTS
Daytime running lights work, fog lights work, rear lights work. No low or high beams, tried unhooking battery for 15 minutes and no luck.
Mar 24, 2023 at 9:18 PM
Repair Safety Notice: This information is for general instructional purposes only. Vehicle repair can be dangerous. Verify all information, follow manufacturer service procedures, use proper tools and safety equipment, and consult a qualified repair shop when needed.
Advertisement
Avatar
STRAILER
  • CAR REPAIR CONTRIBUTOR
  • 54,193 POSTS
This sounds like you have a headlight switch that has gone out or the BCM needs to be replaced, we should run a CAN scan which is easy, you can get a CAN scanner (Controller Area Network) from Amazon.

Here is a video to show you how:

https://youtu.be/u-4syLc-ifQ

and

https://www.2carpros.com/articles/can-scan-controller-area-network-easy

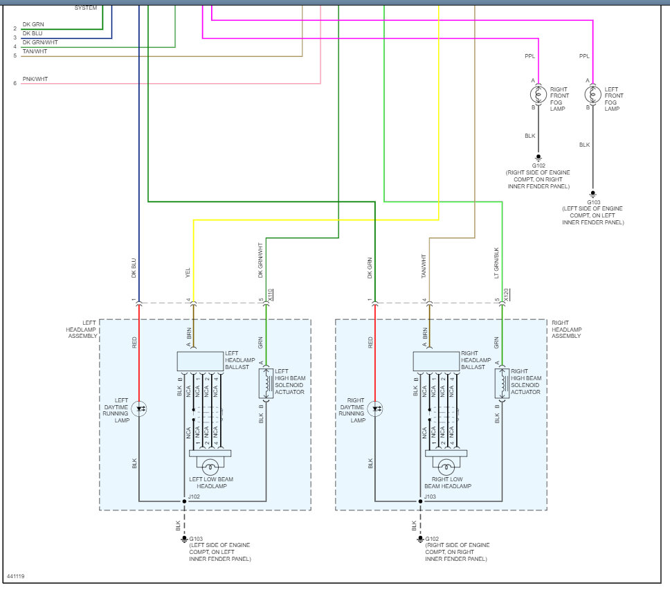
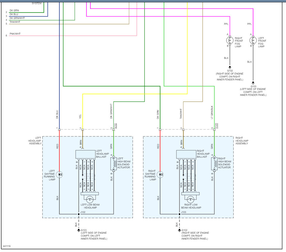
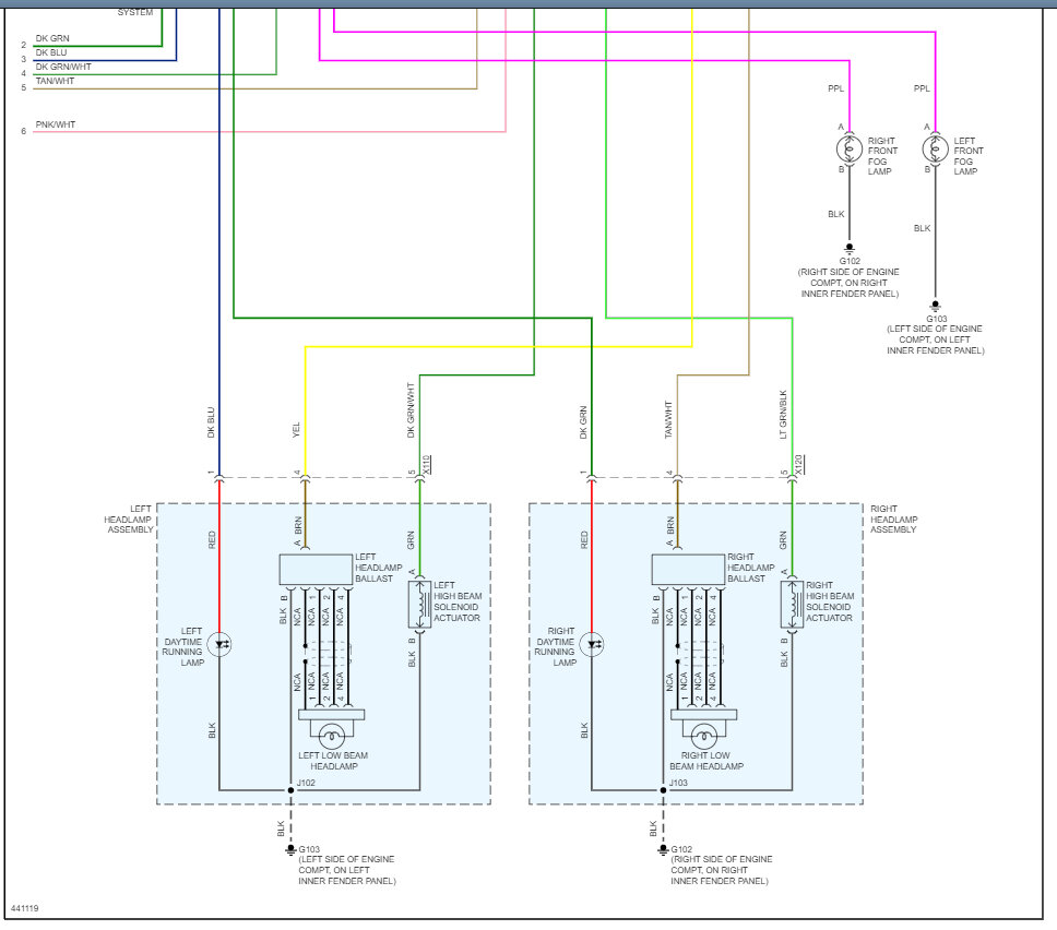
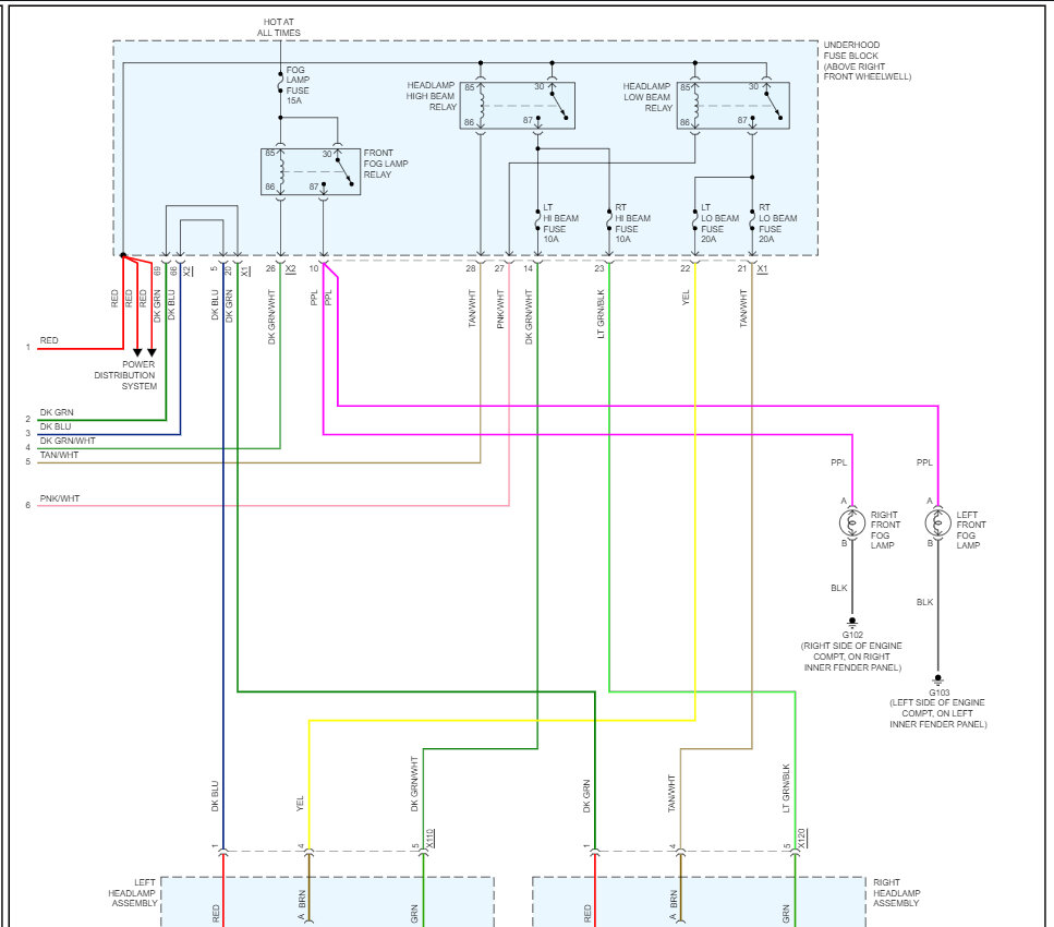
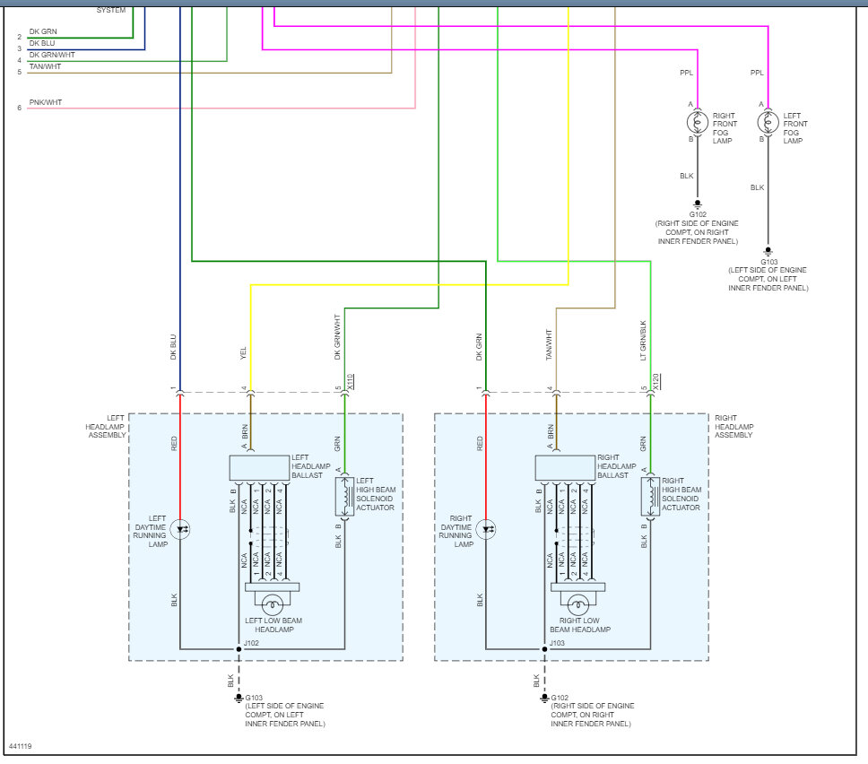
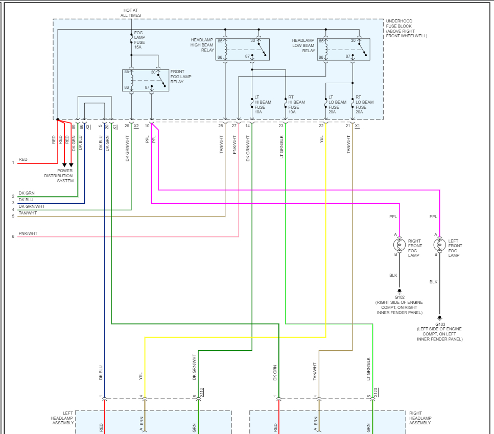
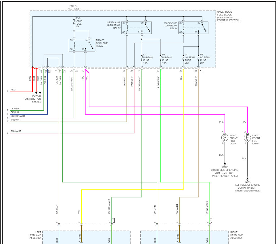
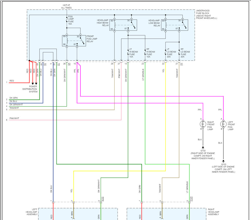
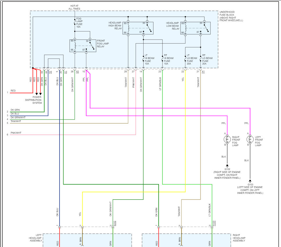
This will confirm the BCM failure. Also, I have included the headlight wiring diagrams so you can see how the system works and which wires to test to make sure the switch is still working.

This guide can help:

https://www.2carpros.com/articles/how-to-check-wiring

I have also included how to change the headlight switch out and the BCM in case you need them. You can get a preprogrammed BCM by searching Google or Ebay. Check out the images (below). Please let us know what you find. We are interested to see what it is.
Mar 26, 2023 at 11:35 AM
Advertisement