The daytime driving light not working, checked all fuses they are good?

Tiny
STEVEY2
  • MEMBER
  • 2002 CHEVROLET TAHOE
  • 5.8L
  • V8
  • 2WD
  • AUTOMATIC
  • 250,000 MILES
Daytime running light not coming on. I checked all fuses there all good. I don't know how to check relays if any?
Sunday, March 3rd, 2024 AT 10:45 AM

2 Replies

Tiny
KEN L
  • MASTER CERTIFIED MECHANIC
  • 55,499 POSTS
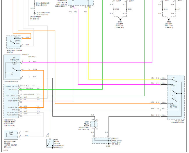
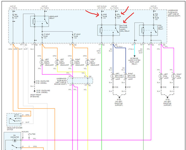
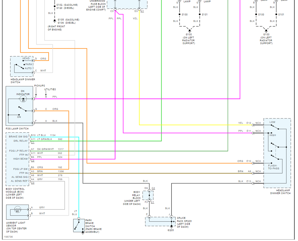
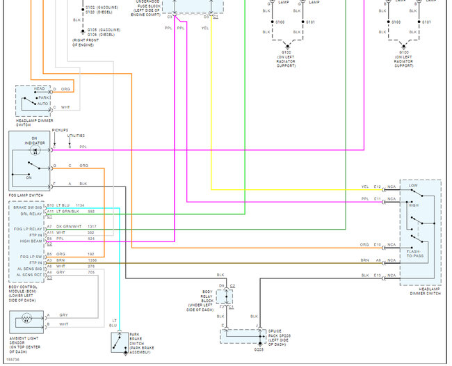
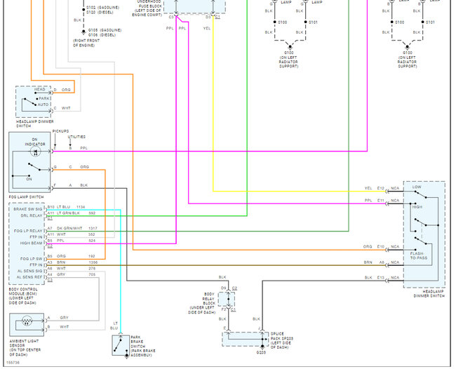
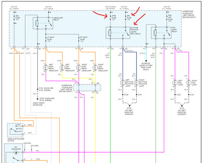
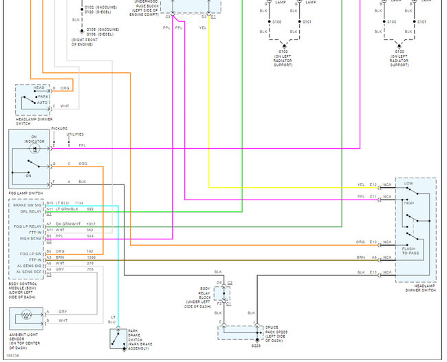
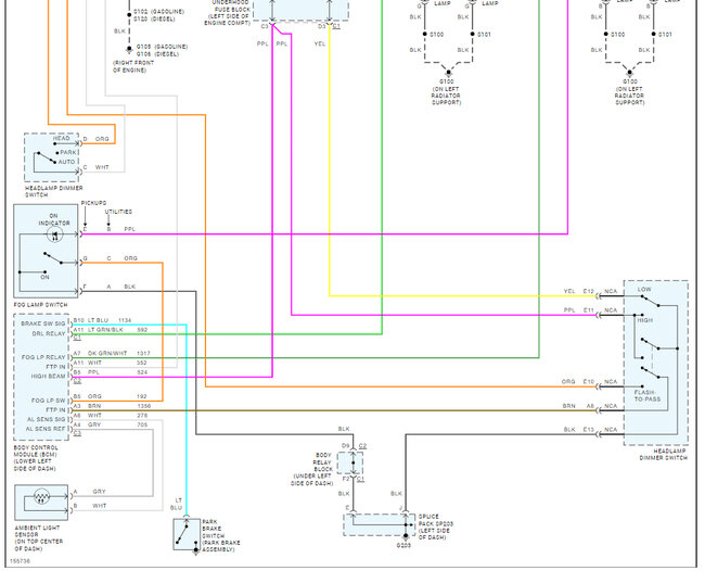
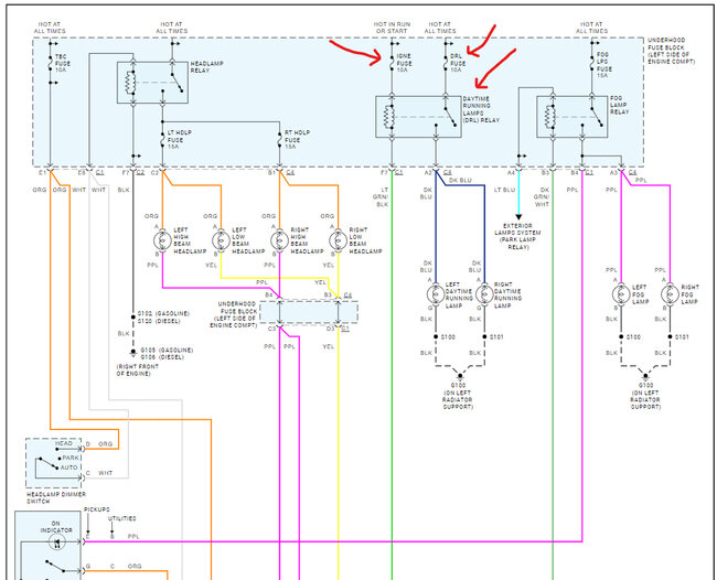
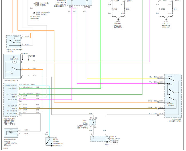
Sure, the DRL's are controlled by the BCM which signals the DRL relay to turn on the DRL circuit. Also, there are two fuses I need you to double check, IGNE and DRL in the fuse panel under the hood, here are two guides to help, if you don't want to test the relay you can just swap it out for a new one.

https://www.2carpros.com/articles/how-to-check-a-car-fuse

and

https://www.2carpros.com/articles/how-to-check-an-electrical-relay-and-wiring-control-circuit

Here are the fuse and relay locations and I have included the DRL wiring diagram as well so you can see how the system works.

Check out the images (below). Please upload pictures or videos in your response to the problem so we can see what's going on.
Was this
answer
helpful?
Yes
No
Monday, March 4th, 2024 AT 9:30 AM
Tiny
KEN L
  • MASTER CERTIFIED MECHANIC
  • 55,499 POSTS
Anything?
Was this
answer
helpful?
Yes
No
Saturday, May 11th, 2024 AT 11:53 AM

Please login or register to post a reply.