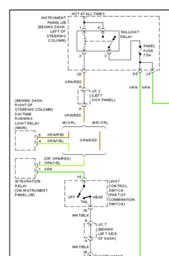
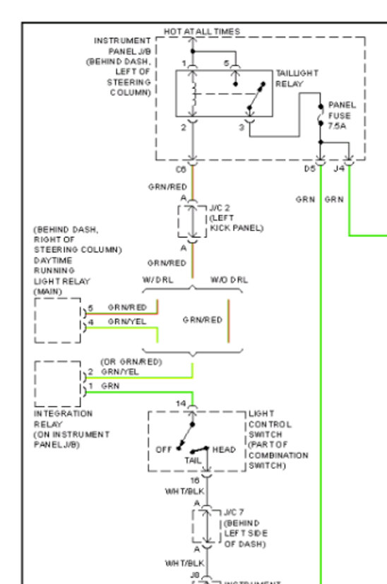
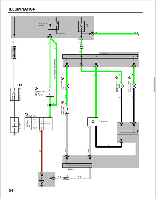
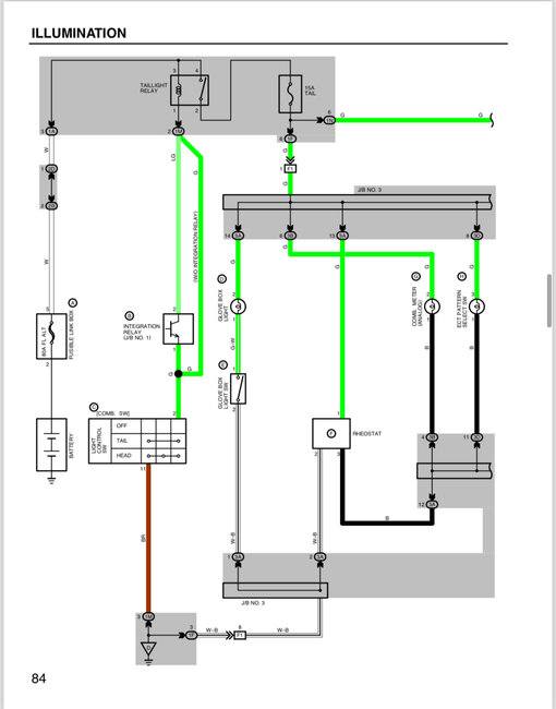
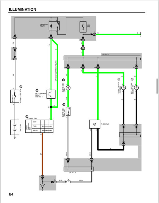
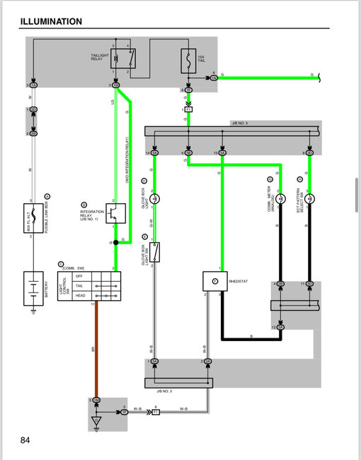
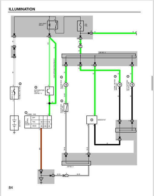
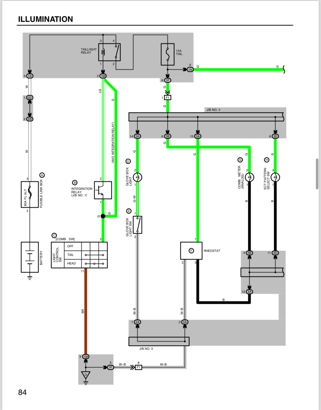
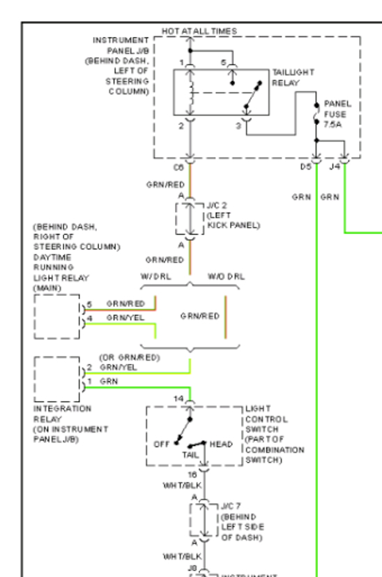
When you turn the headlights on, the lights on the instruments in your car should get dimmer (clock, ac, gauges). However, after installing an aftermarket stereo, when turning headlights on the dim lights behind the gauges (speedometer, fuel, etc.) Do not turn on, and the rheostat does not work at all.
It couldn’t be the wiring from the stereo (at least I believe) because all illumination lights to the instruments are run parallel to each other, so the fact that the radio is disconnected shouldn’t affect anything else.
I blew two different fuses during the installation of the radio, due to an unfortunate mistake. It was the 20A Dome, in the engine fuse box, and the 15A tail, in the left side kick panel.
I am wondering if I damaged some other electrical components, but I have no idea which ones. All fuses are fine.
Sunday, February 4th, 2024 AT 5:33 PM






