Dashboard backlight not working

Tiny
MTHETHWA MTHETHWA
  • MEMBER
  • 2005 FORD BANTAM
  • 1.6L
  • 2WD
  • MANUAL
  • 300,000 MILES
Bought it second hand like that.
Friday, March 25th, 2022 AT 6:22 PM

1 Reply

Tiny
KASEKENNY
  • MECHANIC
  • 18,907 POSTS
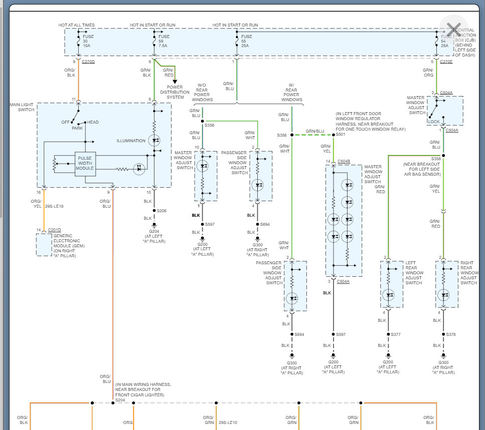
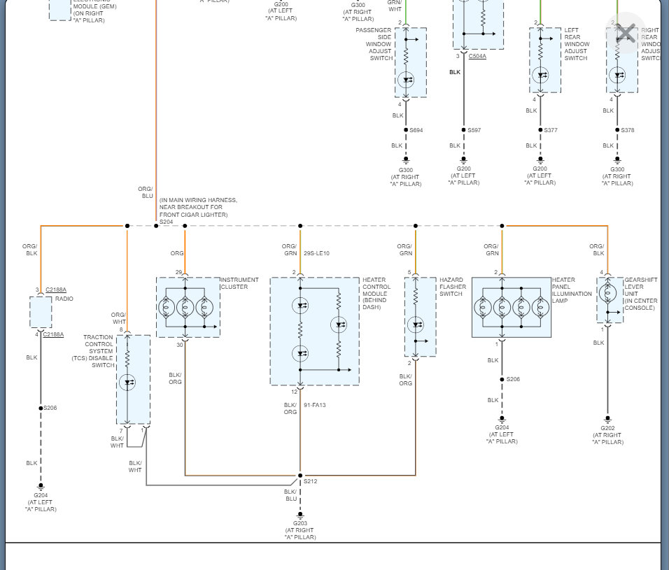
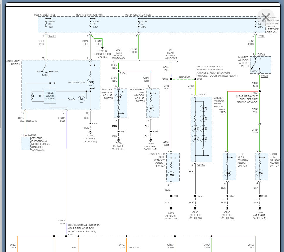
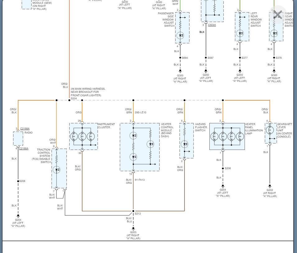
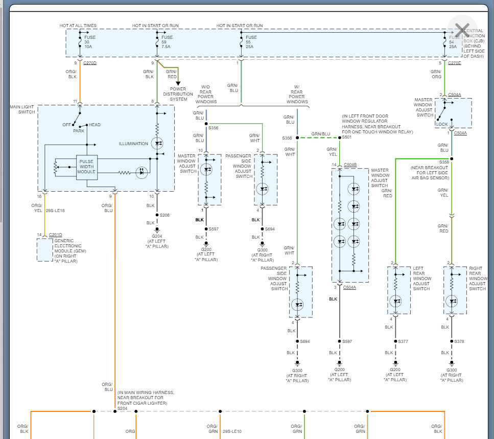
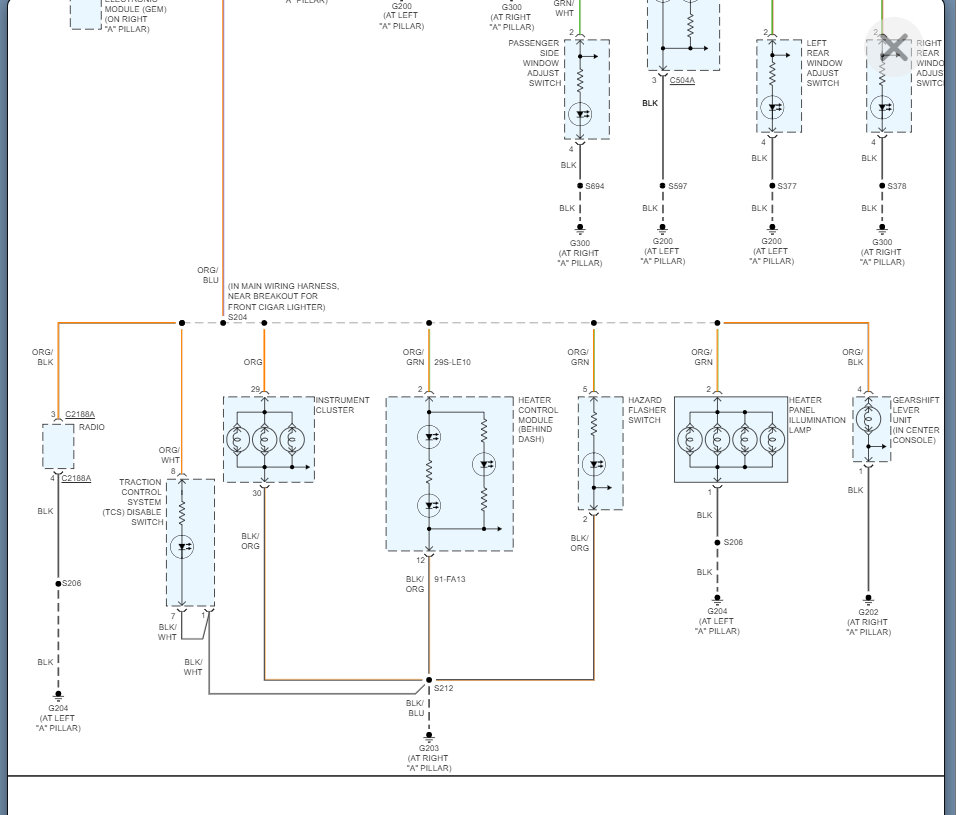
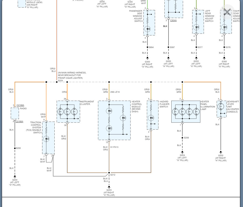
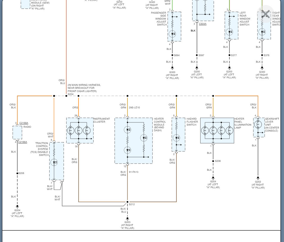
More than likely this is a bulb issue, but we need to start with checking voltage going to the cluster and find out if you have voltage.

https://www.2carpros.com/articles/how-to-check-wiring

This is a shared circuit with other bulbs so if these are the only bulbs not working then it is likely the bulbs.

I am attaching info from the manual of a Focus which is basically the same vehicle. We don't have a Bantam in the USA, but this is going to be almost identical.

Please run through this info and let me know what you find.

Thanks
Was this
answer
helpful?
Yes
No
Saturday, March 26th, 2022 AT 10:24 AM

Please login or register to post a reply.

Related Dashboard Content