Dash lights, turn signals and hazards not working properly

Tiny
MBARTLEY
  • MEMBER
  • 2006 PONTIAC TORRENT
  • 3.5L
  • V6
  • 2WD
  • AUTOMATIC
  • 214,000 MILES
Replaced the heater core on my vehicle listed above, had a wiring harness to the dash cluster get pinched during reassembly. Wires have all been repaired but the back lights on the gauges don't work, the needles on the gauges do light up. Turn signals do nothing, hazards illuminate the flasher indicators but don't flash.
Tuesday, April 13th, 2021 AT 11:27 AM

1 Reply

Tiny
JACOBANDNICKOLAS
  • MECHANIC
  • 110,194 POSTS
Hi,

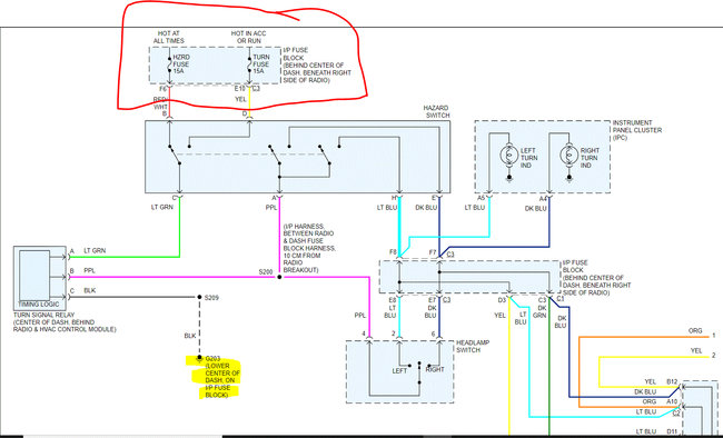
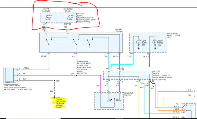
First, there are two fuses involved. One is the signal and the other is the hazard. I have a feeling the signal may be blown. Also, there is a ground under the dash, at the center, which will affect all the things you mentioned. I need you to check that as well

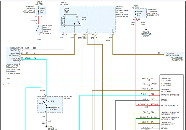
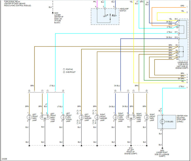
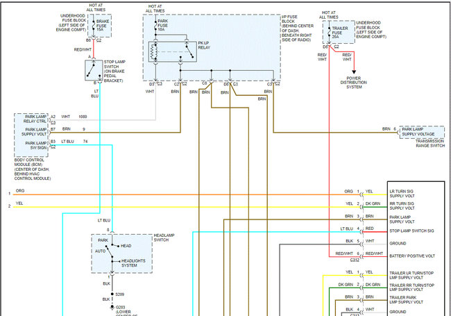
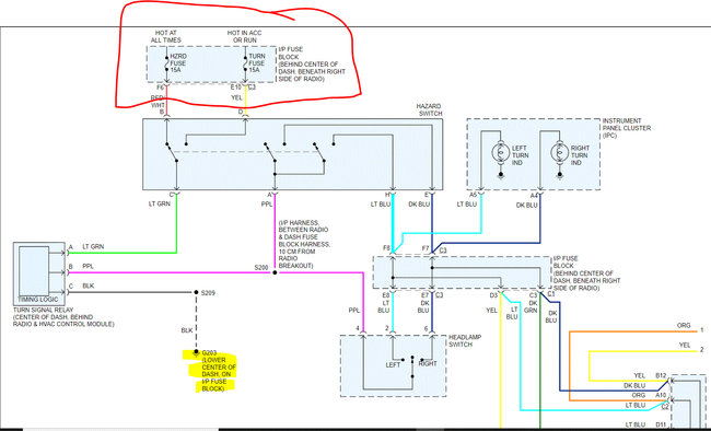
If you look at the attached pics below, they include the entire wiring schematic for the exterior lighting. In pic 1, I circled the fuses and highlighted the ground I need to be tested.

When testing the fuses, conform there is power to and from them. Here is a link you may find helpful:

https://www.2carpros.com/articles/how-to-check-a-car-fuse

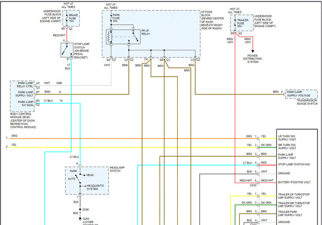
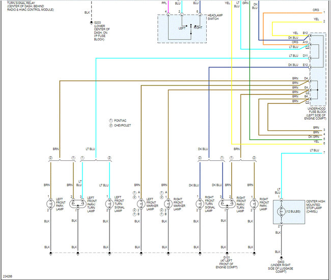
Also, pic 5 shows the locations of the fuses.

If the fuses are good, confirm the black wire under the dash to ground is properly fixed and tight.

Here is a link you may find helpful:

https://www.2carpros.com/articles/how-to-check-wiring

Let me know what you find or if you have other questions.

Take care,

Joe

See pics below.
Was this
answer
helpful?
Yes
No
Tuesday, April 13th, 2021 AT 8:19 PM

Please login or register to post a reply.