Dash lights not coming on

Tiny
WHITNEY ROYSTER
  • MEMBER
  • 16 POSTS
Another update. Just tested the battery and alternator and they are both good. The radio does not stay on when the car is off (which would be indicative of being hot wired, right?)
Was this
answer
helpful?
Yes
No
Tuesday, November 28th, 2017 AT 5:12 PM
Tiny
WHITNEY ROYSTER
  • MEMBER
  • 16 POSTS
One more update for now. I decided to drop it off at the shop after testing the battery and alternator. On the way there I decided to fiddle with the radio. I ejected a cd and then I noticed that while the radio was off the face lights kept cutting on and off. So, I'm really thinking its the radio now, but alas I dropped it at the shop and will ask them about my theory in the morning. Is it possible that the wires that the radio is connected to in the car itself are bad? Is that something that is easily checked and can the auto shop do it or will the radio shop have to check and fix those? I'm just wondering how extensive this might get. Bc the original radio was shorting out and the auto shop suggested a new radio. Could it be coincidence that this new radio is bad, or more likely that it is the car wires to the radio and not the radio wires?
Was this
answer
helpful?
Yes
No
Tuesday, November 28th, 2017 AT 6:30 PM
Tiny
KEN L
  • MASTER CERTIFIED MECHANIC
  • 55,538 POSTS
This sounds more like you are close with the door locks if the switch is having a problem and forcing the door locks open or closed it will cause the battery to drain. To me it still sounds like a battery issue can you do a simple load test to confirm the failure?

https://www.2carpros.com/articles/car-battery-load-test

Please let us know what happens.

Cheers, Ken
Was this
answer
helpful?
Yes
No
Wednesday, November 29th, 2017 AT 10:42 AM
Tiny
STEVE W.
  • MECHANIC
  • 15,706 POSTS
I would suspect the wiring to the radio has a fault as well. There are multiple areas where the harness could rub and develop a short.
Was this
answer
helpful?
Yes
No
Wednesday, November 29th, 2017 AT 6:38 PM
Tiny
WHITNEY ROYSTER
  • MEMBER
  • 16 POSTS
The shop discovered there was a bad battery cell, so they replaced it and are letting it sit for 24hrs before trying to start it. I should know in a couple hours. They don't think it's the radio, but I'm going to keep an eye on that and take it back to the radio shop if need be. Thanks guys!
Was this
answer
helpful?
Yes
No
Thursday, November 30th, 2017 AT 12:12 PM
Tiny
STEVE W.
  • MECHANIC
  • 15,706 POSTS
Well a low battery can cause issues. I doubt it's the radio as well, more like the wiring or the connector that is the problem.
Was this
answer
helpful?
Yes
No
Thursday, November 30th, 2017 AT 6:30 PM
Tiny
BSLACK22
  • MEMBER
  • 1 POST
  • 2004 HONDA CRV
  • 162,962 MILES
At first had the problem of my brake lights not working when I turned my headlights on. Then my dash light stopped working, but when I noticed that my brake lights were working again when I turned the headlights on. But last night when I turned my headlights on dash light still not working, but all my tail lights were not but still had brake lights. This has been very confusing and stressful.
Was this
answer
helpful?
Yes
No
Monday, August 3rd, 2020 AT 3:15 PM (Merged)
Tiny
HMAC300
  • MECHANIC
  • 48,601 POSTS
Check battery to body ground it may be corroded and not connecting. Also, check taillight grounds. Ground for taillight is behind right quarter panel. See picture for battery ground.
Was this
answer
helpful?
Yes
No
Monday, August 3rd, 2020 AT 3:15 PM (Merged)
Tiny
WHITNEY ROYSTER
  • MEMBER
  • 16 POSTS
I'm having a similar problem. If there is corrosion, how do you fix it?
Was this
answer
helpful?
Yes
No
Monday, August 3rd, 2020 AT 3:15 PM (Merged)
Tiny
KEN L
  • MASTER CERTIFIED MECHANIC
  • 55,538 POSTS
This sounds like a bad headlight switch. Here is a guide and some diagrams (Below) to help confirm and then repair the problem.

There are two relays that can cause the problem as well.

https://www.2carpros.com/articles/how-to-use-a-test-light-circuit-tester

test through the switch

and

https://www.2carpros.com/articles/how-to-check-an-electrical-relay-and-wiring-control-circuit

Please let us know what you find.

Cheers, Ken
Was this
answer
helpful?
Yes
No
Monday, August 3rd, 2020 AT 3:15 PM (Merged)
Tiny
KYLE MENDES
  • MEMBER
  • 19 POSTS
  • 2003 HONDA CRV
  • 164,000 MILES
I was changing climate control bulbs with LED's and while turning in one of the bulbs using a square drive (dumb idea) I shorted the circuit somewhere. Since then the climate lights, dash cluster lights, and radio lights all don't work when the headlights are switched on. The back lighting's there if the lights are off. I checked all internal fuses under the dash, nothing looks fried on the back of the cluster itself, and the one interior light fuse under the hood in that fuse box was fine also. My front blinkers work. I'm about to check my rear ones now since reading this post.

https://www.2carpros.com/questions/dash-lights-not-coming-on

Taillights are fine, so that rules out relay 13 right?
Was this
answer
helpful?
Yes
No
Monday, August 3rd, 2020 AT 3:15 PM (Merged)
Tiny
KASEKENNY
  • MECHANIC
  • 18,907 POSTS
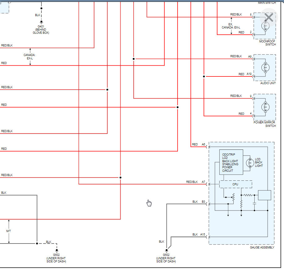
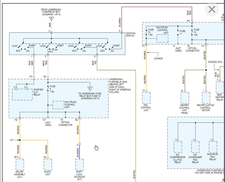
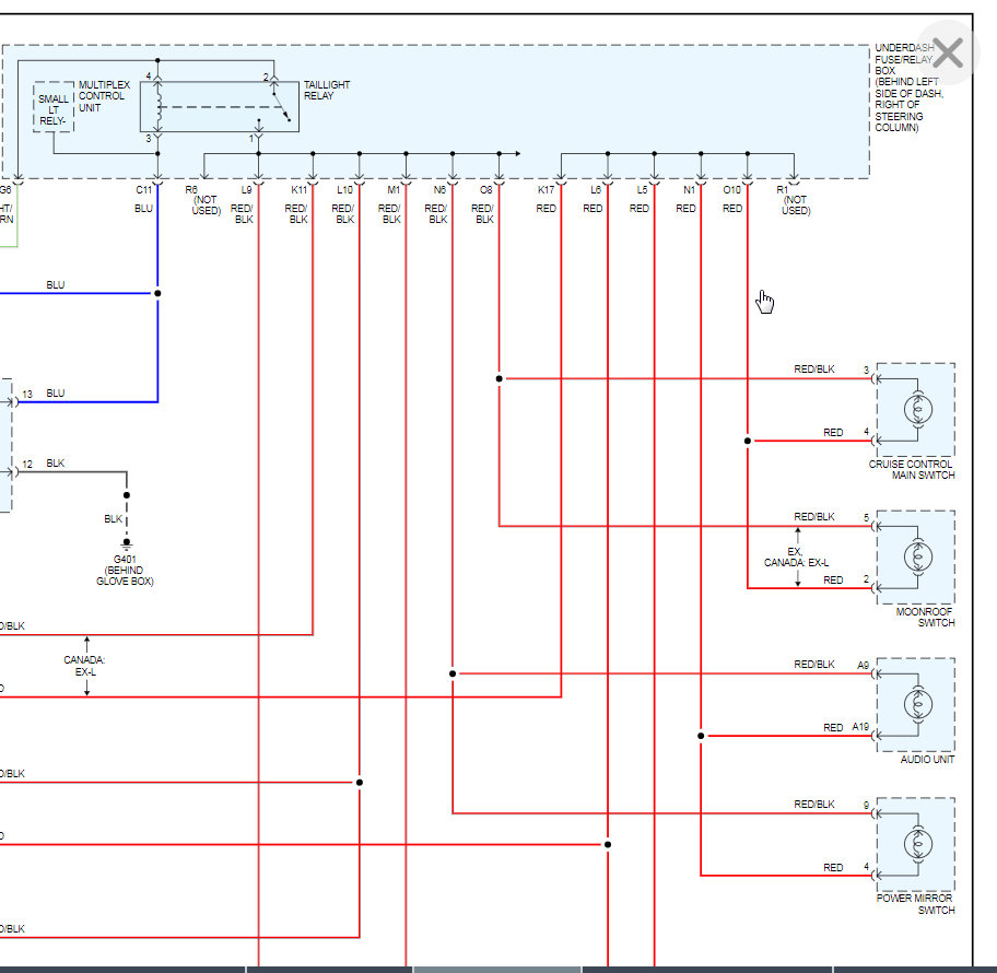
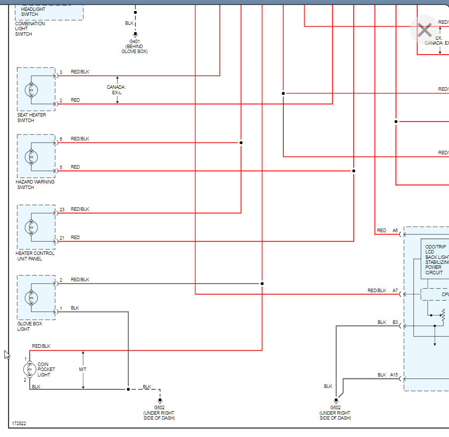
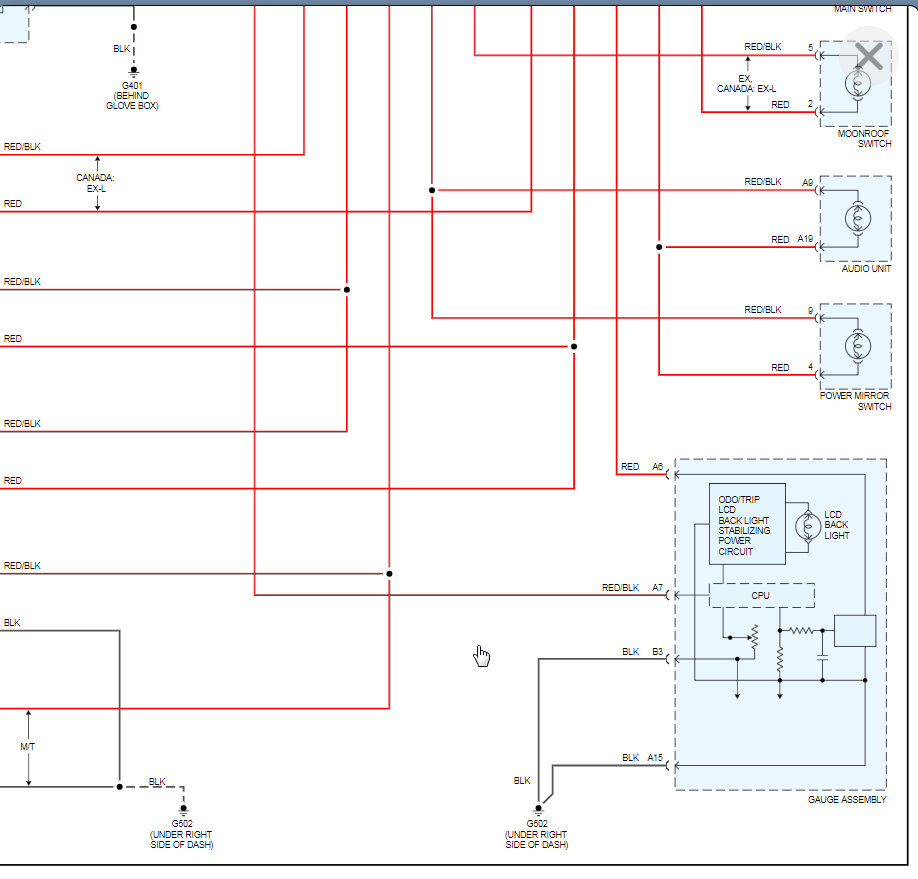
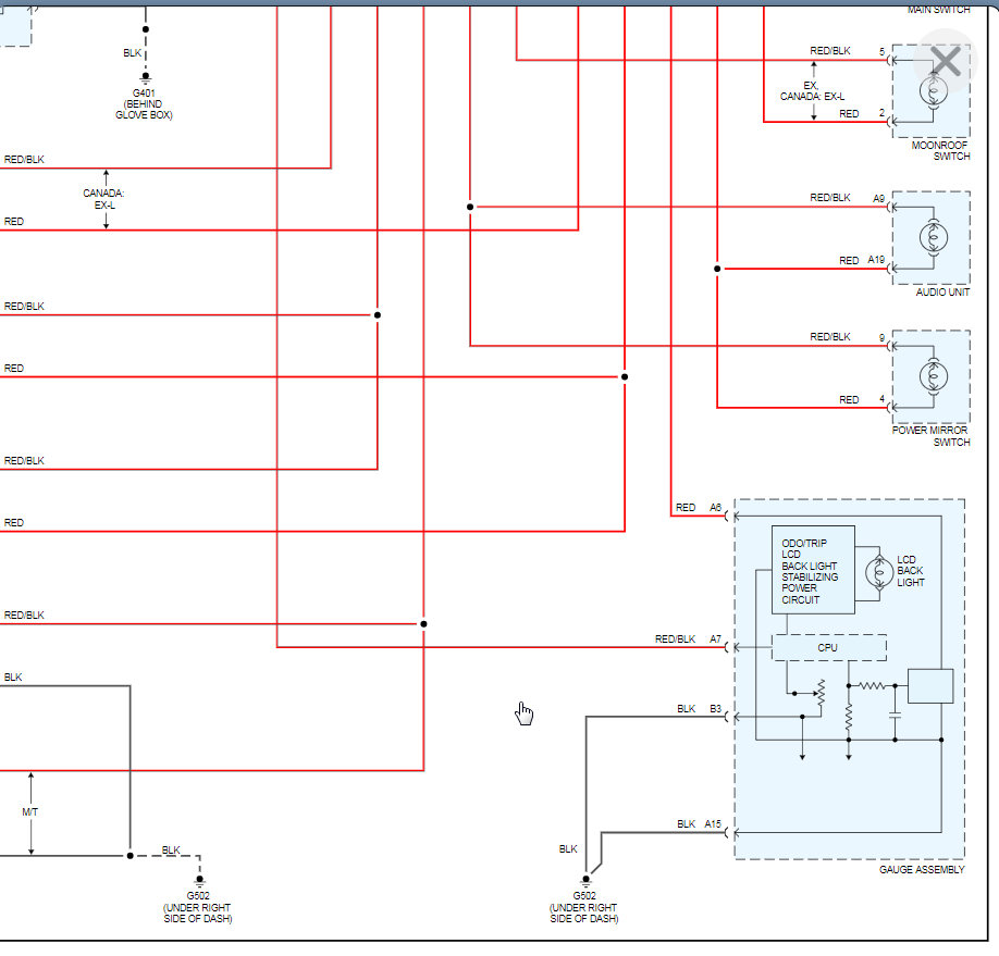
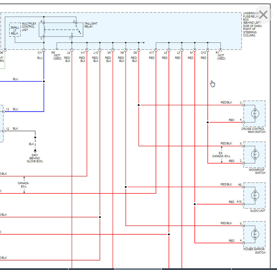
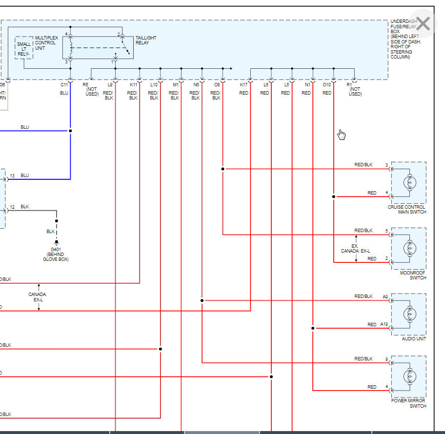
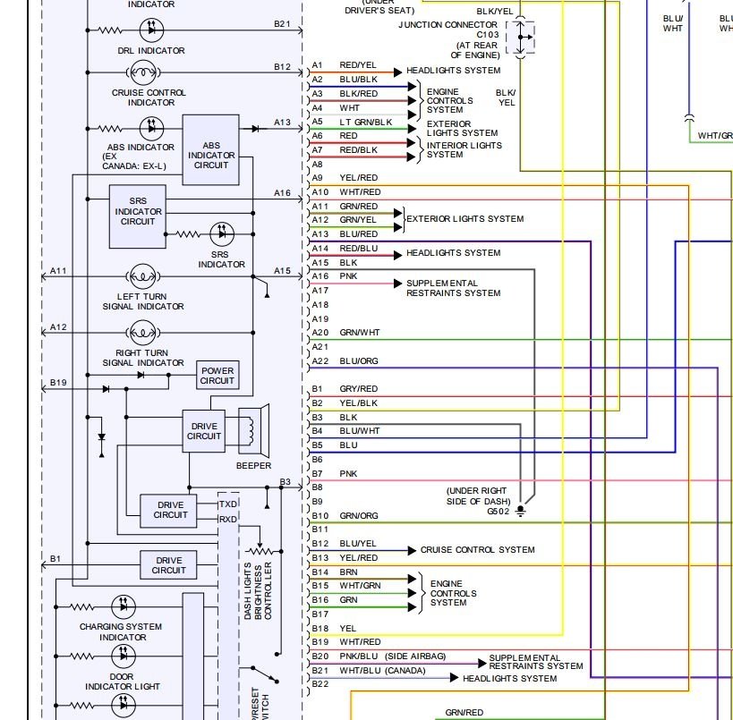
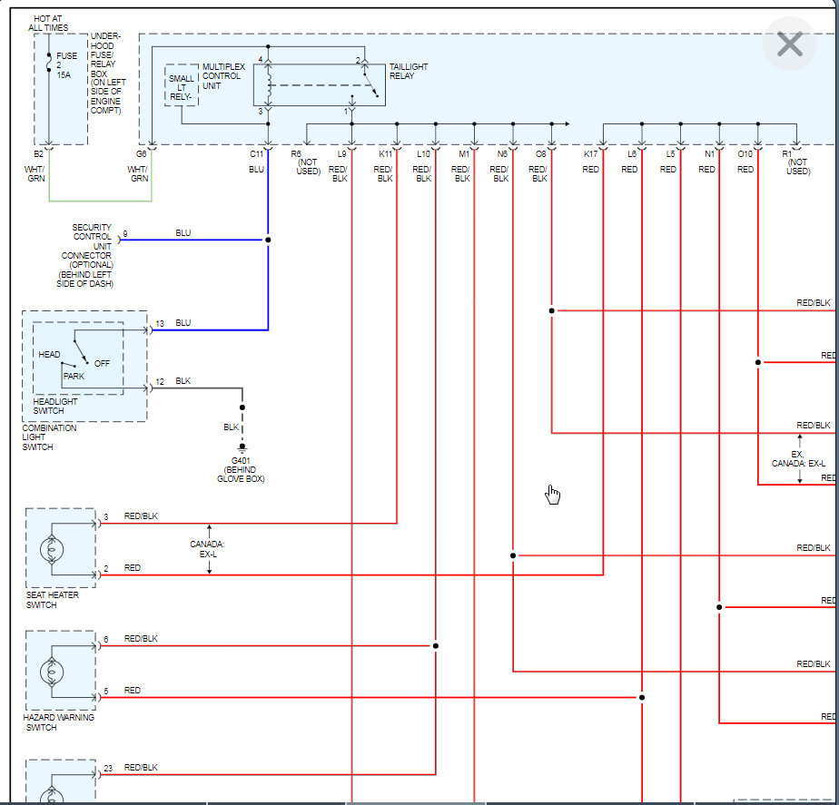
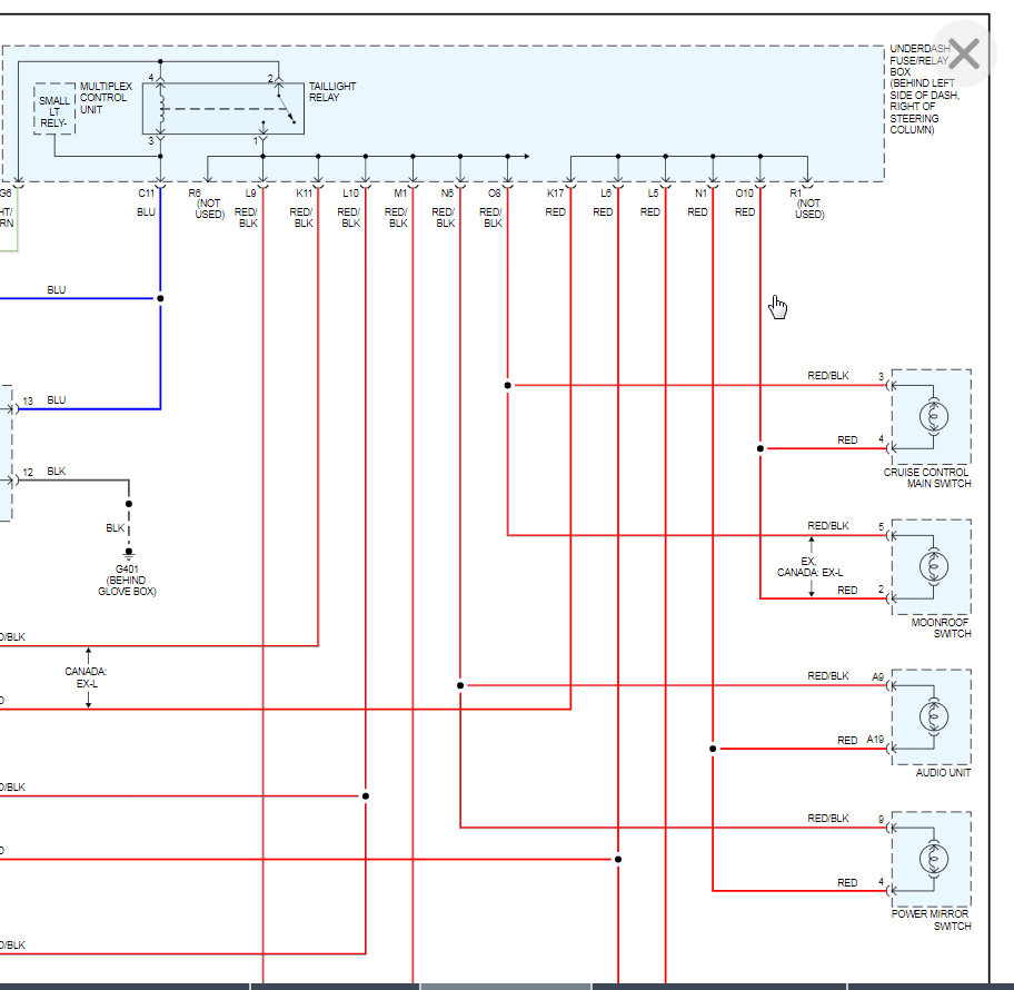
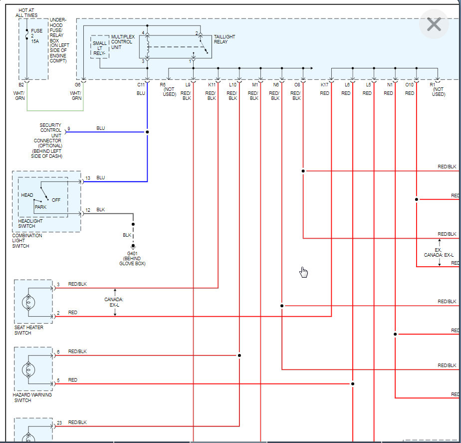
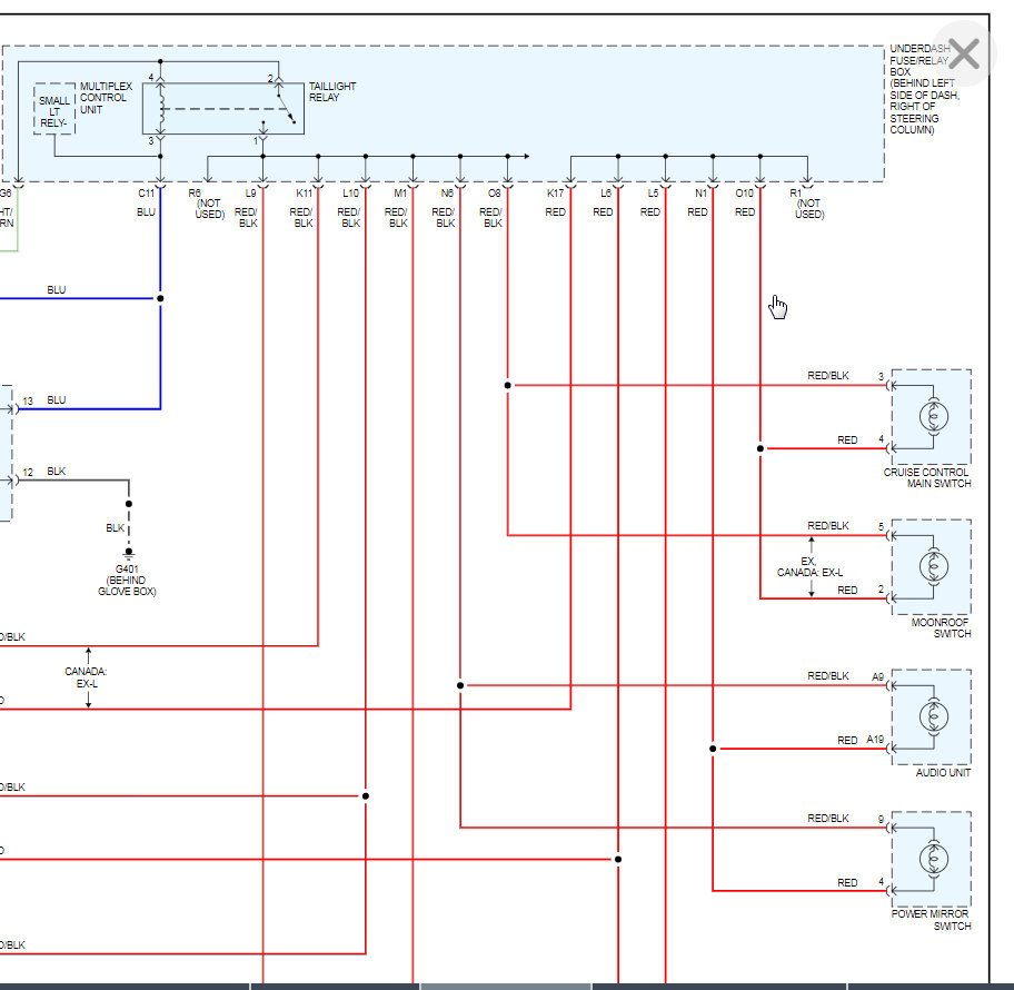
Your issue is most likely with the underdash relay box. If you follow the power wire back for each of the components you listed they are all feed by the underdash box.

Here are the wiring diagrams. Let me know if you have questions but I think you are on the right path because I think you shorted them out.
Was this
answer
helpful?
Yes
No
Monday, August 3rd, 2020 AT 3:15 PM (Merged)
Tiny
KYLE MENDES
  • MEMBER
  • 19 POSTS
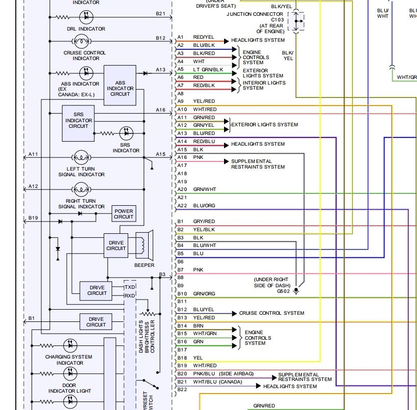
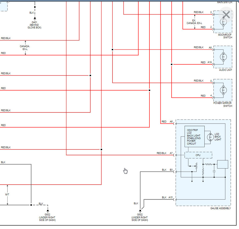
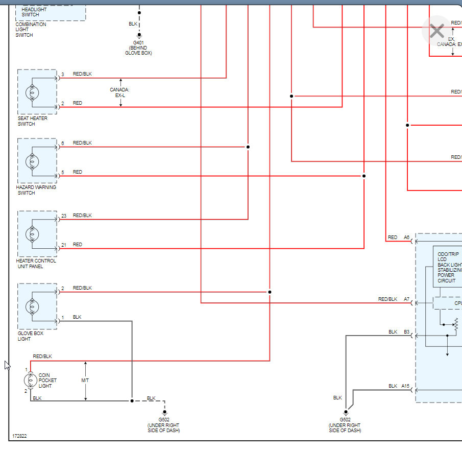
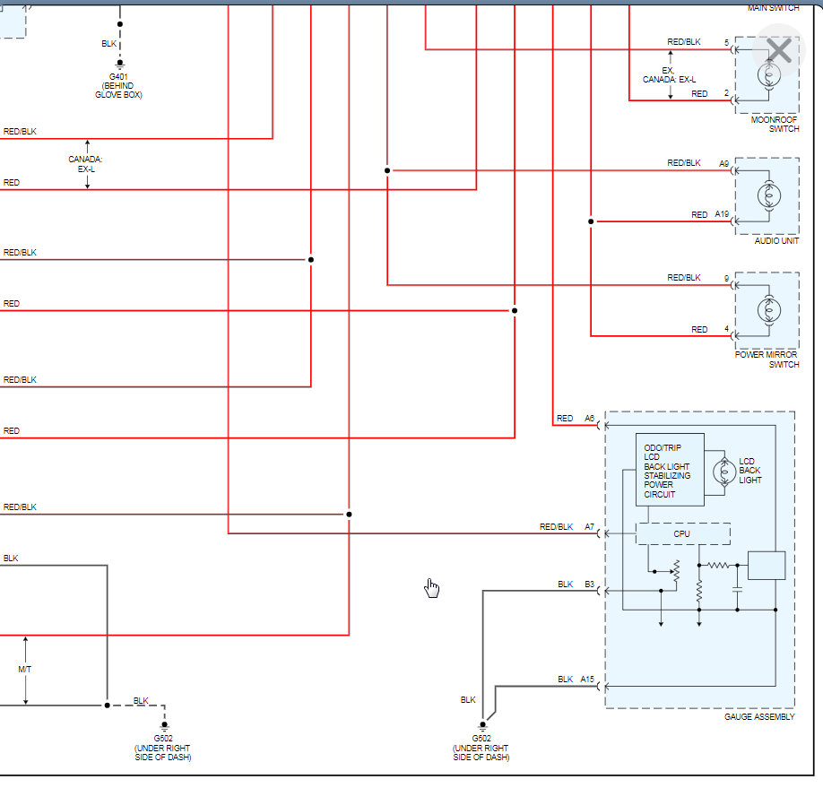
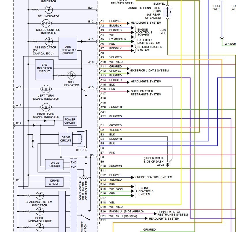
So by reading that diagram, as well as the fuse charts I've seen, I'm assuming the Headlight switch relay (since everything stops working once the switch is clicked on). I'm not clearly seeing which one that is. Also I'll note than when switching from parking lights to full headlights the "D" and "OD Off" lights flicker quickly.

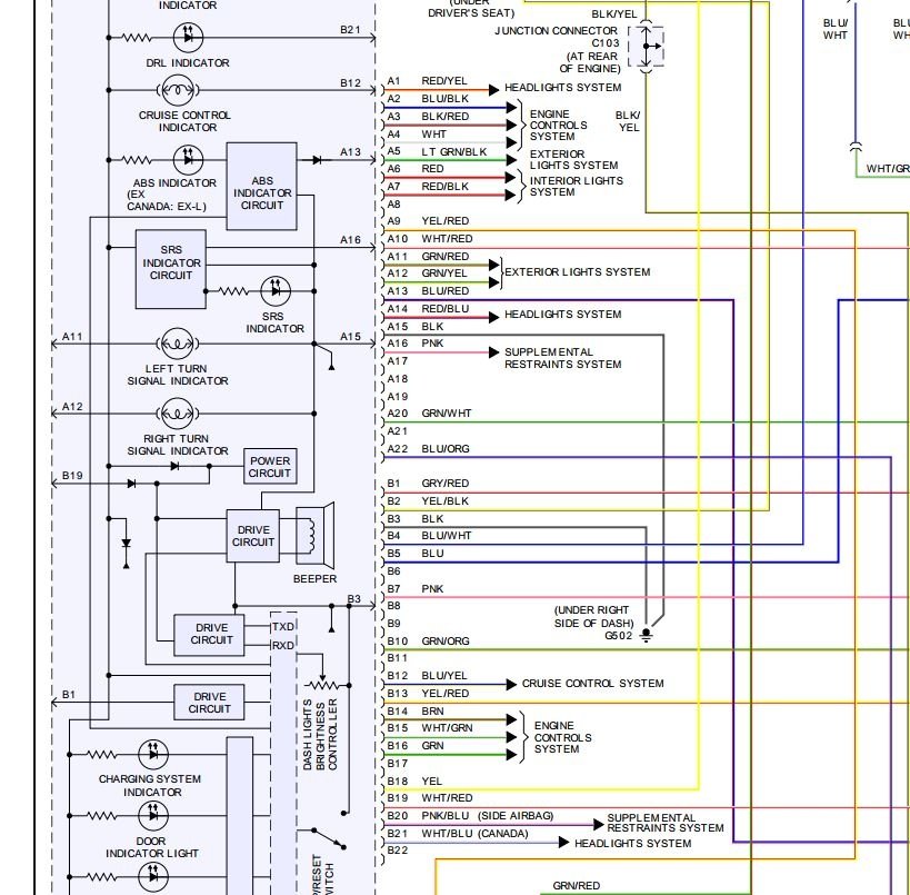
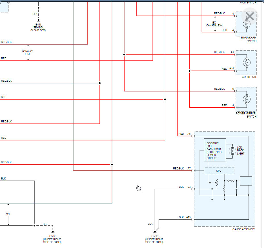
As you can see in the chart, numerous things contribute to "gauge assembly". Is there a better way to rule this out? I know how to check fuses but relays are different. You have to connect them and feel for the switching right? Or is there a way to "jump" the terminals to then see if the panel works without the relay?
Was this
answer
helpful?
Yes
No
Monday, August 3rd, 2020 AT 3:15 PM (Merged)
Tiny
KASEKENNY
  • MECHANIC
  • 18,907 POSTS
Here is a guide on how to test a relay:

https://www.2carpros.com/articles/how-to-check-an-electrical-relay-and-wiring-control-circuit

When you are dealing with something like this, it is like a lightening strike and the only way to get through it is to test each component individually.
Was this
answer
helpful?
Yes
No
Monday, August 3rd, 2020 AT 3:15 PM (Merged)
Tiny
KYLE MENDES
  • MEMBER
  • 19 POSTS
Okay, so I tested the relays with a simpler method I found (two terminals to the power source and the other two via resistance meter). The relays 13 and 14 (taillight relay and starter cut) were fine. 11 and 12 are turn signal and power windows, none of which were affected so I didn't bother with that.
Under hood fuses all check out.
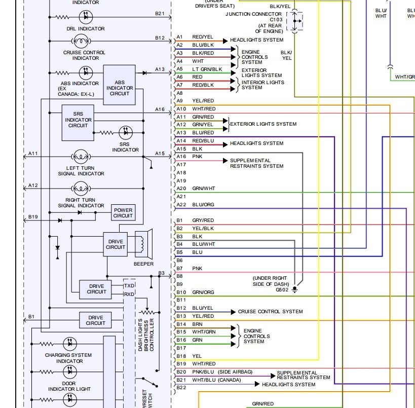
Under dash fuses were all over the place. Unless I'm not understanding this, I used the circuit tester and 1, 4, 6, 8, 9, 10, 12, 13, 14, 17, 18, 19, 20, 23, 24 were all unlit. Only a handful lit up the light. This makes no sense to me since a lot of those fuses power things like the ignition coil, radio power, key-less receiver unit, power windows, etc. And those all work! What the heck am I missing? The wiring diagram you listed has the headlight switch connecting to the main circuit which feeds down into things like the heater controls and such. But there's no relay on the board for that. Where is this relay? Or is that actually the headlight switch knob? And If so, how the heck do I test that?

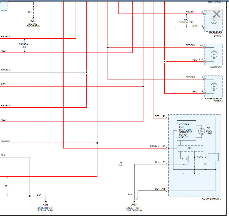
Looking at this wiring diagram I got elsewhere, also for 03 CRV, shows a link between B3 and A15 (which I think it s typo and should be A3 and B 15, because both show G502 which looking at both wiring harnesses, is ground. But if the ground is simply a screw somewhere, how can it be a bad ground from a light bulb shorting?
Was this
answer
helpful?
Yes
No
Monday, August 3rd, 2020 AT 3:15 PM (Merged)
Tiny
KASEKENNY
  • MECHANIC
  • 18,907 POSTS
What position was the of the key when you were testing these fuses? It appears all of them are downstream of the ignition switch. Which normally means the key has to be on for these to have power.
Was this
answer
helpful?
Yes
No
Monday, August 3rd, 2020 AT 3:15 PM (Merged)
Tiny
APMAN
  • MEMBER
  • 1 POST
  • 2004 HONDA CRV
2004 Honda CRV

how do you change dash lights on a 2004 honda crv
Was this
answer
helpful?
Yes
No
Monday, August 3rd, 2020 AT 3:15 PM (Merged)
Tiny
HONDA TECH 1818
  • MECHANIC
  • 536 POSTS
1. Remove the driver's dashboard lower cover, then remove the instrument panel.

2. Place a clean shop towel under the gauge assembly to prevent scratching the steering column or dashboard.

3. Remove the three mounting screws from the gauge assembly.

4. Disconnect the connectors, and remove the gauge assembly and found the bulbs that needs to be replace.

5. Install the gauge assembly in the reverse order of removal.
Was this
answer
helpful?
Yes
No
+1
Monday, August 3rd, 2020 AT 3:15 PM (Merged)
Tiny
KYLE MENDES
  • MEMBER
  • 19 POSTS
Oh well, I feel like silly. I did this with the key off.
But still, the relays passed my resistance tests. And the fuses themselves I checked with a resistance meter (still plugged in with car off) and they all passed, indicating to me that the fuses weren't blown. Unless I'm not understanding fuse testing properly. But you're saying I should do the light tests with these fuses with the car on?
Was this
answer
helpful?
Yes
No
Monday, August 3rd, 2020 AT 3:15 PM (Merged)
Tiny
SLOOPJOHNB1
  • MEMBER
  • 1 POST
All good answers. FWIW, the bulbs alone can be replaced; you don't need to buy the $10 bulb holder and bulb at the Honda stealer. The parts fiche shows the bulb and bulb holder separate, but Honda only sells the assembly.

P/n 2721 at www. Interlight. Biz works. You get 10 bulbs for about.90 each if you order 20 (two little cases).
This is also the bulb used on Audi CHMSL that use incandescent 1.4W bulbs.

The #77 bulb at autozone or advance auto parts won't work. Diameter too large for the honda bulb holder.

I just did this bulb replacement on a 2004 CRV.
Was this
answer
helpful?
Yes
No
+8
Monday, August 3rd, 2020 AT 3:15 PM (Merged)

Please login or register to post a reply.