Tuesday, April 9th, 2019 AT 6:51 AM
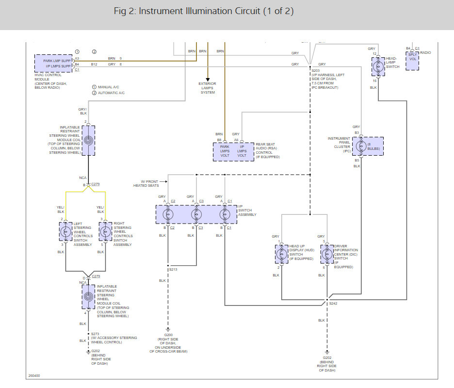
Removed the instrament cluster and wiring and connectors okay. Switch seems to not operate correctly when trying to dim or brighten the dash. How should this switch work?













