Dash lights and headlights not working

Tiny
HUNTER JOHNS
  • MEMBER
  • 2002 HONDA ACCORD
  • 3.0L
  • V6
  • 4WD
  • AUTOMATIC
  • 180,000 MILES
Dash lights and tail lights don’t work. Every fuse is good. All other lights work including headlights, break lights, blinkers. Reverse lights. So I have no idea.
Thursday, January 14th, 2021 AT 7:00 PM

6 Replies

Tiny
HUNTER JOHNS
  • MEMBER
  • 9 POSTS
It’s 2wd not 4wd, my bad.
Was this
answer
helpful?
Yes
No
Thursday, January 14th, 2021 AT 7:16 PM
Tiny
JACOBANDNICKOLAS
  • MECHANIC
  • 110,194 POSTS
Hi,

First, check the fuses and confirm there is power to and from them. Do this first and let me know what you find.

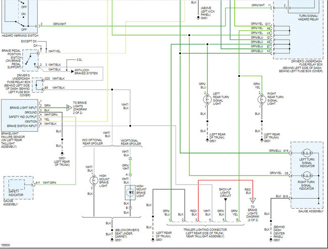
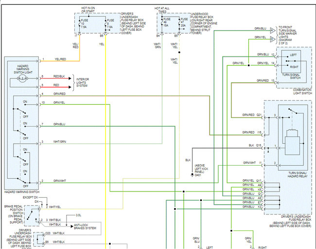
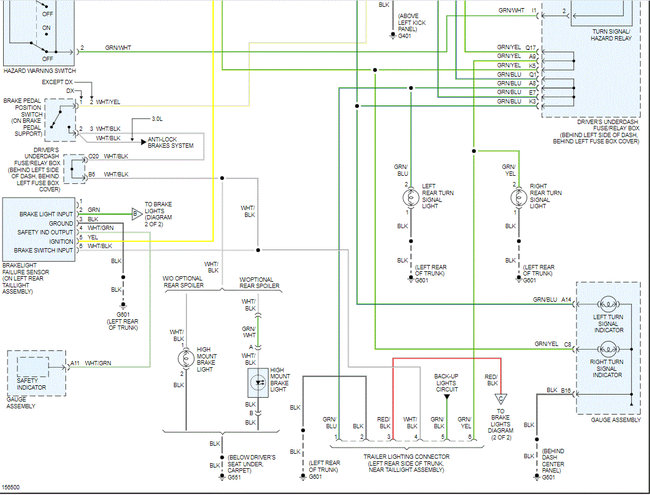
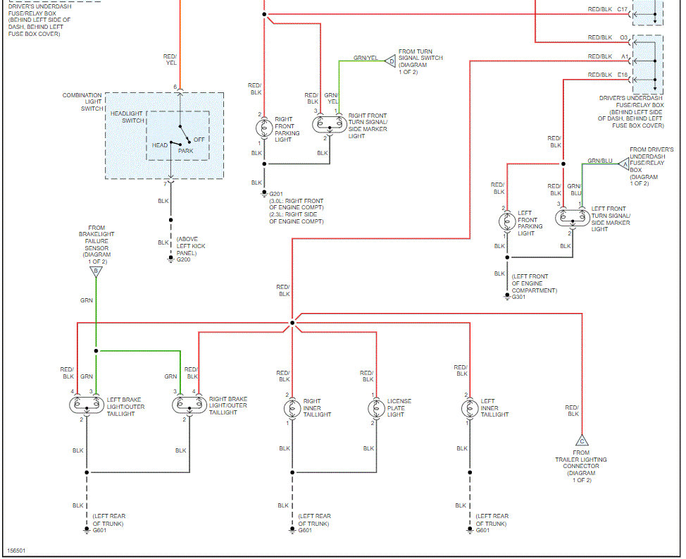
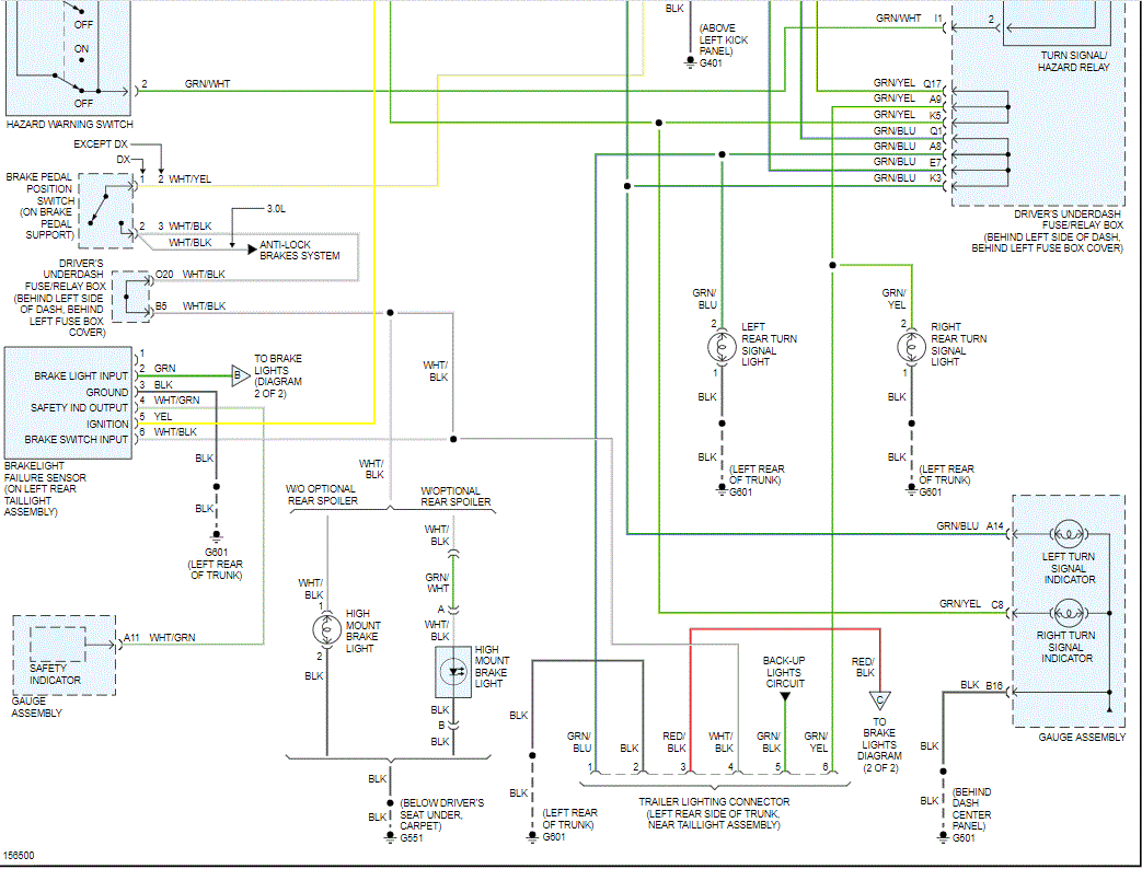
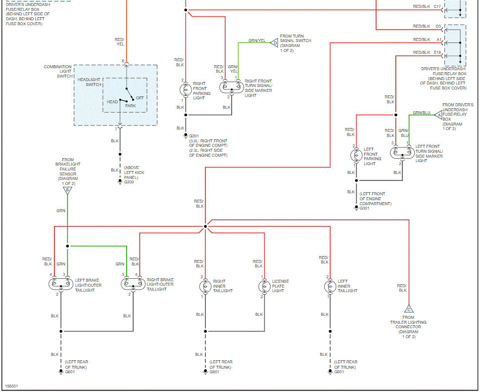
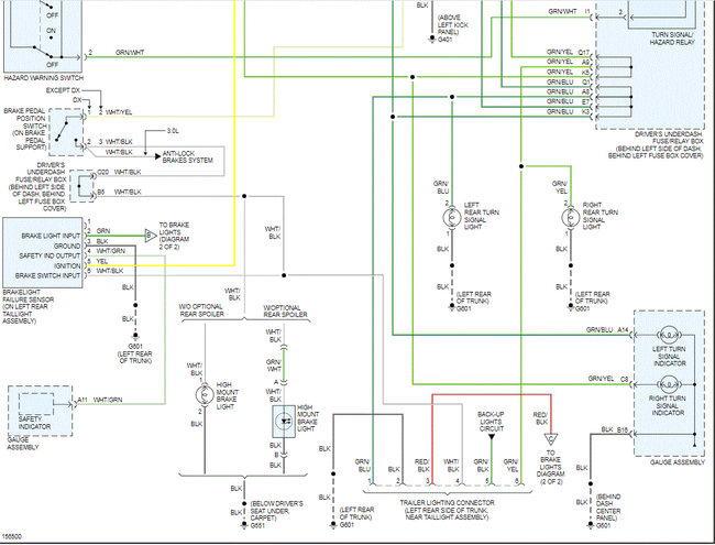
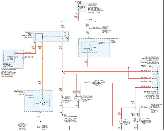
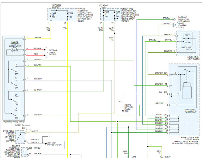
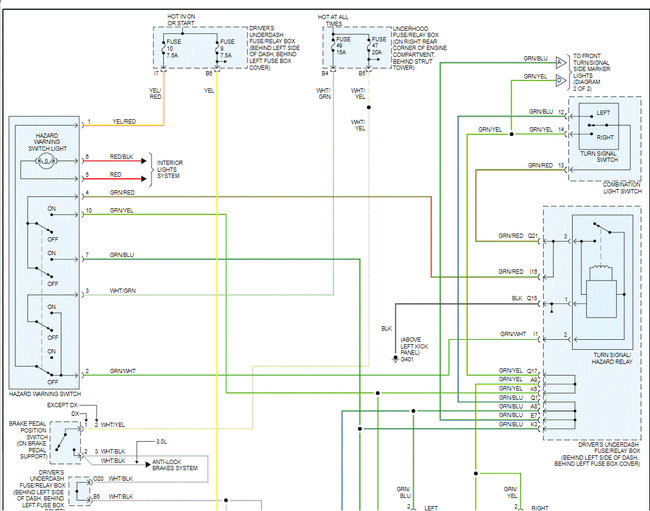
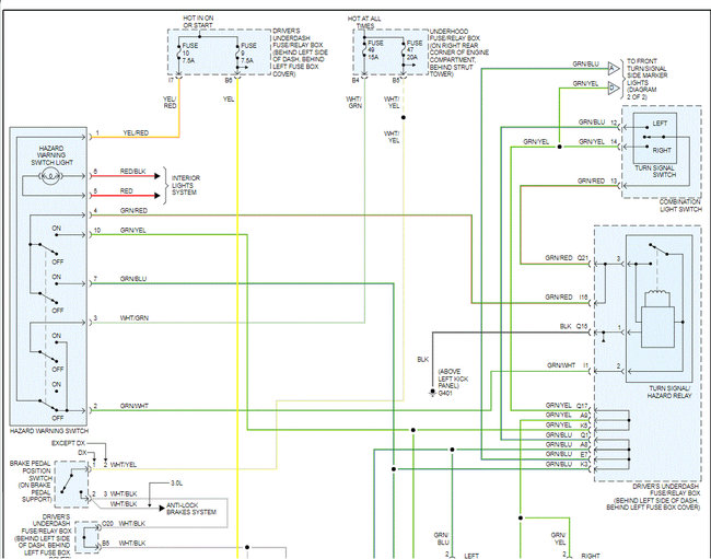
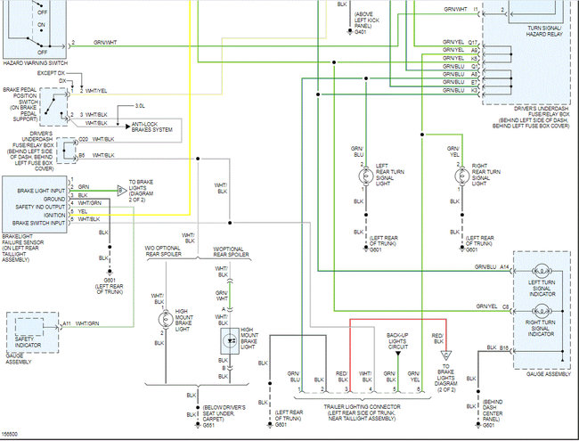
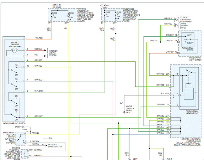
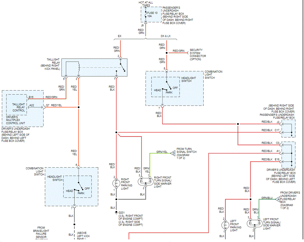
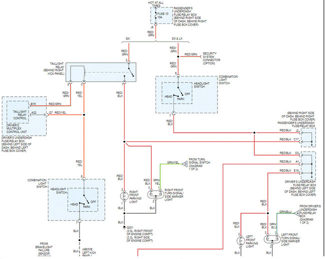
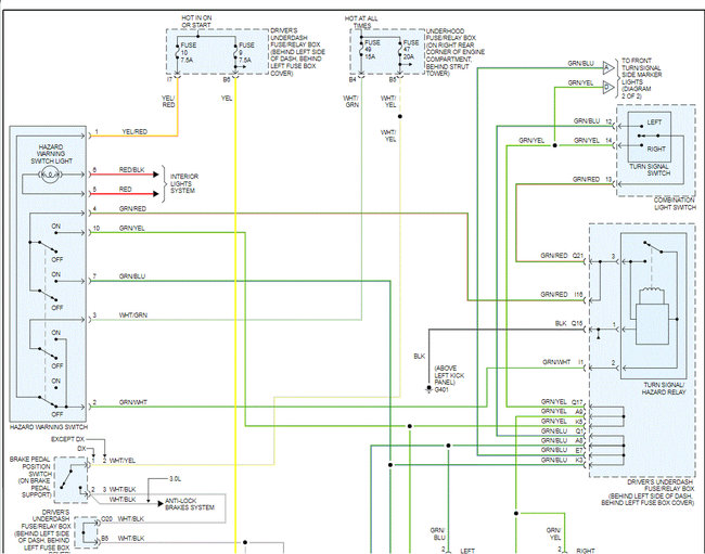
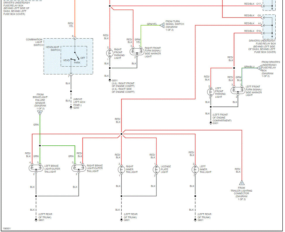
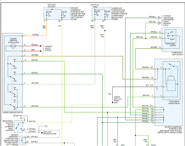
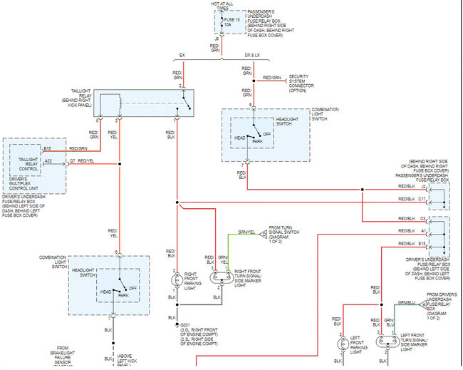
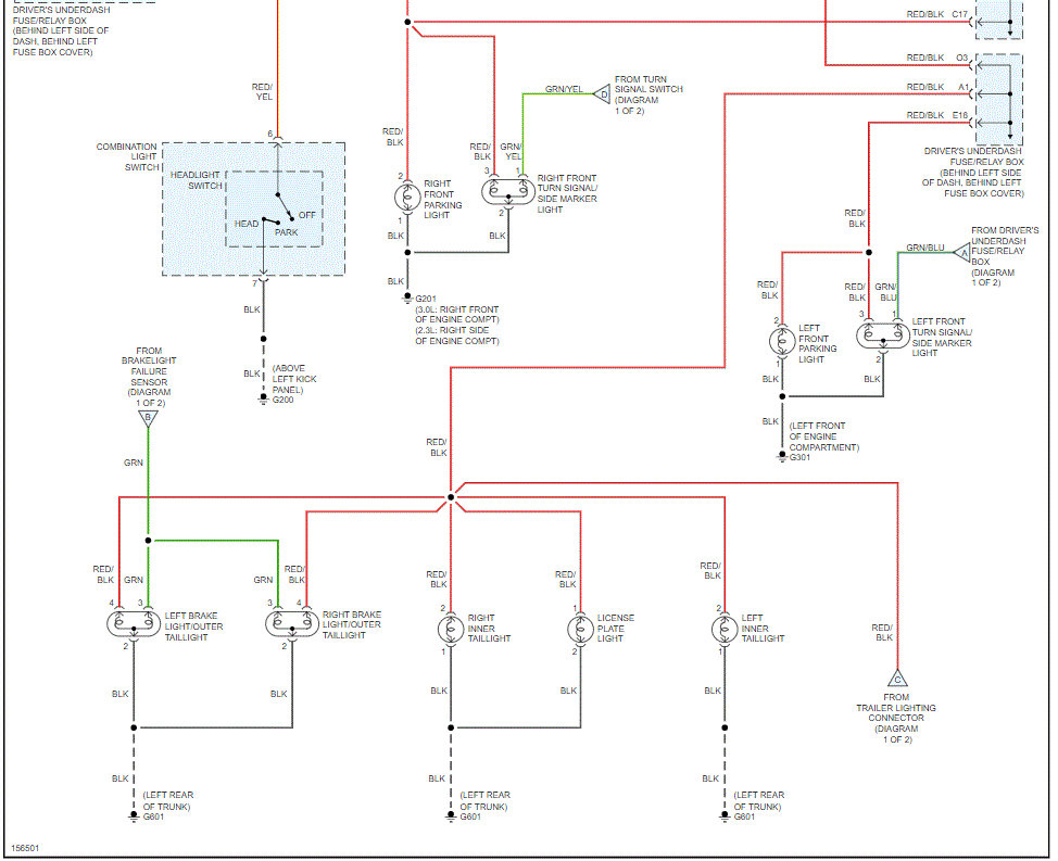
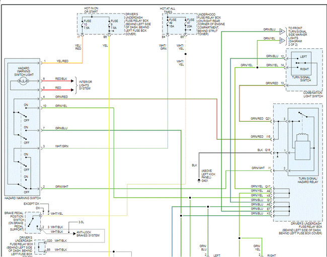
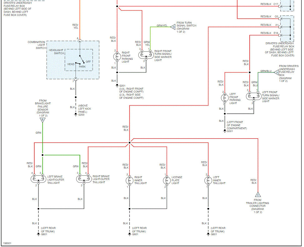
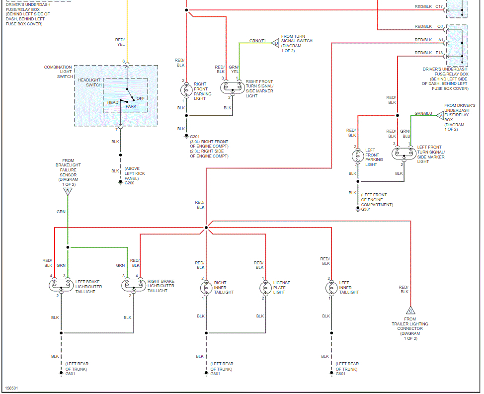
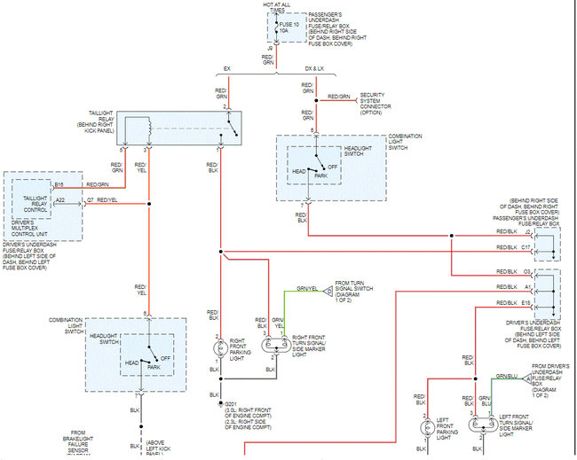
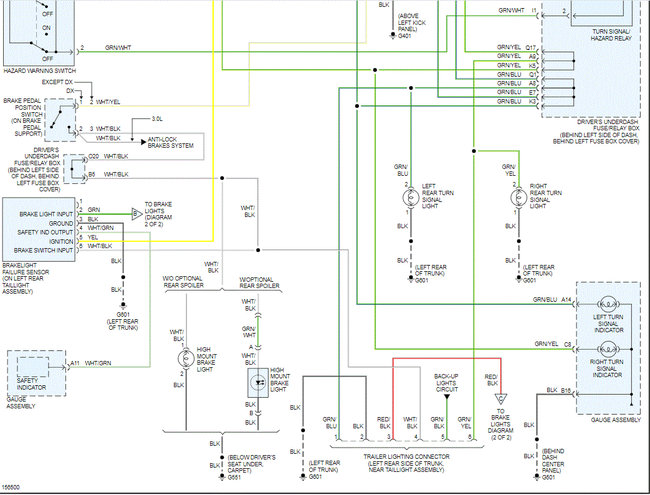
I attached some pics to help. First, pic 1 shows fuses to check. The remaining pics are the wiring schematic.

Here is a link you may find helpful:

https://www.2carpros.com/articles/how-to-check-a-car-fuse

In addition to simply checking the fuse, confirm there is power available.

Let me know what you find or if you have other questions, let me know.

If you have other questions, let me know if this is a sedan or coupe model.

Joe
Was this
answer
helpful?
Yes
No
Friday, January 15th, 2021 AT 5:49 AM
Tiny
HUNTER JOHNS
  • MEMBER
  • 9 POSTS
It’s a sedan.
Was this
answer
helpful?
Yes
No
Friday, January 15th, 2021 AT 6:07 AM
Tiny
JACOBANDNICKOLAS
  • MECHANIC
  • 110,194 POSTS
Okay, I had the correct schematics.

If you look below, I highlighted the fuses I need you to start with. In addition to confirming the fuse is good, check for power both to and from them.

The fuse box in pic 3 is the one under the dash on the driver's side. Pics 1 and 2 are under the hood.

For some reason, my manual isn't identifying each fuse in the box. See if there is something under the fuse box lid or your owner's manual.

Again, make sure power is present at the fuse and it is flowing out the opposite side. Here is a link you may find helpful:

https://www.2carpros.com/articles/how-to-check-a-car-fuse

Take care and let me know the results.

Joe

Was this
answer
helpful?
Yes
No
Friday, January 15th, 2021 AT 11:19 AM
Tiny
HUNTER JOHNS
  • MEMBER
  • 9 POSTS
It was the tail light relay it's under the passenger side dash.
Was this
answer
helpful?
Yes
No
Friday, February 26th, 2021 AT 8:48 AM
Tiny
JACOBANDNICKOLAS
  • MECHANIC
  • 110,194 POSTS
Hi,

I'm glad to hear you found it. Please feel free to come back anytime in the future if you have questions. You're always welcome here.

Take care and good job.

Joe
Was this
answer
helpful?
Yes
No
Friday, February 26th, 2021 AT 7:19 PM

Please login or register to post a reply.