Dash lights not working

Tiny
DAVID C COBIA
  • MEMBER
  • 1994 FORD ESCORT
  • 1.9L
  • 4 CYL
  • 2WD
  • MANUAL
  • 149,000 MILES
Dash lights not working or lamp light. Head light, taillights, brake lights are working fine. Check fuses okay, dimmer switch moving back and forth still no dash lights.
Tuesday, December 14th, 2021 AT 5:56 AM

1 Reply

Tiny
JACOBANDNICKOLAS
  • MECHANIC
  • 110,192 POSTS
Hi,

By chance, are there any other electrical components not working? I ask because the two components you mentioned have different power sources. When you checked the fuses (two of them), did you confirm there is power to them? If you haven't, check that first. Here is a link that you may find helpful:

https://www.2carpros.com/articles/how-to-check-a-car-fuse

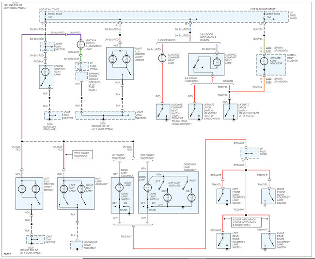
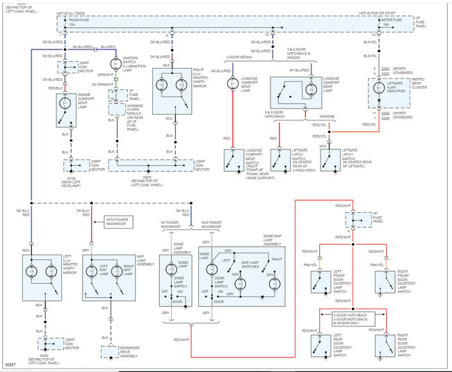
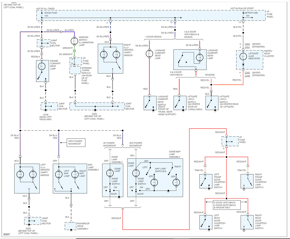
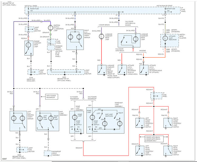
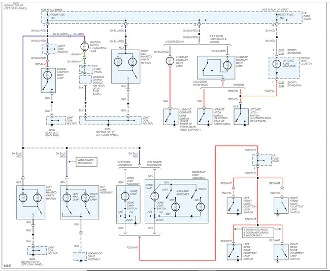
If you look at the pics below, they are the wiring schematics for both items. I also included
the fuses involved. The only thing I am seeing in common is a ground. Ground 200 (G200) is at the top of the left kick panel and will be black in color. I also noted a joint connecter involved.

Locate the black wire and check to make sure it is clean, tight, and free of damage. If that checks good, then we need to check for continuity to ground via the black wire at the headlamp switch.

Do this and let me know what is found or if you have other questions.

Take care,

Joe

See pics below.
Was this
answer
helpful?
Yes
No
Tuesday, December 14th, 2021 AT 6:13 PM

Please login or register to post a reply.