Dashboard light fuse keeps blowing

Tiny
SGHUSKER
  • MEMBER
  • 1992 FORD ESCORT
  • 180,000 MILES
The dashboard lights/tail lights fuse keeps blowing. What is the best way to find where the short circuit could be? I do not have a circuit diagram or a parts manual. How do I get started?
Thursday, March 21st, 2013 AT 6:44 AM

5 Replies

Tiny
CARADIODOC
  • MECHANIC
  • 34,468 POSTS
It sounds like you have a problem with the tail lights shorting out which is probably a bulb or socket issue.
Here is a guide to help you see whats going on:

https://www.2carpros.com/articles/no-tail-lights-exterior-running-lights-tail-lights-out

Check out for melted sockets or wiring/connections.

A simple trick to finding a short is to replace the blown fuse with a pair of spade terminals, then use small jumper wires to connect them to a twelve volt light bulb. A brake light bulb works well. When the circuit is live and the short is present, the bulb will be full brightness and hot so be sure it is not laying on the carpet or against a plastic door panel. Now you can unplug electrical connectors and move things around to see what makes the short go away. When it does, the bulb will get dim or go out.

Common things to look for are a chewed up trailer harness, crushed wires in the trunk, and a mis-wired aftermarket radio.

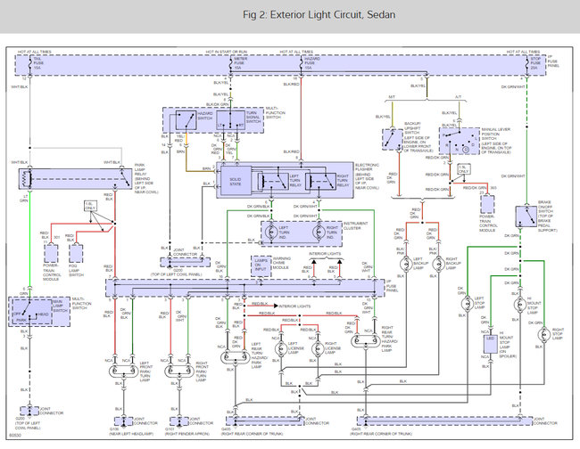
Below are some wiring diagrams so you can see whats going on.

Please let us know what you find.

Cheers
Was this
answer
helpful?
Yes
No
+10
Thursday, March 21st, 2013 AT 6:55 AM
Tiny
SGHUSKER
  • MEMBER
  • 3 POSTS
Thanks for the quick response. Could I use my voltmeter instead of a light bulb? Would I read twelve volts across the fuse terminals when the short is present?
Was this
answer
helpful?
Yes
No
-1
Thursday, March 21st, 2013 AT 6:59 AM
Tiny
CARADIODOC
  • MECHANIC
  • 34,468 POSTS
Nope. Will not work like you would think. Current flows through an amp meter or a light bulb. The two problems with an amp meter are it has no resistance so there is nothing to limit current flow to a safe level, and it will show a real high current which is meaningless because you already know there is way too much current. A light bulb has resistance that will limit the current to a safe level, about one amp with a brake light bulb, and about five amps with a head light bulb, and the brightness will give an indication of when the short is gone.

A voltmeter ideally has infinite resistance and no current will flow through it. That is the same as the blown or removed fuse. The voltmeter works like the pressure gauge on a compressed air line or air compressor. No air flows through the gauge for it to do its thing.

What you are probably thinking is there is twelve volts on one fuse terminal and the short is creating a ground on the other side so the voltmeter will read twelve volts. That is correct but you do not need a dead short for that to occur. If you understand electrical theory you know that if there is no current flow, there is no voltage dropped across any resistances in the circuit. Since we are working in the tail light circuit, imagine if there was no short and the circuit is working properly. If you stick a voltmeter in place of the fuse and turn the switch on, no current will flow through the voltmeter so the lights will be off. Twelve volts will be on the hot fuse terminal and the total resistance of all the light bulbs in parallel will be only a couple of ohms. For all practical purposes that terminal is ground. That means the voltmeter will read twelve volts in a good circuit, and twelve volts if a short bypasses those couple of ohms. The only way the voltage could go to zero volts is if there was nothing but an open circuit. That means no short and no light bulbs plugged in. It is not practical to remove all the tail light bulbs, front running light bulbs, license lamp, and all the dash light bulbs. And you would still have the radio in the circuit. You do not have that kind of time to troubleshoot that way.

Even in higher resistance circuits like for radios, it is resistance will be way lower than the resistance of the meter so thanks to the couple of micro-amps that really will flow through the meter, all the voltage will still be dropped across the higher resistance which is the meter by a long shot. You will see twelve volts even though there is no defect in the circuit.

What you could do is find the fuse terminal that has the twelve volts on it, then go to the other one and measure from it to ground with an ohm meter. The problem with this is you will be looking for the change between when the short is present in the circuit and when it is gone. Suppose there are eight tail light and running light bulbs and each one has twelve ohms of resistance. The total resistance of all of them in parallel will be 1.5 ohms. Add in lets say another 1.5 ohms of car wiring for a total of three ohms. Digital volt/ohm meter leads can easily have three ohms themselves so you will read a total of six ohms. Now bypass the light bulbs with a short circuit. Usually that does not occur in protected areas near the fuse box. Shorts are more likely to occur way down near a light bulb so you still have that 1.5 ohms of wiring resistance. The difference between when the short is present and when it is gone will be the difference between 4.5 ohms and six ohms. Your meter display will bounce around and change that much on its own so the readings will be of no help.

A bigger drawback to the ohm meter is you have to run to the back of the car, unplug something, run back to look at the meter, then start all over again. You will wear out your shoes and still never find the short. I made a test light harness out of a Dodge Viper tail light harness that has three bulb sockets with a total of five filaments. I tied them all together then attached the two wires to a blown fuse so I could plug it in quickly. The real advantage was I could stick in as many bulbs as necessary to get the desired current flow for the circuit I was working on, but mainly I could hang it over a rear-view mirror. No matter where I was working I could wiggle a wire, unplug a connector, or bang on the car with a rubber hammer and see instantly when the short was affected by the brightness of the bulbs.

In one case someone had removed a rear seat years earlier and when they reinstalled it the wire harness was not clipped in place and got crushed under part of the frame. That one did not act up until after passengers were sitting in the rear for a while.

On another one a fellow installed mud flaps and a screw went through the wiring harness. Found that with the rubber hammer. The guy said the tail light fuse would blow when he hit a big bump in the road. That short was not present most of the time which made it impossible to diagnose while standing still in the shop. After installing my test light I walked around banging on the car with the hammer. When I hit the mud flap the test light flickered brighter for an instant telling me I was in the right area.

On another one a guy installed a trailer harness on a Dodge van. When he bolted the tail lights back in he caught a wire under one of the screws. That was for the backup lights. With the ignition switch on and the transmission in reverse, the backup lights were off and my test light was full brightness. After working around for a while when I started to unbolt that light housing I saw the backup light start to glow dimly, then noticed my test light had gotten dim. Since the twelve volts was being dropped across multiple bulbs, each one had roughly six volts; that is why they were dim. Replaced my test light with a fuse and the backup lights were full brightness again.

A few people incorrectly think that test light is going to explode or at least burn out because of the short but that is not the case. You simply have full battery twelve volts on one side, like normal, and thanks to the short you have ground on the other side, like normal, and the bulb will be full, normal brightness. It is no different than connecting a bulb right across the battery terminals. Since the size of the bulb determines how much current it will allow to flow, you do not have to worry about overheating any wiring.
Was this
answer
helpful?
Yes
No
+6
Thursday, March 21st, 2013 AT 8:12 AM
Tiny
SGHUSKER
  • MEMBER
  • 3 POSTS
Wow! Thank you so much for your in-depth answer. Even though I work all day repairing electric circuit boards down to the micro chip level, I still get overwhelmed by auto electronics. (The wires are so big! ) Anyway here is what I did today. My son brought the Escort home after work and he said he had gone through about five fuses. Well would you know it when I put one in, the dash lights and the tail lights came on and stayed on even after banging and tugging and twisting and jiggling and unplugging etc. But here is what has been happening. The audio signal from the ignition cylinder has been staying on intermittently even after the key has been removed. I could turn the steering wheel slightly and it would go out for a second then come back on. So I took off the cover for the steering column and started poking around and found a cut-off switch that is mounted right under the cylinder. When I jiggled the wires, the signal would shut off. Removed the switch and problem solved (so long as he remembers to not leave his keys in the ignition before locking the door). But is it possible that the switch could have been causing the dash light fuse to fail? Or was it just dumb luck that I might have jiggled enough to keep the circuit from shorting? Either way I now have a handy dandy little troubleshooting light that I can plug directly into the fuse box if the problem arises again. Thanks again for the advice. Now I will make a donation to the website. Thanks
Was this
answer
helpful?
Yes
No
+3
Friday, March 22nd, 2013 AT 12:54 AM
Tiny
CARADIODOC
  • MECHANIC
  • 34,468 POSTS
You are a wonderful human being! I do not want to spoil the fun but I suspect the two things are not related. I also do not have a diagram to look at but typically they will not run a twelve volt wire up the column, then switch on another wire with twelve volts to run the chime. They normally feed twelve volts to the chime module, the turn it on by grounding a single wire running to the switch.

What kind of circuit boards do you work on? I did TV/VCR repair for over thirty five years while also working full time as a suspension and alignment specialist for ten years at a very nice Chrysler dealership. I have worked on a real lot of car radios for two dozen dealers in my state.

You might consider replacing the fuse with an auto-resetting circuit breaker until you find the cause of the problem. The disadvantage is they do not trip as fast as a fuse blows because they have to heat up first, but they should still protect the wiring. Six and 30 amp breakers are easy to find in any salvage yard. They make 20 amp breakers too but they are harder to find. The advantage is the lights will come back on faster than if you stop and fiddle around replacing the fuse.
Was this
answer
helpful?
Yes
No
+5
Friday, March 22nd, 2013 AT 3:54 AM

Please login or register to post a reply.