Saturday, May 20th, 2023 AT 8:46 PM
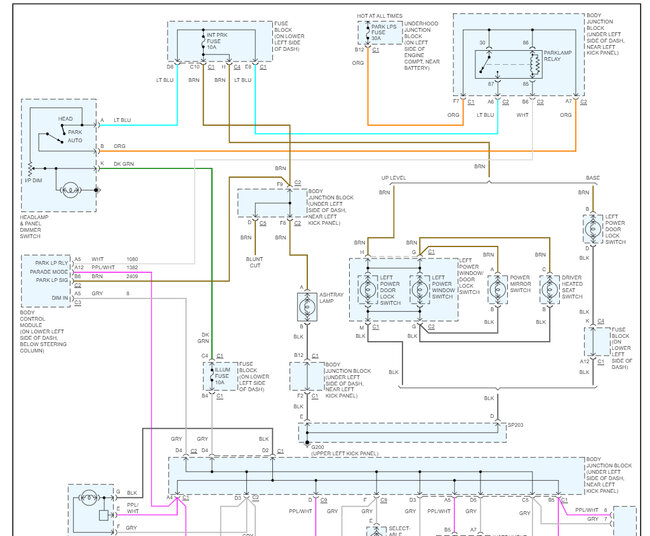
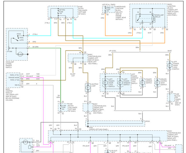
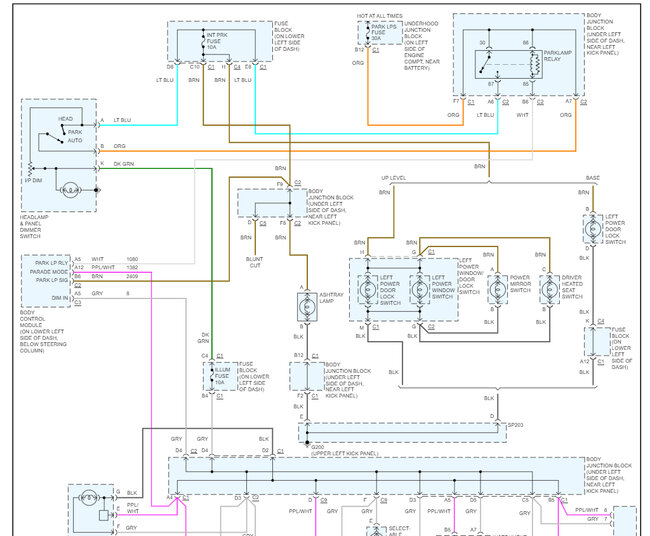
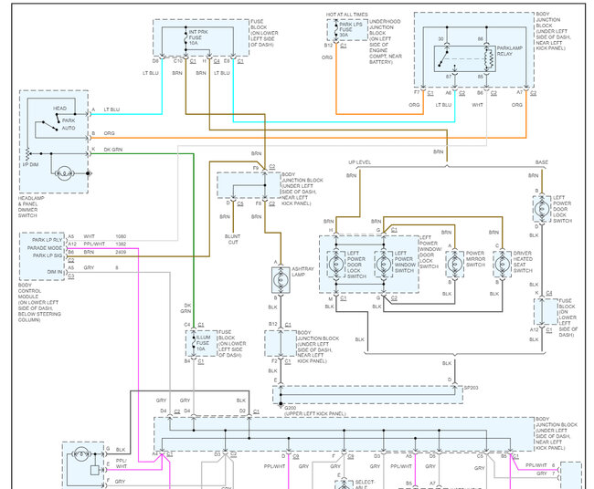
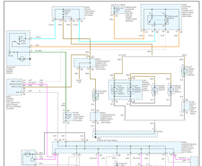
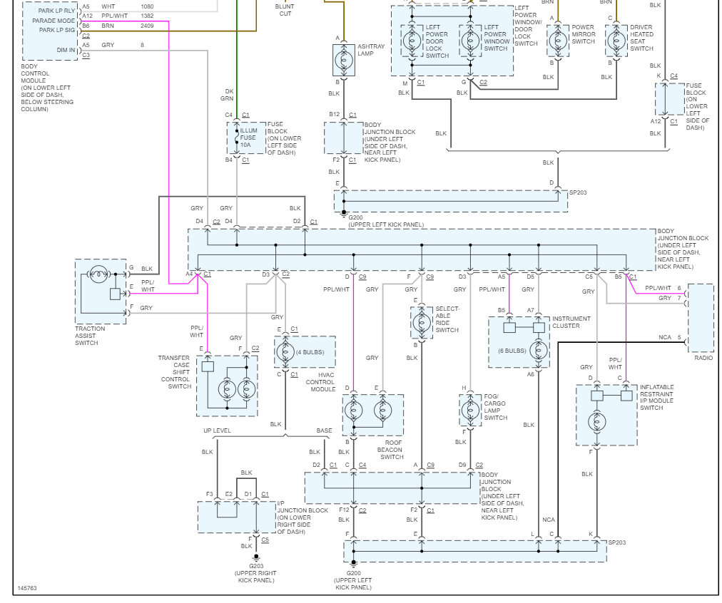
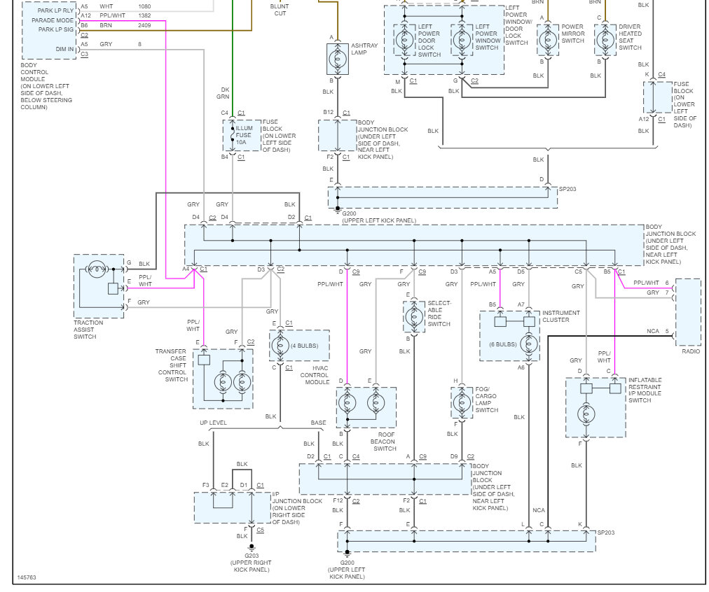
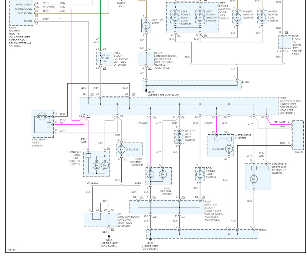
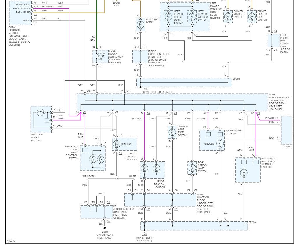
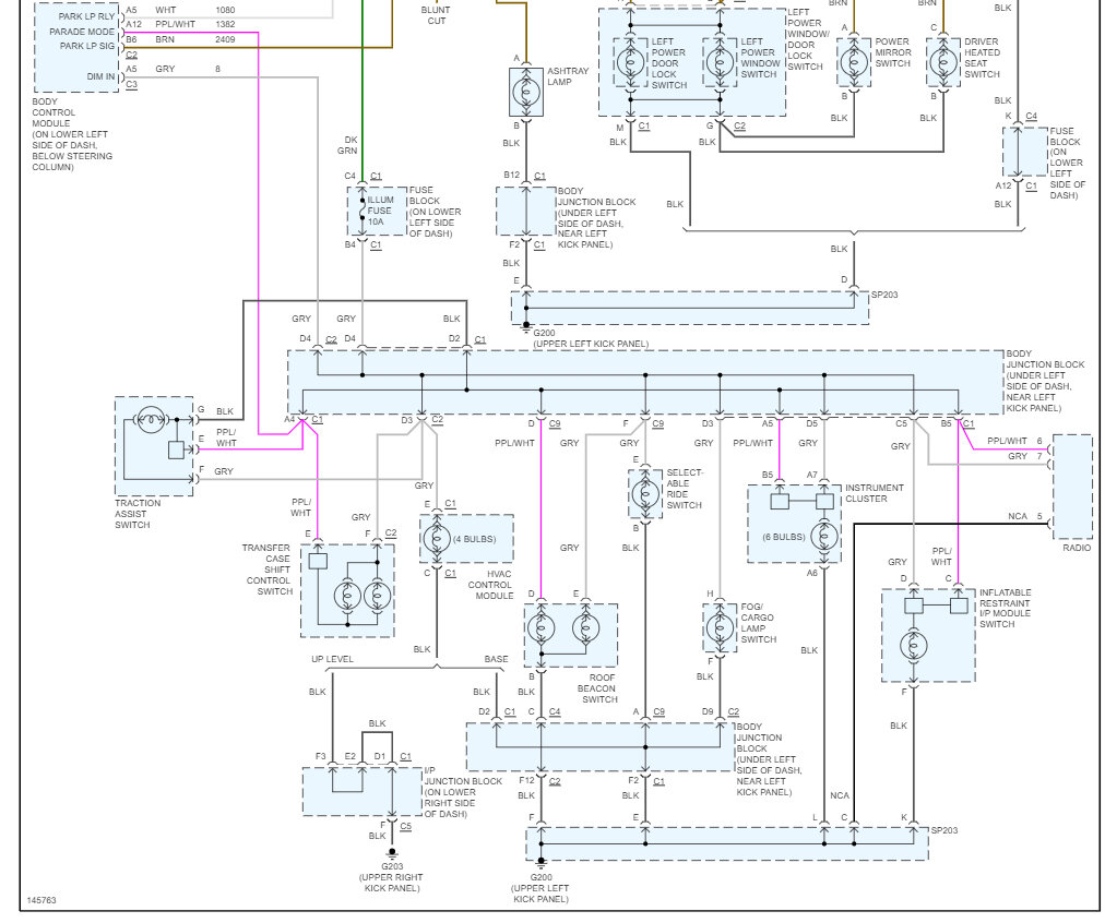
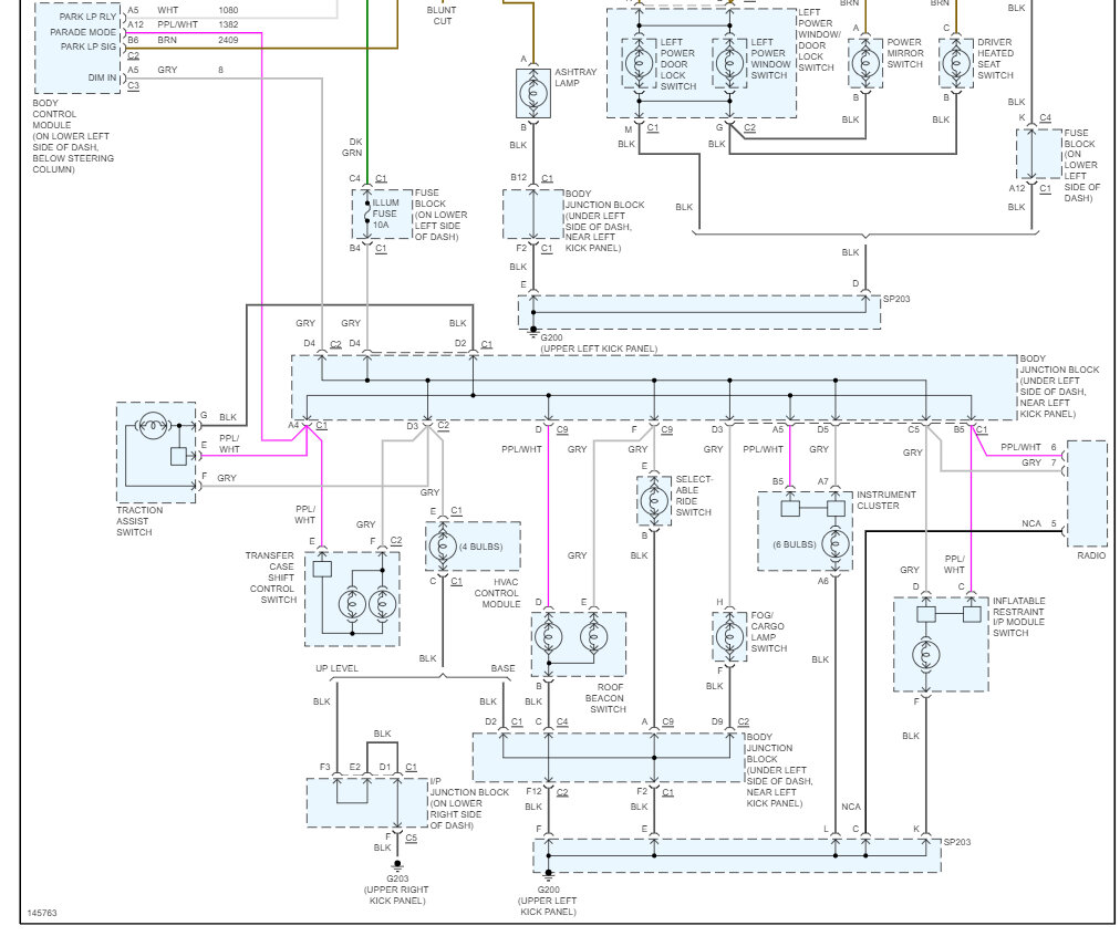
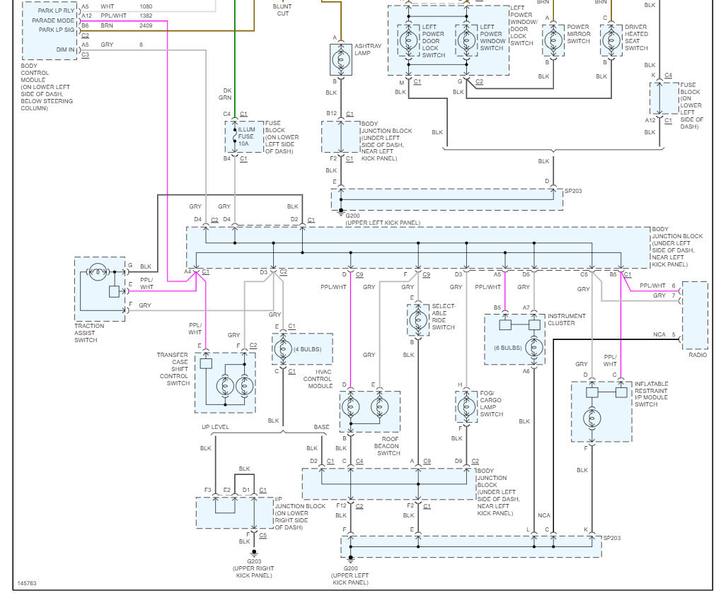
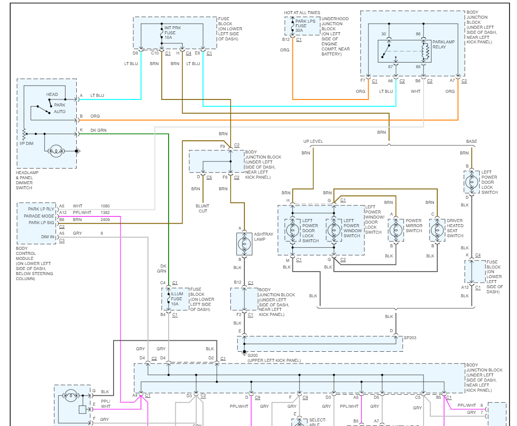
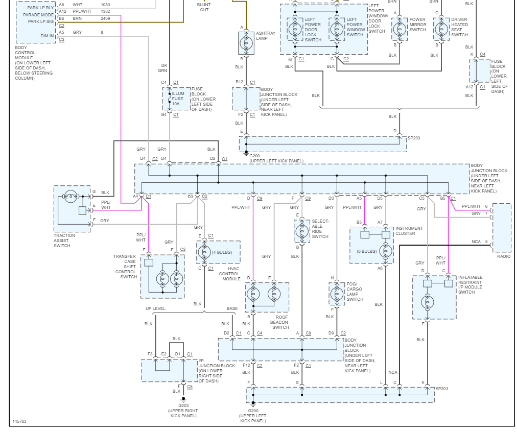
My Dash lights won't work, but when I roll the dimmer all the way up and the cab lights come on the dash lights light up. I've checked some fuses that I think go to the dash they all work and have even tried replacing the switch and dimmer box and that hasn't worked. What else could be wrong?





