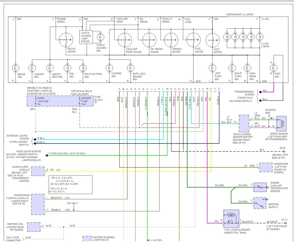
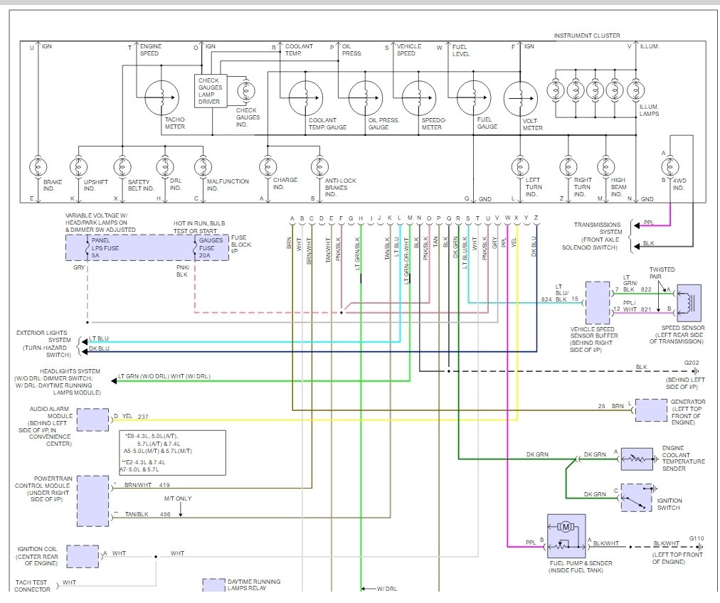
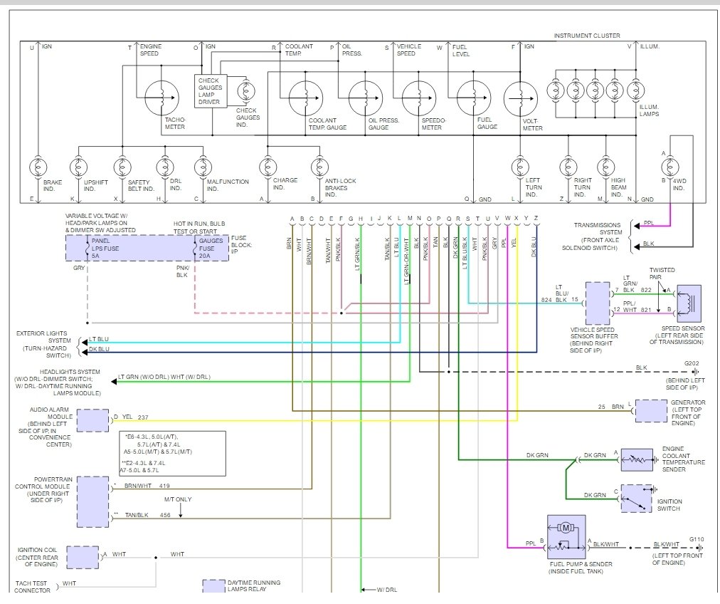
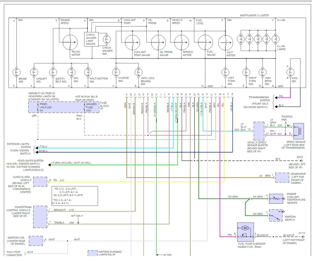
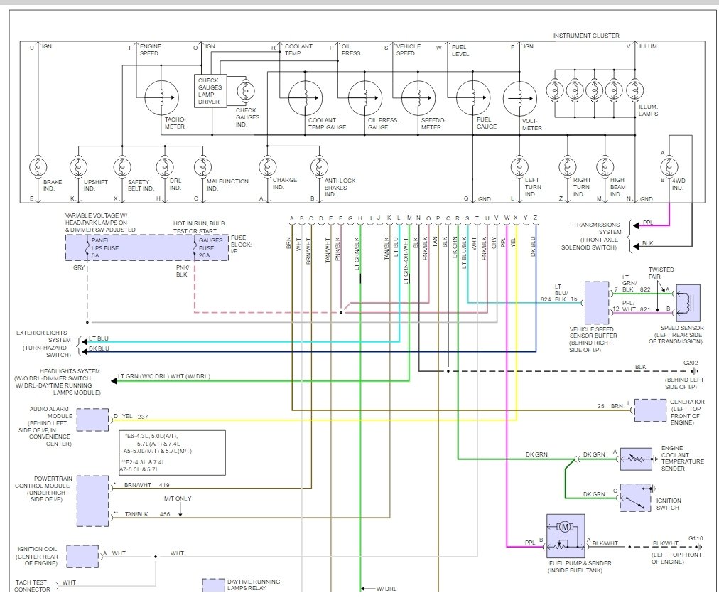
Sunday, October 2nd, 2016 AT 3:13 PM
When I shut off the truck, everything turns off except the dash lights. The only way to make them go out is to take the fuse out. My dimmer switch (not for headlights, for dash lights intensity) does not adjust the light level. However, when fully on, the interior light will come on. How can I fix this?





