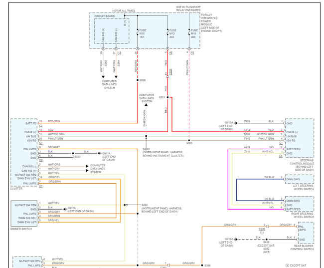
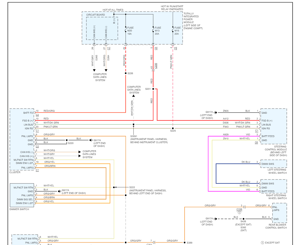
Thursday, May 4th, 2023 AT 4:45 PM
The dash lights and gauges go out but sometimes come back on. I replaced instrument cluster and TIPM, do you have any idea what could be going on?












