When I plug my cluster up, all of the gauges jump

Tiny
JEFFBERNARD2003
  • MEMBER
  • 2002 CHEVROLET TAHOE
  • 4.8L
  • V8
  • 2WD
  • AUTOMATIC
  • 355,000 MILES
I know there's power, but none of the gauges are reading at all. Seems like something shorted out and since that happened the dome override button lost function. All lights work. I can't seem to figure out where the cluster ties into any of the fuses anywhere. Please help.
Tuesday, April 9th, 2019 AT 2:02 PM

5 Replies

Tiny
KASEKENNY
  • MECHANIC
  • 18,907 POSTS
Hi jeffbernard2003,

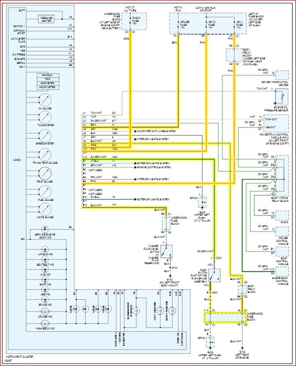
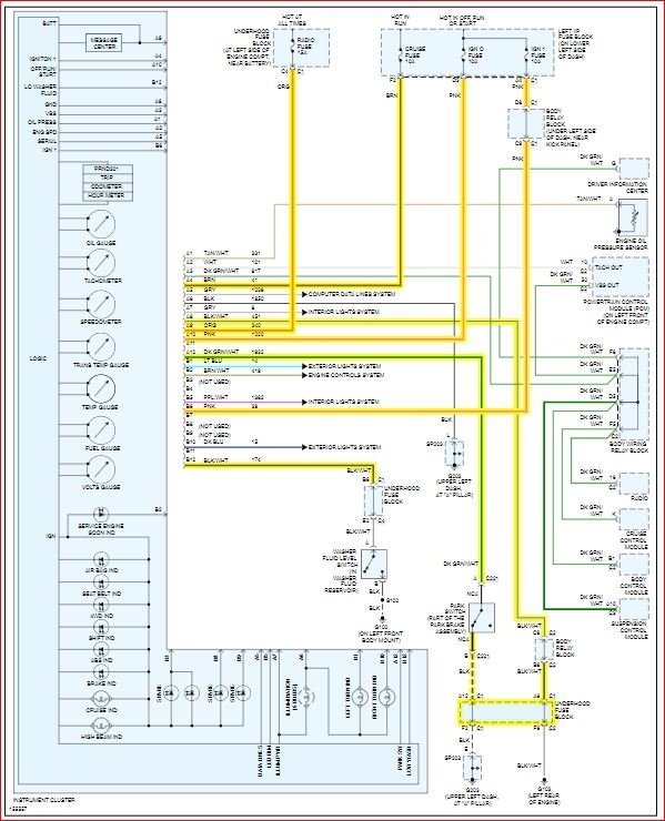
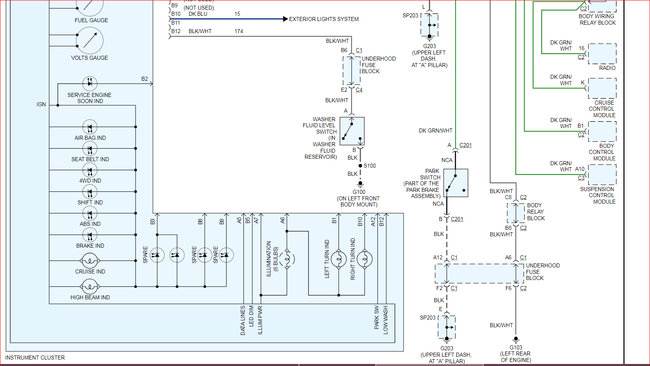
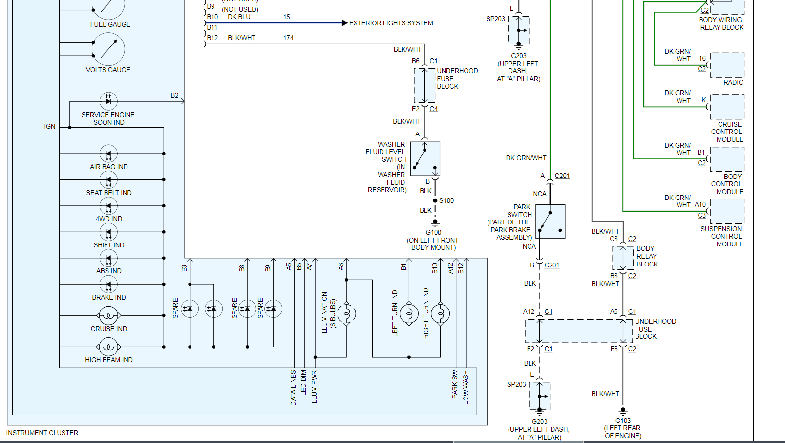
It is possible these are related but before we condemn anything, I would want you to define your statement of the cluster has power. Can you tell me where you are taking your voltage reading and what the voltage is? I attached the wiring diagram for the cluster.

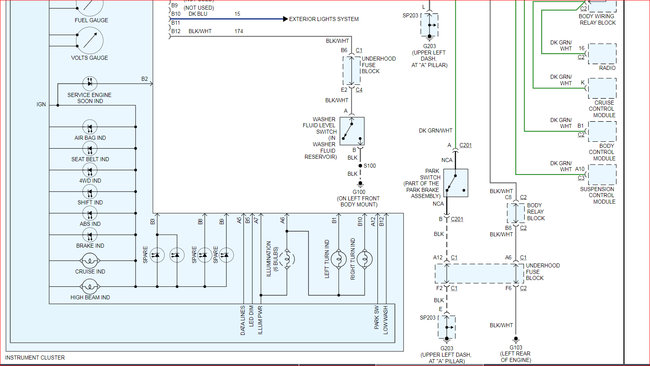
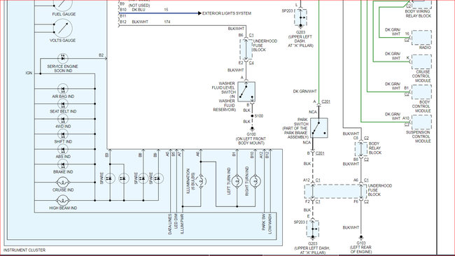
I also attached the dome light wiring diagram and I noticed that the dome switch is an input to the Body control module. The BCM then sends its signal to the cluster.

Also, the cluster gets all its gauge inputs either directly from the sensor like the oil pressure sensor, or from the controlling module. An example here would be the PCM sends the tachometer signal that it receives from the vehicle speed sensor. So the PCM does the calculation and just sends a signal for the tachometer and the cluster just displays what it receives. This is important because if nothing in the cluster is working then it is most likely something with the cluster itself because the chances are almost 0 that all your inputs would be bad.

So let me know what your voltage readings are and where then also verify you have a good ground for the cluster. It appears the ground for this is G100 and I attached a location for that as well.

https://www.2carpros.com/articles/how-to-use-a-voltmeter

https://www.2carpros.com/articles/how-to-check-wiring
Was this
answer
helpful?
Yes
No
Wednesday, April 10th, 2019 AT 6:47 PM
Tiny
JEFFBERNARD2003
  • MEMBER
  • 3 POSTS
When I say I know I have power I meant, when I plug in the IP cluster all of the gauge needles jump all the way up. All lights come on and stay on. Shift information screen an odometer are on and accurate. The information screen the right flashes security a few times and then battery and it repeats back and forth between each. Check engine, cruise, and all other lights aren't coming on. Cruise works though. Also compass and outside temperature screen on rear view mirror went off. I'll recheck voltage this weekend. Thank you for responding and posting diagrams.
Was this
answer
helpful?
Yes
No
Friday, April 12th, 2019 AT 6:17 AM
Tiny
KASEKENNY
  • MECHANIC
  • 18,907 POSTS
Hi Jeff,

Just checking on you to see if you made any progress. Please let me know if you need anything further and I will see what I can do.

Also, is it possible to see if you have an Diagnostic Trouble Codes (DTCs)? If you don't have a scan tool then you can stop by a parts store and have them scan it for you.

Thanks
Was this
answer
helpful?
Yes
No
Sunday, April 14th, 2019 AT 5:34 PM
Tiny
JEFFBERNARD2003
  • MEMBER
  • 3 POSTS
I bought an obdlink lx. Bluetooth connection to my phone. But only for the live feed so I can watch my gauges. No codes come up. Problem is still ongoing. Really want a schematic on where wires from cluster tie into which fuse. Tracing then has become a task. Disconnected each wire from back of cluster harness and screwed up by not labeling them. Works: dash lamination lights, blinkers, check engine. Doesn't work: gauges, message center, shift info screen, cruise brake seat belt airbag ABS lights. What do you think?
Was this
answer
helpful?
Yes
No
Tuesday, April 23rd, 2019 AT 3:00 PM
Tiny
KASEKENNY
  • MECHANIC
  • 18,907 POSTS
Here are the wiring diagrams from the cluster. The manuals do not appear to have the detail diagram that you are looking for. I know the diagrams that you are looking for that have the entire circuit from fuse to ground and everything in-between. Unfortunately, I don't have them for your make and model. You can get to the same end point by using the diagram and the fuse break location break down.
Was this
answer
helpful?
Yes
No
Tuesday, April 23rd, 2019 AT 6:12 PM

Please login or register to post a reply.