Alternator not charging

Tiny
1SYLVIA
  • MEMBER
  • 2011 MAZDA CX-7
  • AUTOMATIC
  • 212,654 MILES
I changed my car battery Monday and was driving it home went about 2 miles all my lights on my dash board lights up and speedometer stopped working. I checked the fuses today they were good, so I brought a new negative battery cable terminal going to put that on later on. But before I change my battery the light and speedometer didn't do that. Please help.
Wednesday, July 8th, 2020 AT 1:28 PM

35 Replies

Tiny
JACOBANDNICKOLAS
  • MECHANIC
  • 110,194 POSTS
Hi,

When you say all the light are on, do you mean the basic dash illumination or are they warning lights?

If they are warning lights, scan the computer to see if there is a diagnostic trouble code that will help guide us. Also, let me know specifically what lights are staying on.

This guide will show you how to get the codes.

https://www.2carpros.com/articles/checking-a-service-engine-soon-or-check-engine-light-on-or-flashing

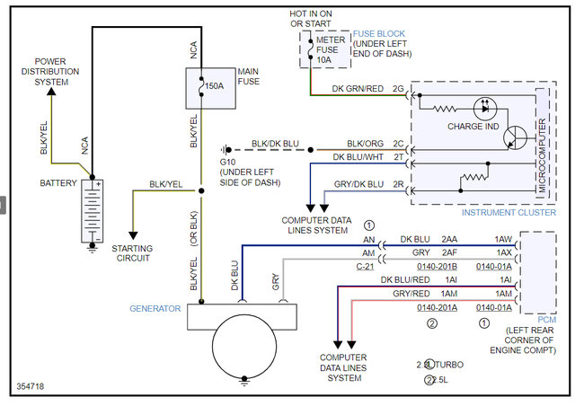
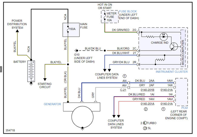
I will watch for your reply. Here are the alternator wiring diagrams so you can see how the system works. Check out the diagrams (Below). Please let us know what you find. Take care, Joe
Was this
answer
helpful?
Yes
No
Wednesday, July 8th, 2020 AT 8:39 PM
Tiny
1SYLVIA
  • MEMBER
  • 20 POSTS
It is my ABS lights, TCS lights, engine lights, brakes lights, and when I drive 2 mile the speedometer stopped working. All this started after I replaced my old battery. Please help. Can I drive the car to a dealership and get them to scan the car an get code on it will it mess the car up worse? Will it break down on me on my way there and come back home? Went to AutoZone they put on a scanner the codes read p061b, P061b and p0500. What is my problem with my car and what part need he also said low voltage in alternator what to do?
Was this
answer
helpful?
Yes
No
-1
Thursday, July 9th, 2020 AT 11:14 AM
Tiny
JACOBANDNICKOLAS
  • MECHANIC
  • 110,194 POSTS
Hi,

I have a feeling that a wheel speed sensor is bad and is setting all the light on as well as causing issues with the speedometer. The wheel speed sensor certainly will cause the abs, traction control, speedometer and so on. The P0500 indicates what I just described. Next, the P061b is likely being set due to the 500.

As far as the low voltage, is the battery light staying on? Here is a simple test for checking voltage from the alternator. Try this and let me know what you find.

https://www.2carpros.com/articles/how-to-check-a-car-alternator

Try that test and let me know the results.

Now, for driving it to a dealership, is it still running okay? A wheel speed sensor itself won't damage anything but things like stability control, anti lock brakes and so on will not work. You won't lose brakes, you just lose the ABS function.

The only concern is the speedometer. Often times that will cause the transmission to not shift properly which can result in what is called limp mode. Basically, the vehicle will drive very slowly to get you to a safe place.

Let me know how it's running for you and what needs done at this point is the can bus system needs scanned. CAN stands for computer area network. I don't know if the parts store can do that. Here is a quick video showing how it's done and why it is a better way of scanning.

https://youtu.be/InIlnsjOVFA

Let me know if the vehicle can still be driven. If it can, I don't feel you will hurt anything. Also, let me know if it is 4wd and which engine is in it.

Take care,
Joe
Was this
answer
helpful?
Yes
No
Thursday, July 9th, 2020 AT 9:45 PM
Tiny
4DRTOM
  • MECHANIC
  • 467 POSTS
Hi,

Both of those code have to do with engine speed and torque.
When a code P061B is stored, it means that the power-train control module (PCM) has detected an internal performance error in the engine torque monitoring system. Other controllers may also detect an internal PCM performance error (with the engine torque monitoring system) and contribute to a P061B being stored.
When a code P0500 is stored
Indicates the power-train control module (PCM) detected an error in the vehicle speed information. If the engine rpm is above the torque converter stall speed (automatic transmission) and engine load is high, it can be inferred that the vehicle must be moving. AutoZone said the alternator had low voltage? That would make sense cars these days are pretty sensitive to voltage and when it runs low strange things start to happen before total failure. You should replace the alternator if the one in there isn't putting out 13-13.5 volts.
Tom
Was this
answer
helpful?
Yes
No
+1
Thursday, July 9th, 2020 AT 9:54 PM
Tiny
1SYLVIA
  • MEMBER
  • 20 POSTS
Do I need to change the mass air flow and the transmission speed sensor too? The ABS sensor are just change the alternator it will be okay.
Was this
answer
helpful?
Yes
No
Friday, July 10th, 2020 AT 3:29 AM
Tiny
1SYLVIA
  • MEMBER
  • 20 POSTS
Can I put a used alternator in car? If I get a used one and take it to AutoZone and see if it charging okay. Will that be okay to do? Because a new one for my car cost a lot and can I drive the car while looking for a alternator. I only have one car.
Was this
answer
helpful?
Yes
No
Friday, July 10th, 2020 AT 3:34 AM
Tiny
4DRTOM
  • MECHANIC
  • 467 POSTS
Hello,

Low system voltage could be creating those other codes. Do nothing until you know you have good alternator output.
Tom
Was this
answer
helpful?
Yes
No
+1
Friday, July 10th, 2020 AT 8:31 AM
Tiny
1SYLVIA
  • MEMBER
  • 20 POSTS
Thank you.
Was this
answer
helpful?
Yes
No
Friday, July 10th, 2020 AT 8:39 AM
Tiny
1SYLVIA
  • MEMBER
  • 20 POSTS
Can I purchased a use alternator for my vehicle listed above will that work?
Was this
answer
helpful?
Yes
No
Friday, July 10th, 2020 AT 8:45 AM
Tiny
4DRTOM
  • MECHANIC
  • 467 POSTS
Hi,

As long as its output is 13.5 volts. Yes, used is fine.
Tom
Was this
answer
helpful?
Yes
No
+1
Friday, July 10th, 2020 AT 8:50 AM
Tiny
1SYLVIA
  • MEMBER
  • 20 POSTS
Thank you very much.
Was this
answer
helpful?
Yes
No
Friday, July 10th, 2020 AT 8:52 AM
Tiny
1SYLVIA
  • MEMBER
  • 20 POSTS
Hello, I have another question. I have a mechanic to put the alternator on for me I need to know if I can drive the car to him to get it fixed? He lived about 60 miles from me will the car make it over to his place to get it fixed? Please help me and thank you very much. You are very helpful. Just to have someone that knows what he is talking about and knows his job. I thank God for you really I do.
Was this
answer
helpful?
Yes
No
Saturday, July 11th, 2020 AT 6:13 AM
Tiny
4DRTOM
  • MECHANIC
  • 467 POSTS
Hi Sylvia,

If the current alt. Output at the battery, while the car is running, is low but not below 12 volts you should be fine. Just don't use any accessories meaning the radio or heat, stuff like that. If the voltage is below 12v while running it's probably too far gone to drive that distance or it's risky anyway.
Tom
Was this
answer
helpful?
Yes
No
+1
Saturday, July 11th, 2020 AT 4:34 PM
Tiny
1SYLVIA
  • MEMBER
  • 20 POSTS
I changed my alternator on my car and it is still doing the same thing. What can I do if I take the car to Nappa auto part store and pay $45.00 let them hook it up to they machine is they machine the same thing as a Mazda dealership use Mazda dealership. Want to charge me $115.00 to run a diagnosis test on it. I don't know what to do. Please help and thank you.
Was this
answer
helpful?
Yes
No
Tuesday, July 14th, 2020 AT 11:09 PM
Tiny
1SYLVIA
  • MEMBER
  • 20 POSTS
The alternator I put in registered at 14 amp put out.
Was this
answer
helpful?
Yes
No
Tuesday, July 14th, 2020 AT 11:10 PM
Tiny
1SYLVIA
  • MEMBER
  • 20 POSTS
Have you heard of this little box name of it is called fixed I think I spell it right. If I get one of them will it tell me the problem?
Was this
answer
helpful?
Yes
No
Tuesday, July 14th, 2020 AT 11:12 PM
Tiny
4DRTOM
  • MECHANIC
  • 467 POSTS
Hello,

Okay, great. So now you know you have a good alternator and is charging fully. Has it made a difference? We're hoping so, but if not we will continue with the next things to be checking out. As for this plug in code scanner I haven't heard of that one specifically but they are these days making some that do plug into the data port and they Bluetooth to your phone. The quality varies between them. Send me a link and or a pic of one and I can review it to see if it's good or a waste.
Was this
answer
helpful?
Yes
No
+1
Tuesday, July 14th, 2020 AT 11:38 PM
Tiny
1SYLVIA
  • MEMBER
  • 20 POSTS
No the car is doing the same thing with new alternator. That puzzles me what to do now.
Was this
answer
helpful?
Yes
No
Tuesday, July 14th, 2020 AT 11:41 PM
Tiny
4DRTOM
  • MECHANIC
  • 467 POSTS
Hello,

Don't worry, it will be okay. We can dig further into your system. Now we know it's not a low voltage causing you issue. You had no issues until you changed the battery. Is that correct? So currently we are looking at the speedometer not working and your dash lights are on? Which dash lights are on that aren't supposed to be?
Tom
Was this
answer
helpful?
Yes
No
Tuesday, July 14th, 2020 AT 11:57 PM
Tiny
4DRTOM
  • MECHANIC
  • 467 POSTS
Hi Sylvia,

In the mean time check the rest of the fuses in the other locations from the images I sent and I will review the circuits involved in your cars problem and be back in touch in the morning with how to move forward. My feeling is we are looking at a bad connection or something right around the battery that may have been disturbed during the battery change. See if you can get a fresh scan of the codes now too and let me know what comes up.
Tom
Was this
answer
helpful?
Yes
No
Wednesday, July 15th, 2020 AT 12:03 AM

Please login or register to post a reply.