Cruise control will not turn on

Tiny
ROSWELL MILLER
  • MEMBER
  • 1998 FORD EXPLORER
  • 4.0L
  • 6 CYL
  • 2WD
  • AUTOMATIC
  • 163,000 MILES
Tested the valve on master cylinder did the test when you hold off downturn switch on off on pushed cruise switches got three blinks brake deactavition switch problem. What do I look for?
Thursday, October 28th, 2021 AT 5:47 PM

21 Replies

Tiny
KASEKENNY
  • MECHANIC
  • 18,907 POSTS
When you are saying the cruise will not turn on, does the indicator in the dash come on when you turn the system on, and it will just not set on the speed selected? Or does the indicator not come on either?

This is going to cause the issue to be different, so we need to start with this.

The way I read the issue is the indicator comes on but it does not set the speed.

If this is the case, then this is most likely one of two issues. First and foremost, it is the brake switch or deactivation switch.

The brake pedal switch is on the brake pedal arm, and it tells the vehicle if you are pressing the brakes. Sometimes these stick on slightly and if it thinks you are pressing the brakes then it will not turn the cruise on.

You can test this by checking the voltage coming out of the switch. It should be an open circuit unless the brakes are pressed.

The same thing with the deactivation switch. When this fails, it thinks the system needs to be turned off and so it won't allow you to activate it. This can be tested by just unplugging the sensor and jumping the switch terminals in the connector to see if the cruise comes on.

The other common failure when the light comes on in the dash is the servo. Basically, it just doesn't engage the cruise.

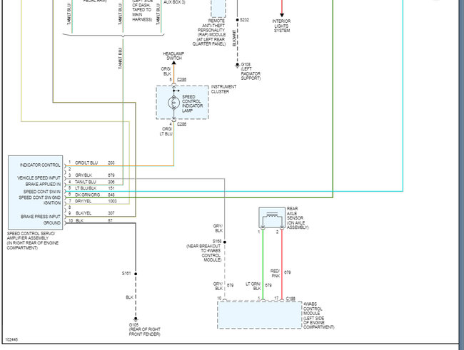
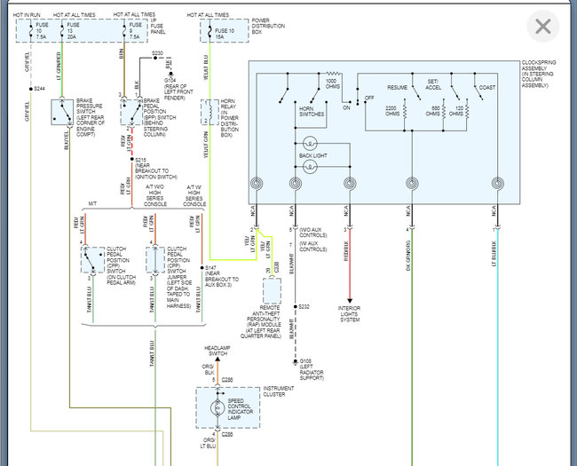
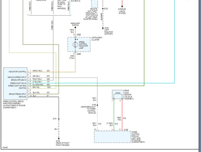
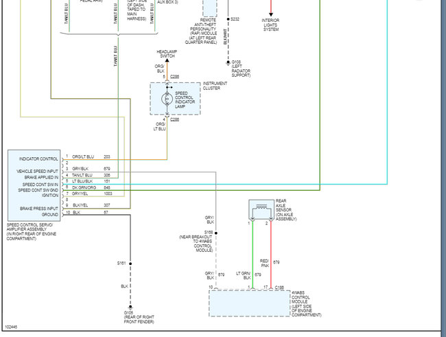
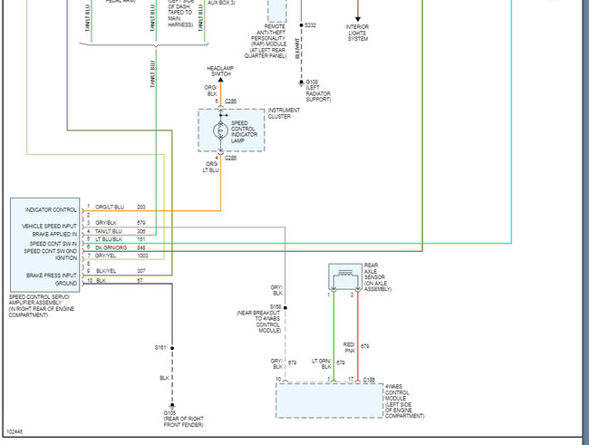
Please see the info attached for this including the wiring diagram so we can start testing if needed.

https://www.2carpros.com/articles/how-to-check-wiring

Please see the attached below and let us know what you find with this.
Was this
answer
helpful?
Yes
No
Friday, October 29th, 2021 AT 5:22 PM
Tiny
ROSWELL MILLER
  • MEMBER
  • 14 POSTS
The light on the dash does not come on when you push the on switch on the steering wheel. But if you hold the off switch and turn the key on off then on then push on then resume then cost then set the light comes on and blinks three times. I changed the brake light switch today but no light. I checked the switch on the brake master cylinder and I got continuity and pushed brake and then no continuity brake lights work fine. So, this tells me I have power, correct? Where do I go from here?
Was this
answer
helpful?
Yes
No
Friday, October 29th, 2021 AT 6:57 PM
Tiny
ROSWELL MILLER
  • MEMBER
  • 14 POSTS
Switches on steering wheel are new that is where I started with this.
Was this
answer
helpful?
Yes
No
Friday, October 29th, 2021 AT 7:00 PM
Tiny
KASEKENNY
  • MECHANIC
  • 18,907 POSTS
Okay. That is great info. Normally this is a switch issue but if you replaced them and you can press these buttons and get the light to come on then that shows the buttons are working and at least getting power to the servo.

However, we need to just jump to the servo and check the power on the highlighted wires below. The complete wiring diagram is above but we need to check the voltage and make sure we are getting proper voltage on each one.

Test the switch circuits when you are pressing those buttons on the steering wheel. Then tell me what the voltage is on the other circuits, and we can go from there.

https://www.2carpros.com/articles/how-to-check-wiring

Thanks
Was this
answer
helpful?
Yes
No
+1
Friday, October 29th, 2021 AT 7:06 PM
Tiny
ROSWELL MILLER
  • MEMBER
  • 14 POSTS
Wire #1 indicator control 10v, wire # 5 speed control switch 5'7 volts, wire #6 4 ohms resume 6 ohms on set and 7 ohms on coast, wire # 7 11.2volts the light still not on and I know lamp is goon when I did the test the speed control actuator cable is supposed to move and it does not. Cable not broken I checked that what do I do next. Is the servo bad?
Was this
answer
helpful?
Yes
No
Saturday, October 30th, 2021 AT 1:44 PM
Tiny
ROSWELL MILLER
  • MEMBER
  • 14 POSTS
Thanks for your help so far Roswell.
Was this
answer
helpful?
Yes
No
Saturday, October 30th, 2021 AT 1:45 PM
Tiny
KASEKENNY
  • MECHANIC
  • 18,907 POSTS
I assume when you said ohms when pressing the resume, on/set, coast buttons, you meant you have 4, 6, and 7 volts? Basically, the way this works is when you press these buttons the voltage signal runs through different resistors that changes the voltage that actually makes it to the servo and based on this voltage it knows what button you are pressing.

If this is the case, then yes you have a servo issue. Just to be sure, I would check the last three wires.

Number 7 should have battery voltage which appears you do. I would just check this using pin 10 as your ground for your meter just to make sure the module has a good ground. Basically, checking the voltage on pin 7 to pin 10 you should have the same 12 volts.

Lastly check voltage at pin 9. If you are not pressing the brake, then you should have an open circuit. However, this is not going to prevent the light from coming on.

If the cruise is engaged and you hit the brakes, then the light should stay on, but it just disengages. So, I assume the brake input is fine, but it is nice to make sure.
Was this
answer
helpful?
Yes
No
Saturday, October 30th, 2021 AT 7:55 PM
Tiny
ROSWELL MILLER
  • MEMBER
  • 14 POSTS
Should I be getting voltage on the buttons if the light is not on? The cruise is not on if the light is not on, correct? So, you are thinking that the servo is bad? When I do the test that I found on YouTube the throttle cable does not move like it should.
Was this
answer
helpful?
Yes
No
Sunday, October 31st, 2021 AT 5:31 AM
Tiny
KASEKENNY
  • MECHANIC
  • 18,907 POSTS
Correct. I think the servo is the issue.

What happens is, you press the buttons, and the servo sees those button presses. Then the servo engages the throttle and holds it in place, and it turns the light on by grounding that circuit.

The fact that you have 10 volts on pin 1 shows it is not grounding the circuit. If the lamp was on, then you would have very little voltage at the servo because the bulb is using it to illuminate.

So basically, we know the servo is getting the commands from the buttons to turn on the cruise, but it is not doing anything. So everything going into the servo appears to be correct, but the servo is not doing anything.

This is one of the most common failures that causes this issue so if it were me, based on this info, I have seen enough to replace it.
Was this
answer
helpful?
Yes
No
Sunday, October 31st, 2021 AT 12:41 PM
Tiny
ROSWELL MILLER
  • MEMBER
  • 14 POSTS
I did order a used servo hope it works we will see. I thought you gave up on me I have not heard from you I need to check my messages better thanks for all your help the part will be here Thursday hopefully so when I get it installed, I will let you know what happens.
Was this
answer
helpful?
Yes
No
Tuesday, November 2nd, 2021 AT 2:29 PM
Tiny
KASEKENNY
  • MECHANIC
  • 18,907 POSTS
Sounds good. Thanks for the update.

We will wait to hear back with some good news.
Was this
answer
helpful?
Yes
No
Tuesday, November 2nd, 2021 AT 2:42 PM
Tiny
ROSWELL MILLER
  • MEMBER
  • 14 POSTS
Well, no good news put in the servo got the same thing. I did the hold the off button turn the key on off then on pushed the other buttons same 3 blinks which means brake deactivation switch bad all have been replaced the servo I put in was used maybe it is bad I do not know. Ready to give up.
Was this
answer
helpful?
Yes
No
Friday, November 5th, 2021 AT 10:01 AM
Tiny
ROSWELL MILLER
  • MEMBER
  • 14 POSTS
If you think that the servo, I put in is bad I will try finding a new one and put that in, but I do not want to do that if I do not know if that will fix it. What can I test next?
Was this
answer
helpful?
Yes
No
Friday, November 5th, 2021 AT 10:14 AM
Tiny
KASEKENNY
  • MECHANIC
  • 18,907 POSTS
Okay. Just reading through this again. I just want to confirm exactly what is happening.

When you are driving the vehicle, you are trying to set the cruise and the light will not even come on? Or when you are sitting still trying to turn it on the light in the dash will not turn on?

Clearly a servo makes sense with all these voltage readings but that is highly unlikely that you got another that has the same issue.

Basically, when you are driving this vehicle above 40 MPH does the light come on and set the speed control?

There is a speed input so if we are not testing this at speed then let's start with that before we go much further.
Was this
answer
helpful?
Yes
No
Friday, November 5th, 2021 AT 12:13 PM
Tiny
ROSWELL MILLER
  • MEMBER
  • 14 POSTS
Yes, I did try to set it at 50 MPH and nothing. I also tried to set sitting still nothing. But the light comes on when I do the thing when I hold the off and turn the key all the buttons make the light come on but it does not stay on, and I tried to set the speed to see if it would work without the light on still, but no.
Was this
answer
helpful?
Yes
No
Friday, November 5th, 2021 AT 2:17 PM
Tiny
ROSWELL MILLER
  • MEMBER
  • 14 POSTS
When I do the test the light blinks 3 times that indicates the brake thing and they all check out.
Was this
answer
helpful?
Yes
No
Friday, November 5th, 2021 AT 2:20 PM
Tiny
ROSWELL MILLER
  • MEMBER
  • 14 POSTS
Today after I replaced the servo when the car is not running.
Was this
answer
helpful?
Yes
No
Friday, November 5th, 2021 AT 2:32 PM
Tiny
ROSWELL MILLER
  • MEMBER
  • 14 POSTS
But the light will come on when the car is not running or not, correct?
Was this
answer
helpful?
Yes
No
Friday, November 5th, 2021 AT 2:35 PM
Tiny
KASEKENNY
  • MECHANIC
  • 18,907 POSTS
Okay. I didn't notice this before because you said that the buttons all made the light come on when you did this test of turning the vehicle off while holding the off button.

However, you said that at the servo on pin 5 when you pressed the on button you had 5.7 volts. Is that correct?

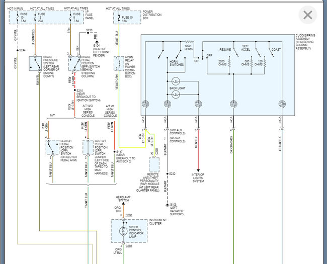
If so, follow this testing through because what I see is you get to step E5 and the answer is no. Then you go to E6 where you are checking the circuit through the clock spring.

This would make sense because you have voltage so the test where the lights all respond "passes" because you are getting voltage. However, the servo is not going to turn this on because it needs to be over 10 volts. This appears to be what mislead us.

Run through this and make sure you are getting the same thing. Thanks
Was this
answer
helpful?
Yes
No
Friday, November 5th, 2021 AT 2:49 PM
Tiny
ROSWELL MILLER
  • MEMBER
  • 14 POSTS
You lost me at e6 I do net know about remote autio 6 pin and 8 pin and were do I find them also the air bag sliding connecter messing with airbag not sure about.
Was this
answer
helpful?
Yes
No
Friday, November 5th, 2021 AT 6:27 PM

Please login or register to post a reply.