Cruise control does not work with headlights or running lights on

1998 FORD MUSTANG
183,000 MILES
Avatar
JE CE
  • MEMBER
  • 1 POST
Cruise works if headlight switch is left off. Cruise won't work if lights are on. Cruise quits if it is engaged then lights are turned on.

Help!

Apr 12, 2013 at 11:26 AM
Repair Safety Notice: This information is for general instructional purposes only. Vehicle repair can be dangerous. Verify all information, follow manufacturer service procedures, use proper tools and safety equipment, and consult a qualified repair shop when needed.
Advertisement
Avatar
KASEKENNY
  • CAR REPAIR CONTRIBUTOR
  • 18,907 POSTS
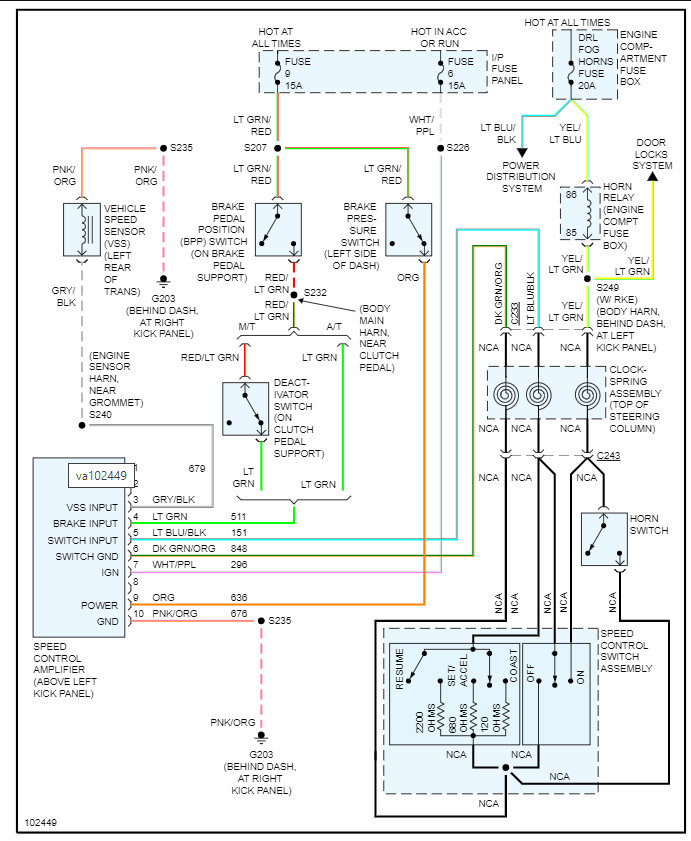
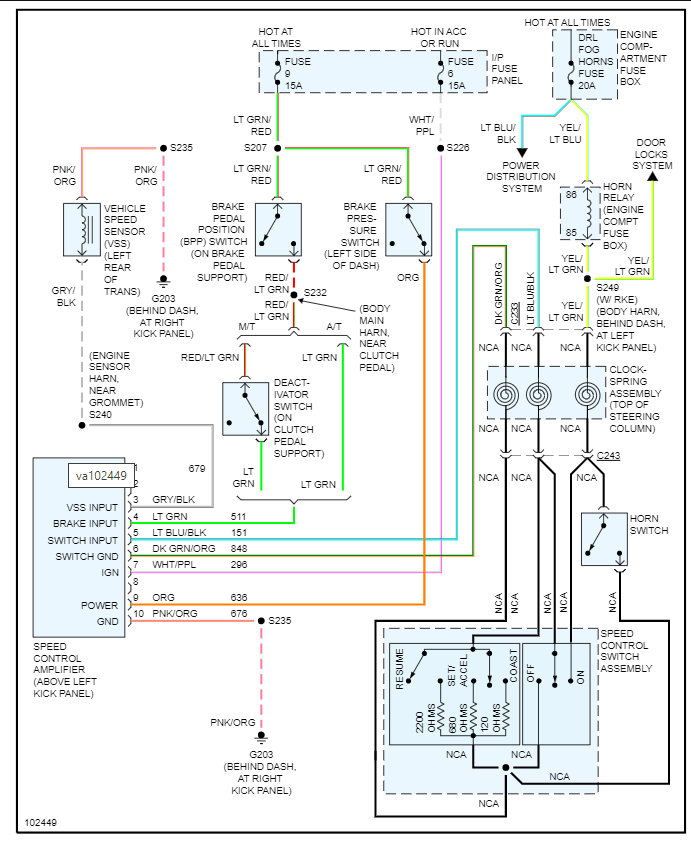
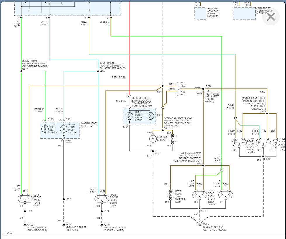
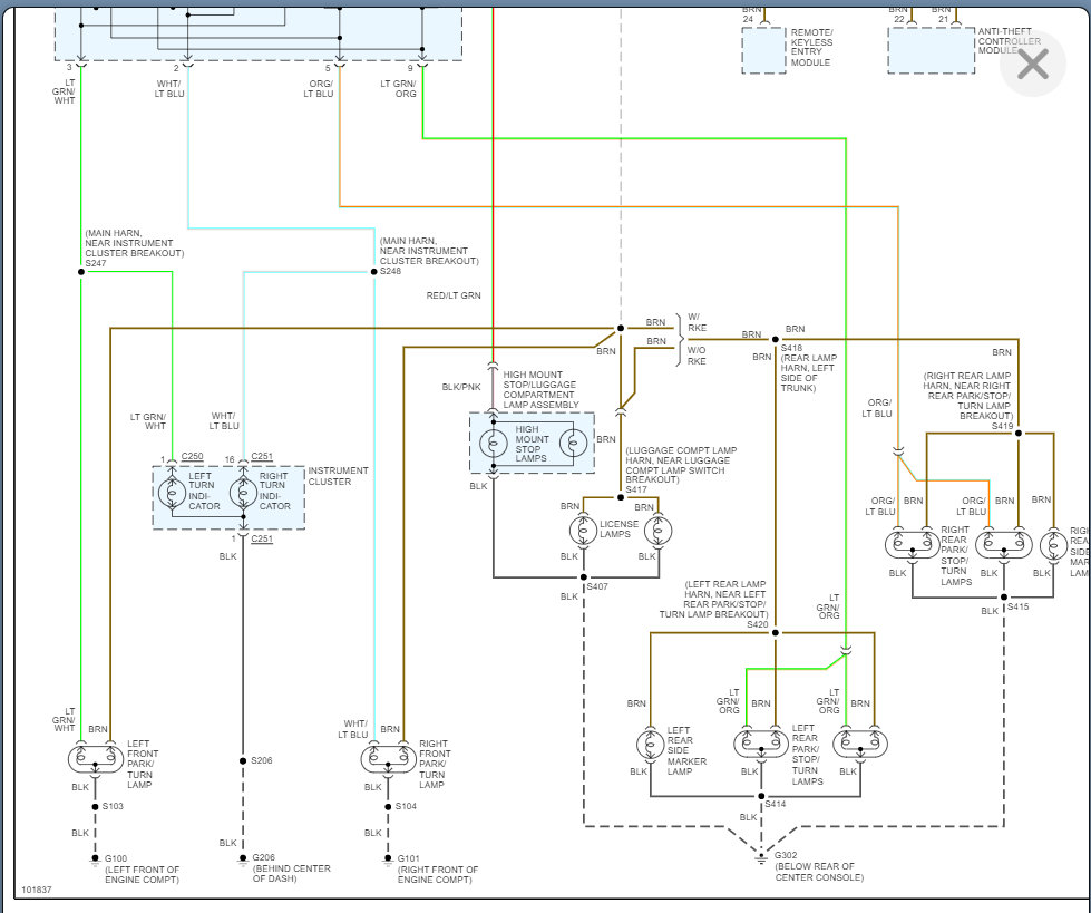
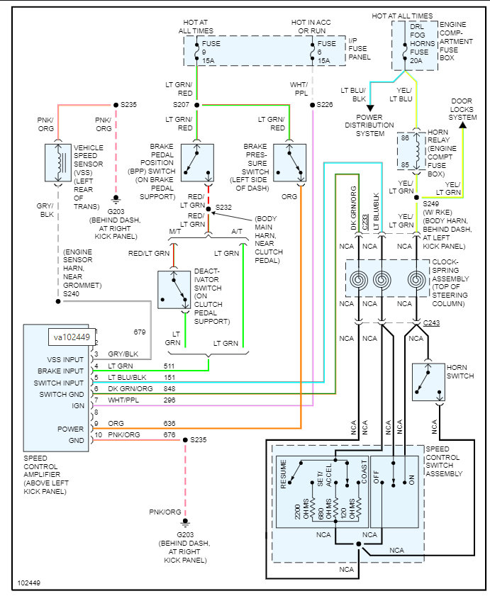
More than likely we have an issue with a taillight bulb or brake light switch.

What I would suggest is we need to go to reach taillight and check voltage on the brake light circuit when the head lights are on. If you have any voltage on the brake light circuit, then this is back feeding, and the vehicle thinks the brake is being depressed.

Here is a guide that will help with this:

https://www.2carpros.com/articles/how-to-check-wiring

https://www.2carpros.com/articles/how-to-use-a-voltmeter

The next likely cause of this is the brake light switch itself.

So, if nothing else, I would replace this and then retest the operation.

Please see the wiring diagram below which will help with this.

Let me know if you have questions and we can go from there.

Thanks
Mar 5, 2022 at 5:25 PM
Advertisement
Avatar
JE CE
  • MEMBER
  • 1 POST
I gave up, went around and changed every exterior bulb and the problem cleared up.

I found that Ford designed the ECU to disable the cruise if it detected any perceived defect with any brake or tail bulb and even though they all worked one must have had a high resistance or whatever and now new bulbs have cured the problem.

I just love Detroit!

Thanks for your input and you can close this thread or use it as you wish, I'm done and gone.

Je Ce
Mar 5, 2022 at 5:26 PM