Cruise Control not working?

Tiny
ANDREWKELLEY
  • MEMBER
  • 2005 CHEVROLET EQUINOX
  • 3.4L
  • V6
  • 4WD
  • AUTOMATIC
  • 154,117 MILES
When I press the cruise control button the cruise control won't do anything, the light will not come on and the cruise control is not activating. What could be the problem?
Saturday, September 7th, 2024 AT 4:33 PM

2 Replies

Tiny
JACOBANDNICKOLAS
  • MECHANIC
  • 110,192 POSTS
Hi,

The cruise control not functioning can be the result of a few different things. It could be something as simple as a faulty brake light switch or as involved as the steering wheel module coil, PCM, and so on.

If you haven't already, I do recommend having the can-bus scanned to determine if there are codes related stored in one or more of the modules. CAN stands or controller area network. Basically, the different modules are tied together via a few wires. This type of scan will retrieve codes regardless of the module storing them.

Here is a link that shows how it is done:

https://www.2carpros.com/articles/can-scan-controller-area-network-easy

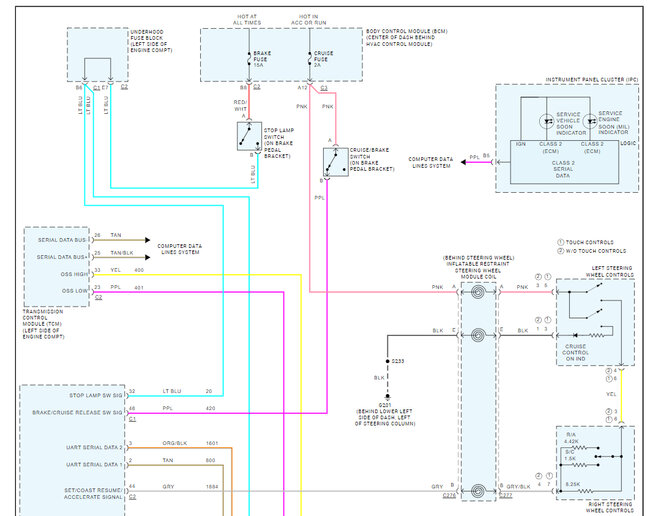
Next, I attached the diagnostics for the system below. Take a look through the directions and let me know if this is something you are comfortable performing.

Let me know.

Take care.,

Joe

See pics below.
Was this
answer
helpful?
Yes
No
Saturday, September 7th, 2024 AT 7:19 PM
Tiny
KEN L
  • MASTER CERTIFIED MECHANIC
  • 55,322 POSTS
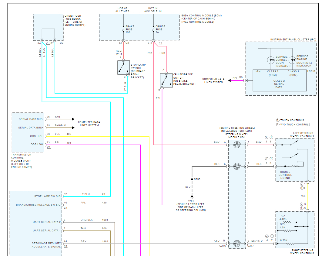
I would start by checking the brake and cruise fuse in the fuse panel inside the car here is a guide to help, if the fuses are good chances are the clock spring has gone bad which is typical.

https://www.2carpros.com/articles/how-to-check-a-car-fuse

Here are the cruise control wiring diagrams so you can see how the system works, and I have included how to change out the clock spring as well. Check out the images (below). Please upload pictures or videos in your response of any problems so we can see what to help you with.

.
Was this
answer
helpful?
Yes
No
Saturday, September 7th, 2024 AT 7:27 PM

Please login or register to post a reply.