Cruise control not working

Tiny
BRIAN K CONNER
  • MEMBER
  • 1996 FORD F-150
  • 4.9L
  • 6 CYL
  • MANUAL
  • 171,000 MILES
Cruise control just stopped working. All fuses are good and everything inside cruise box under hood not seized and moves freely. What else can I check to fix this issue?
Help!
Thursday, June 21st, 2018 AT 3:15 PM

1 Reply

Tiny
KEN L
  • MASTER CERTIFIED MECHANIC
  • 55,512 POSTS
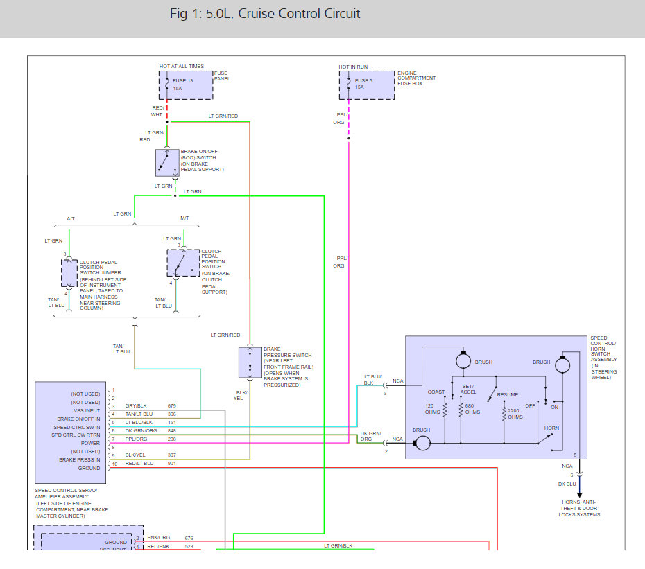
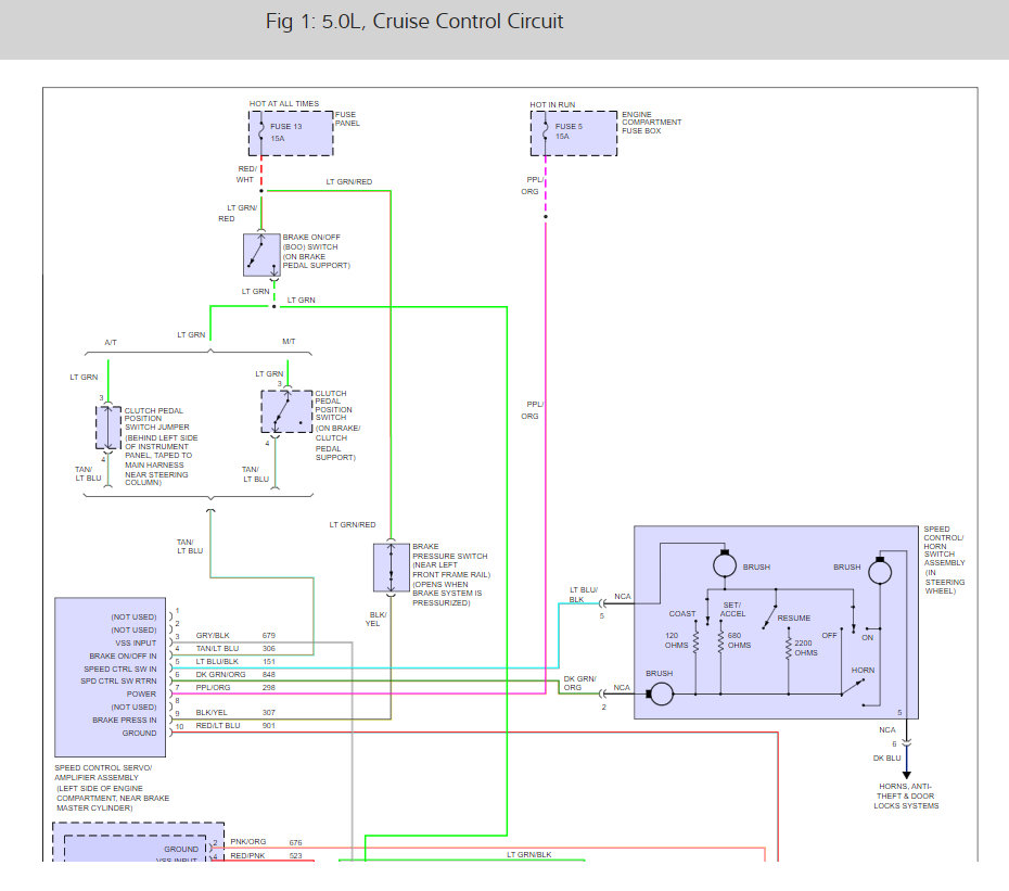
It usually is the cruise control servo that goes out but to be sure lets make sure it is getting power and ground. Also, test the brake light switch. Here is the wiring diagrams and a guide to help you run some simple test and see how the system works:

https://www.2carpros.com/articles/how-to-check-wiring

Check out the diagrams (below). Please let us know what happens.

Cheers, Ken
Was this
answer
helpful?
Yes
No
Saturday, June 23rd, 2018 AT 1:00 PM

Please login or register to post a reply.