Cruise control not working

Tiny
TALLY BUCCHERI
  • MEMBER
  • 2003 HONDA CRV
  • 4 CYL
  • 4WD
  • AUTOMATIC
  • 192,000 MILES
Dealer diagnosed the main switch as shorted but that didn’t fix the problem.

Upon engaging, no light shows on the dash.

I checked the under-dash fuses and the brake switch. Both are fine.

Please help with any other things I can check in order of simplicity!
Sunday, December 5th, 2021 AT 12:51 AM

1 Reply

Tiny
KASEKENNY
  • MECHANIC
  • 18,907 POSTS
First of all, if they misdiagnosed it then they should be looking at this and correcting it at no charge or refund that money and diagnose it correctly.

As for the issue if they diagnosed this as a faulty switch, I am going to assume that is because when they press the button, they are getting no signal to the control unit to show the button is being pressed.

If this is the case, they have a 1 in 3 shot at getting the most likely cause.

First would be the switch, next is the clock-spring, and last is the wiring.

https://www.2carpros.com/articles/symptoms-of-a-bad-airbag-clock-spring

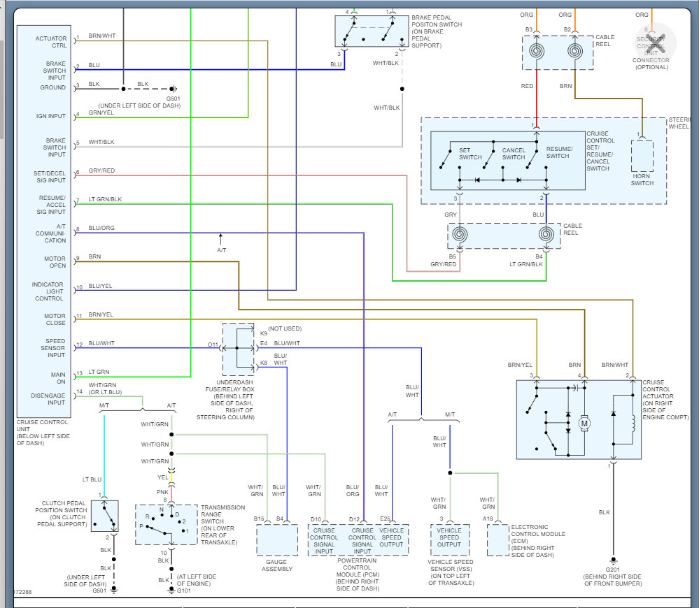
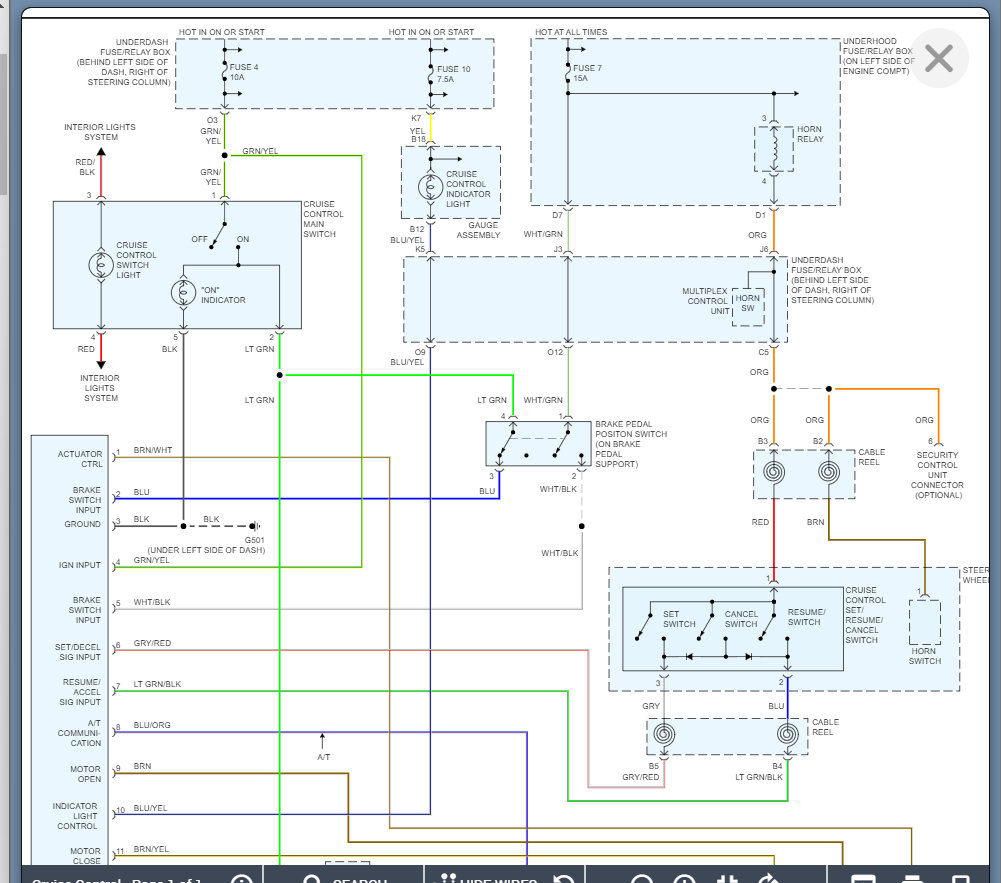
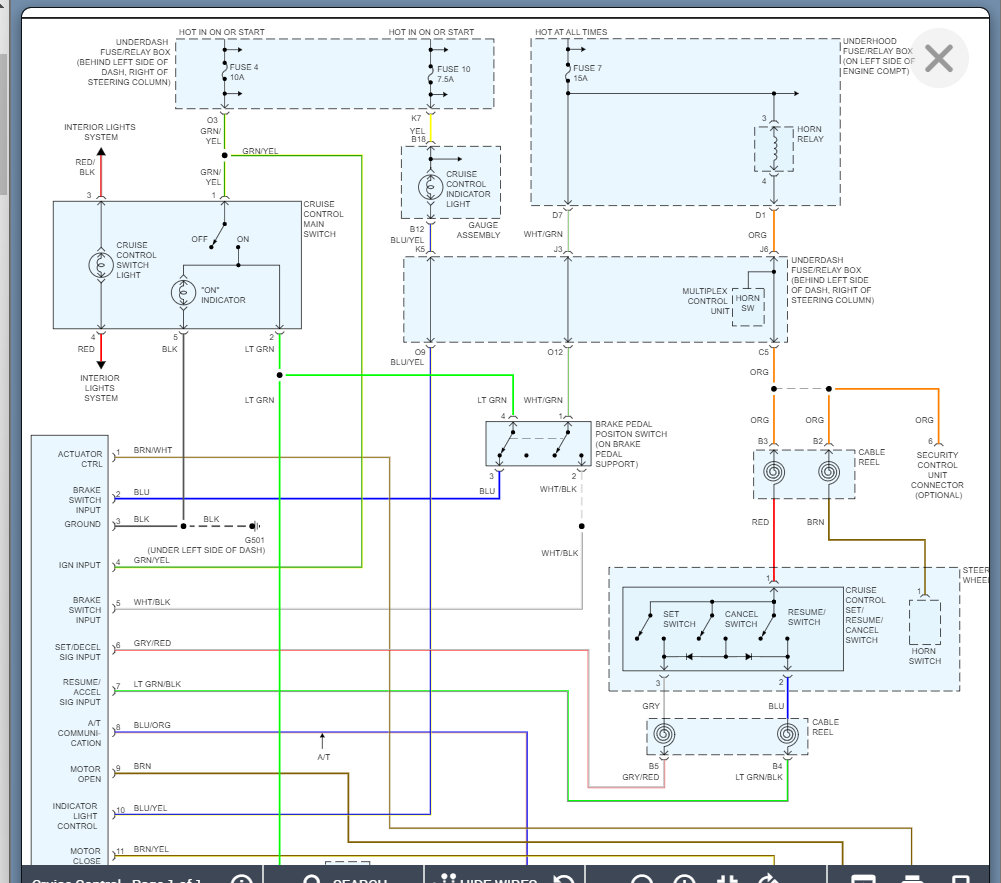
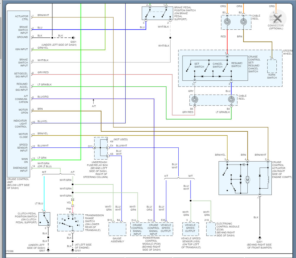
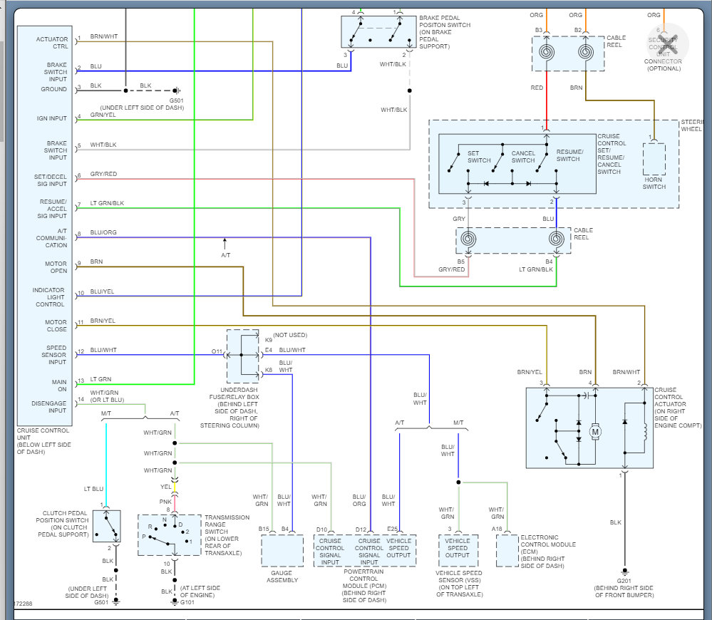
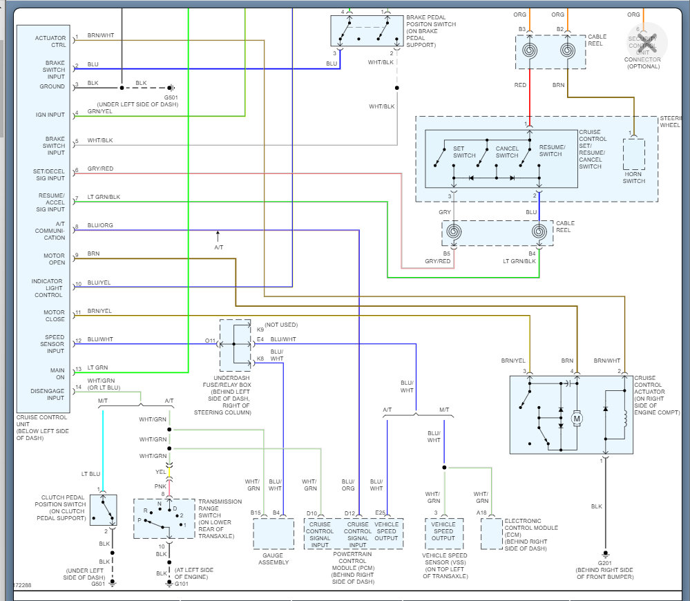
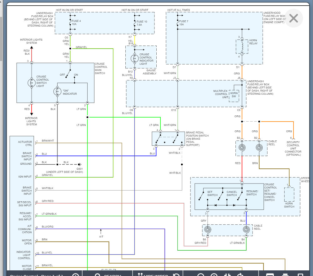
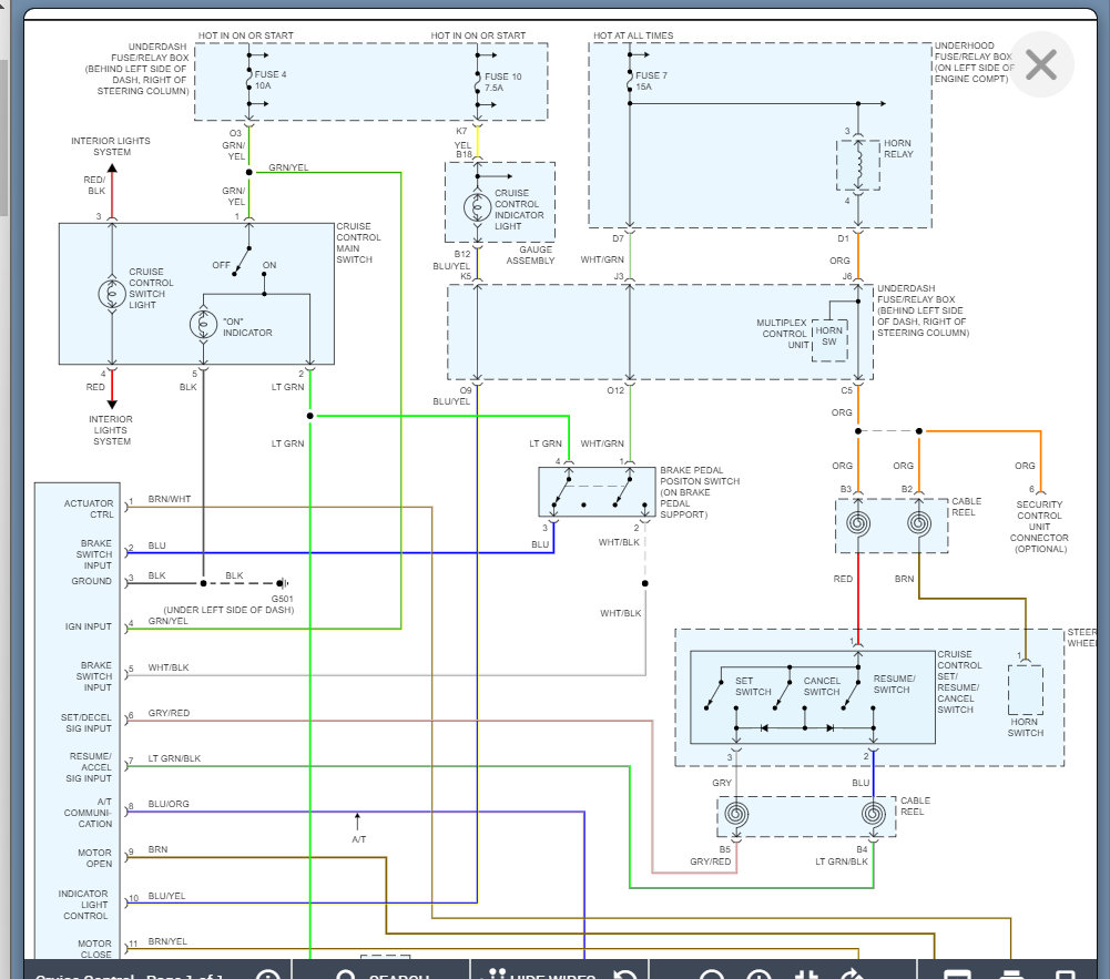
Based on the fact that they replaced the switch the next likely cause of not getting a voltage signal to the unit is the clock-spring, so we need to check resistance from the switch to the unit on the wiring shown below.

Basically, you will have an open circuit or high resistance which means the wiring or clock-spring is the issue. So once we know this info, we can narrow it down and go from there.

https://www.2carpros.com/articles/how-to-check-wiring

https://www.2carpros.com/articles/how-to-use-a-voltmeter

Let me know what questions you have. Thanks
Was this
answer
helpful?
Yes
No
Sunday, December 5th, 2021 AT 7:55 AM

Please login or register to post a reply.