Sunday, June 6th, 2021 AT 5:37 PM
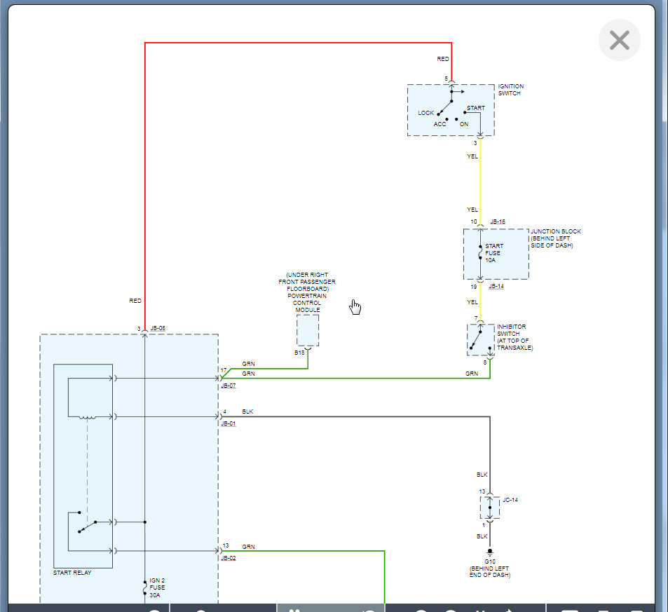
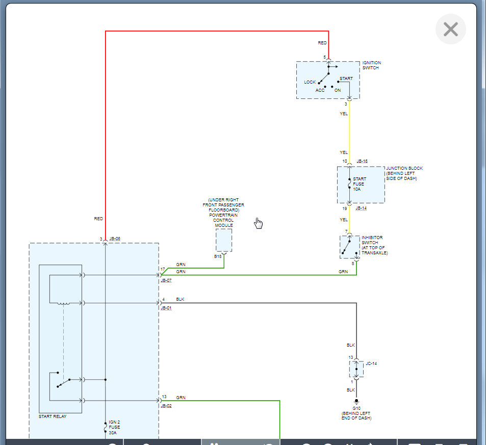
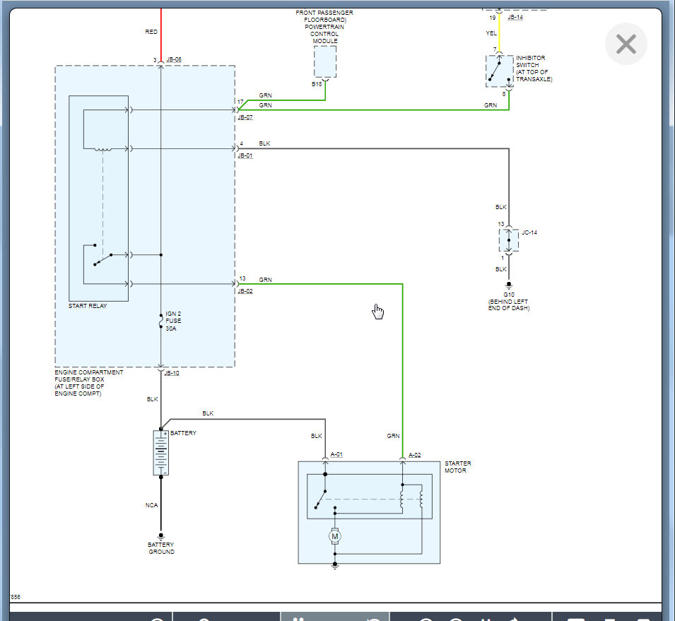
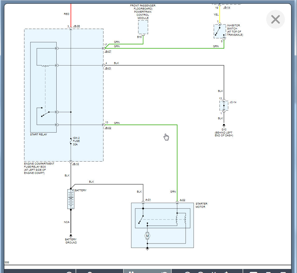
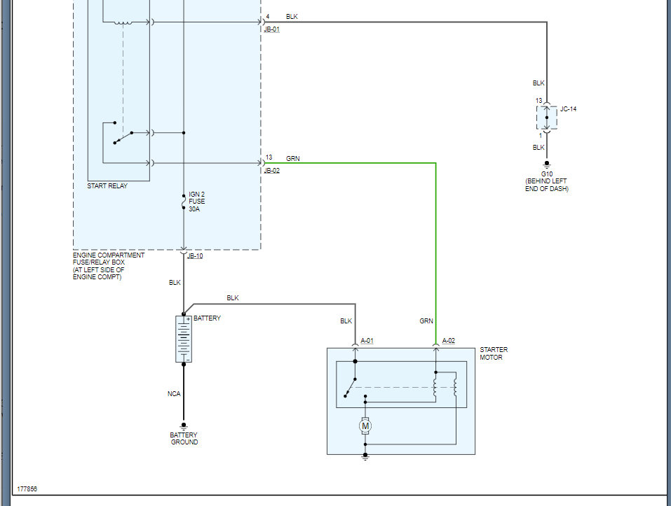
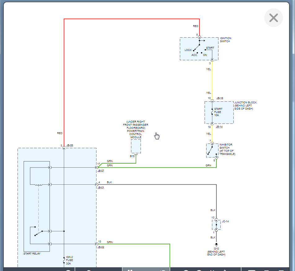
Van suddenly would not start. Would not even crank. Obd reader gave code p0335 crankshaft sensor and p0113 air temperature sensor. Replaced crankshaft sensor. Van still won't crank or start. What do I need to to? Realign the crankshaft to the sensor (20 pins down from center) or have a computer retrain the ECM to the new sensor? After replacing the crankshaft sensor, the OBD reader does not give that code anymore but continues to show the p0113. Will that prevent the van from starting?





