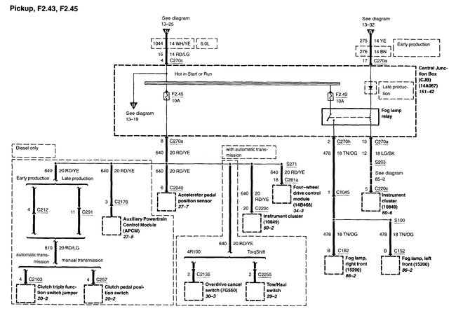
Wednesday, October 9th, 2019 AT 1:23 PM
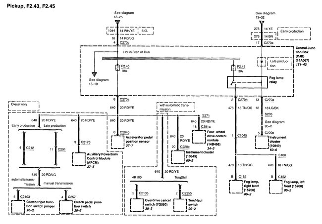
It cranks fine. I am not getting power on fuse number 30 and fuse number 45 when I'm supposed to have power. I am not getting power on the fuses. I would like to know where you could hook into within wires? I need a wiring schematic.



