I watched the video. It should go right in. Make sure there is nothing blocking it from seating. Also, step back and determine what is hitting that is not allowing you to get the right position. It is something stupid, I can almost guarantee it. Also, compare the new sensor to the one you replaced. Make certain it is exact.
I will be on here for awhile yet tonight, so I will keep checking for your reply. Let me know what you find.
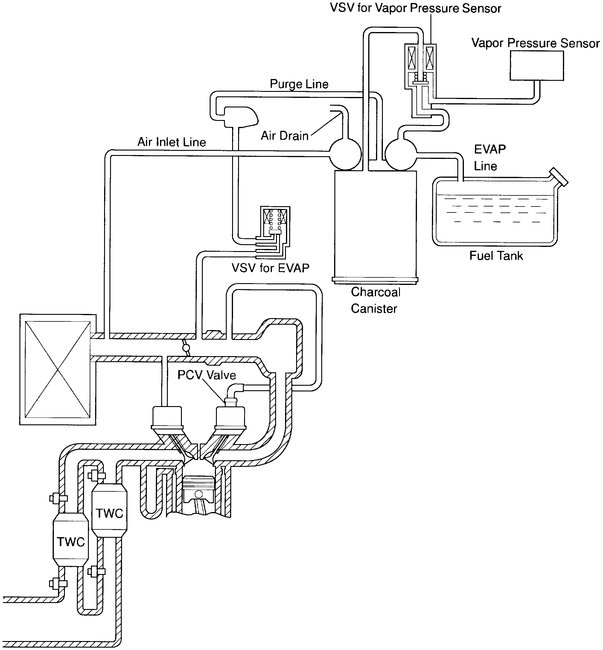
Also, you mentioned about a hose under the intake. Can you upload which hose you are referring to?
I have to tell you. Up to this point, it looks like you have done an excellent job. I have people working for me that are not that organized and neat about things. Just do not get frustrated, try again, step back and think what could be preventing you from getting it, and I bet you figure it out. There really is no trick. When installing it, try to turn it back and forth while applying light pressure.
I will keep my eye open for your reply.
Joe
Was this helpful?
Yes
No
Friday, November 30th, 2018 AT 8:02 PM










