Cranks but no running, no spark and ACD relay is not turning on?

Tiny
BLUECUTLASSKID
  • MEMBER
  • 1990 DODGE RAM
  • 5.2L
  • V8
  • 4WD
  • AUTOMATIC
  • 69,245 MILES
Recently replaced the ECM complete distributor with a new cap and rotor. I am not getting spark nor is the ACD relay turning on. When I try to start the truck, I have verified that relay is good and getting power coil positive and negative seem to be grounded and that is with key on and off no change ASD relay turns on when ground is applied to ECM ground wire coming off relay all fusible links seem to be good. I am at a loss.
Sunday, July 10th, 2022 AT 9:14 PM

1 Reply

Tiny
AL514
  • MECHANIC
  • 5,568 POSTS
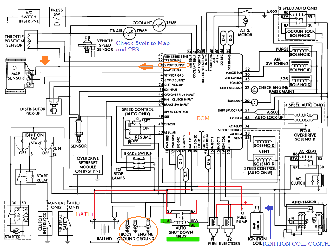
Hello, what sub model truck is this? D 150-350, W 150, etc.? And unfortunately, the wiring diagrams we have for a vehicle this old are not the best, but we'll do what we can here. Do you have power to the Ignition Coil? And you said the ASD Relay is good, but when you energized the relay have you checked across the load side of the relay.... A lot of relays will click and appear to be okay, but with a truck this old the contacts on the load side of the relay are going to have carbon build up from so many years of use. Looking at the wiring diagram, the Ignition coil, Fuel Injectors and Fuel Pump are powered up from the same power feed Pin 87 on the ASD relay. I just want to make sure I understand you correctly, you said you're getting power coil positive and negative ground, are you meaning the coil of the relay?
If you have a 12-volt test light, you can hook it to battery Positive and touch the test light to the Ignition Coil negative and while cranking you should get a flash on the test light. Thats the ECM controlling the Ignition Coils negative side.
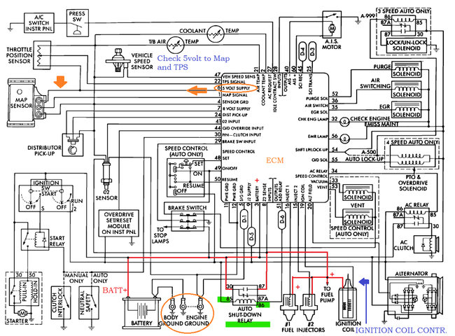
If you are pretty sure it's an issue with the ASD relay control, I would pull up the box (panel) that the relay is in and check the pins underneath. They tend to get corroded and rot off from underneath. That would explain why you can Ground the relay and get it to work. There might be an open circuit from Pin 86 to the ECM. Sorry for the quality of this wiring diagram, it is the only one I can find. There are no wire colors, so I marked in red what is 12-volt power. Also check that you have 5-volt ref at the MAP sensor and the Throttle Position sensor. Both are three wire sensors, one wire should be 5 volts with key in the on position, if its missing that can mean that the ECM is not powered up. Also, if it is missing, try unplugging each sensor and see if it returns, a shorted sensor will pull the 5-volt reference to ground and not allow the ECM to operate. But I think you're going to find either a bad relay or wiring issue with a truck this old. Checking underneath the fuse and relay panels is a good place to find a pin or wire rotted off.
We need to find out what you are missing, so if you have a multimeter, check for power at the Ignition Coil, with the key in just the On position you will have power coming through the Ignition coil, so with a test light it will light up on both pins of the Ignition Coil, when cranking one side will flash, that's the control side from the ECM grounding the Ignition Coil.
You should get the same flashing test light on the negative side of the Fuel Injectors with the test light hooked to battery positive.

https://www.2carpros.com/articles/how-to-test-a-fuel-injector
Was this
answer
helpful?
Yes
No
Monday, July 11th, 2022 AT 3:23 PM

Please login or register to post a reply.