Friday, June 16th, 2023 AT 10:15 AM
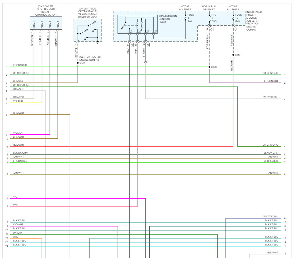
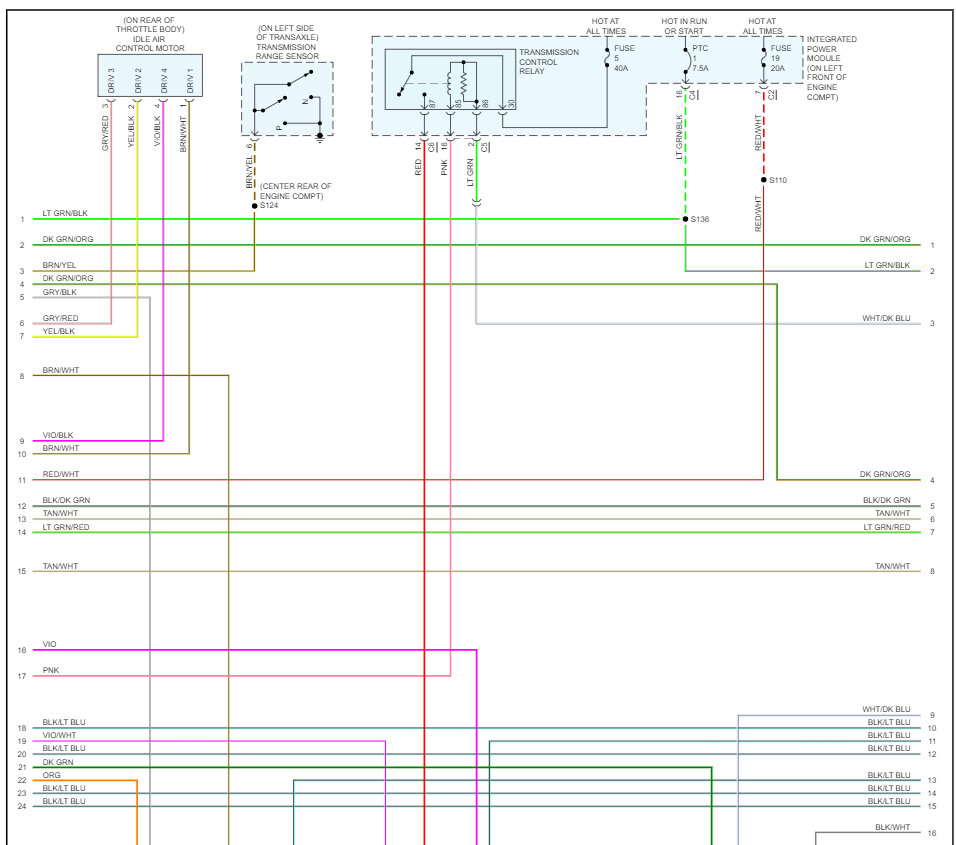
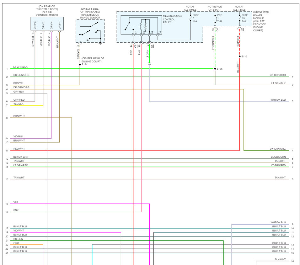
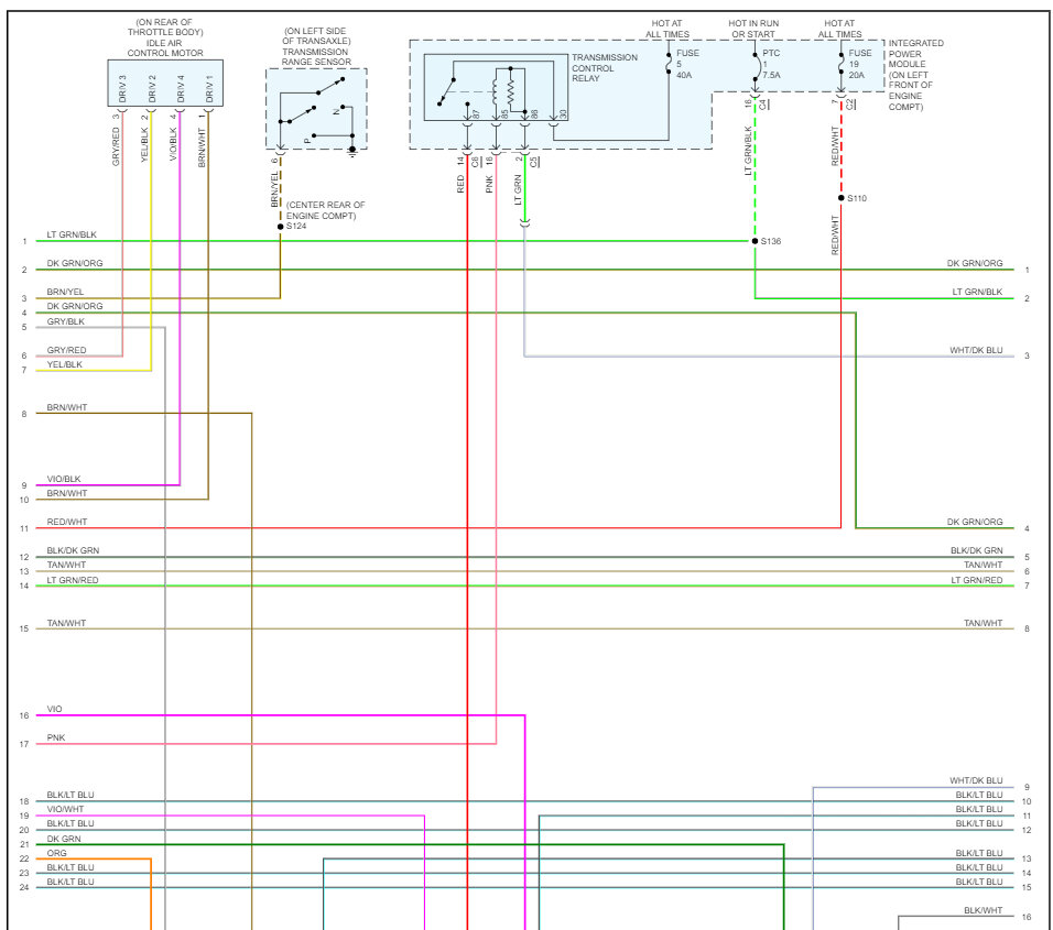
Engine turns over. No power to fuel pump. Relays are good fuses are good with power to both. The truck shut down one day and replaced the fuel pump. Started and ran for a few minutes then shut off. Tried to re start just cranked. But then after a few it started and ran for about a minute or two then shut off again. And it hasn't started since nor is there power to the pump, but it will turn over.













