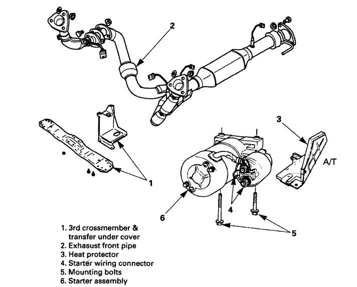
Tuesday, October 15th, 2019 AT 4:00 AM
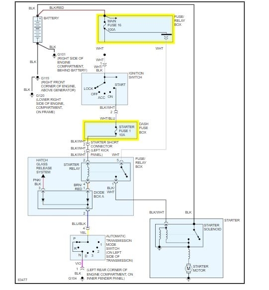
Swapped the transmission out and now that I got it back in and everything it won't crank. It sounds like the starter is getting hung or something not really sure.



