Engine cranks but does not start

Tiny
BRIANS05
  • MEMBER
  • 2005 CHEVROLET SILVERADO
  • 5.7L
  • V8
  • 4WD
  • AUTOMATIC
  • 270,000 MILES
Buddy tried to put cheap radio I got 6-disc CD changer am/FM Bose speaker/amp cut the radio plug disassembled it. I tried to wire it back the truck starts then shuts off. I put resistor in switch to bypass passkey lock security light does not flash never did. Did the relearn, can hear fuel pump cut on. Pressure on the rail, still cranks and shuts off.
Thursday, January 27th, 2022 AT 5:11 PM

1 Reply

Tiny
CARADIODOC
  • MECHANIC
  • 34,489 POSTS
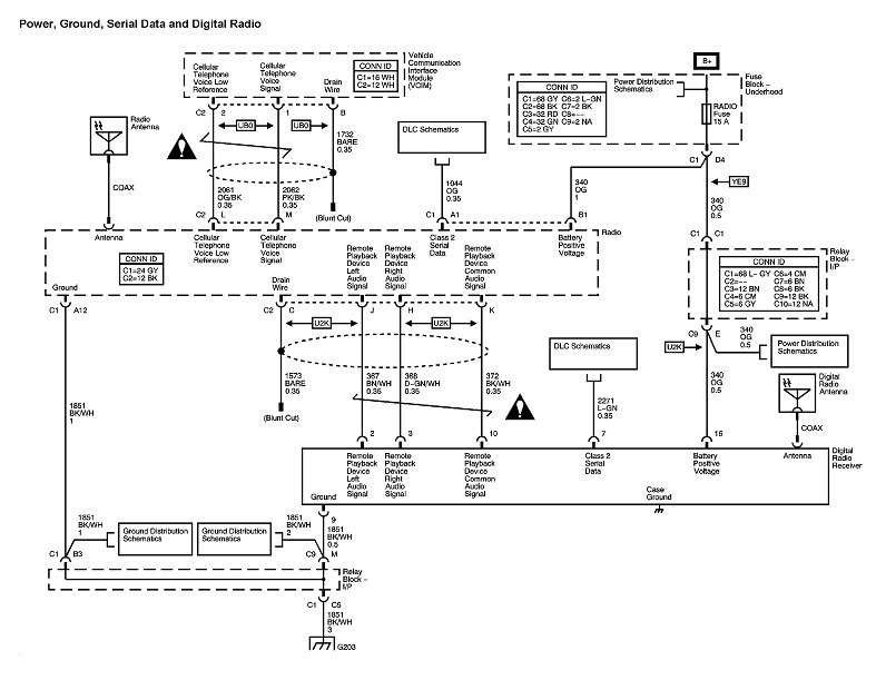
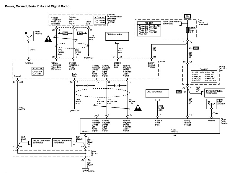
You can't remove the original radio. GM built the Body Computer into it, so you have to get a defective radio repaired.

If you want to pursue this, you'll need to reattach the original plugs, then look for an aftermarket "radio relocation" kit. That is a wiring harness that allows you to mount the original radio under the passenger seat to keep the Body Computer functions. That is the master computer that tells all the other computers when to turn on. You can cut the speaker wires in the dash and connect them to your new radio.

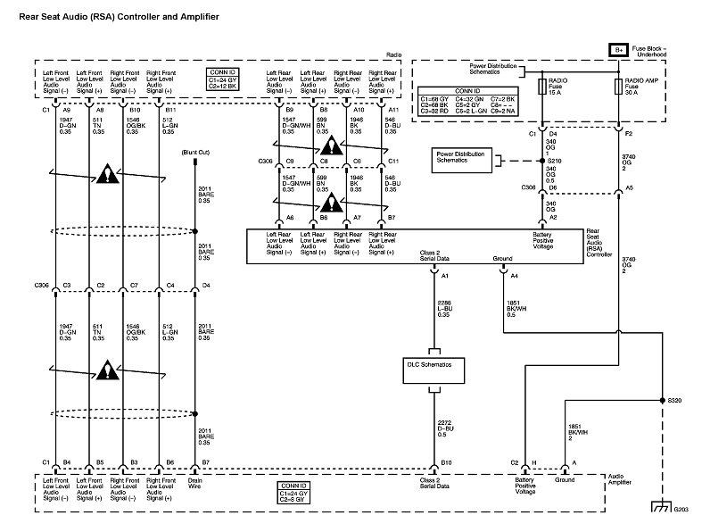
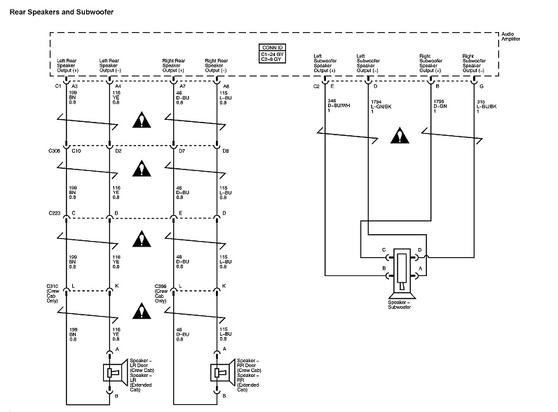
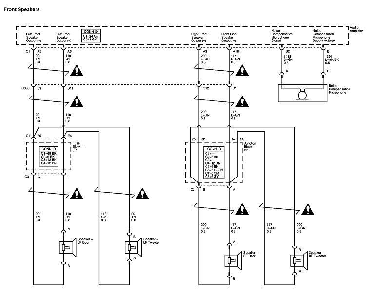
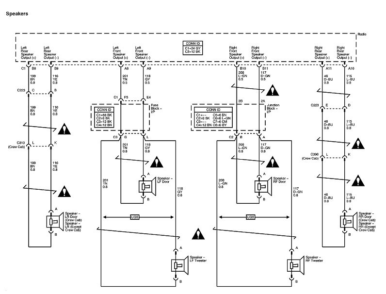
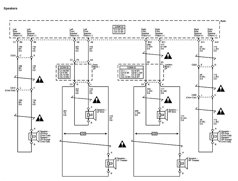
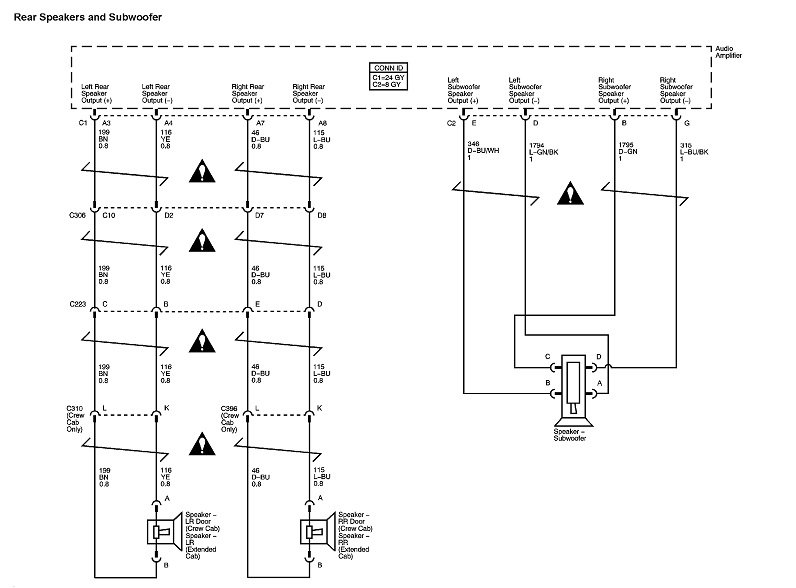
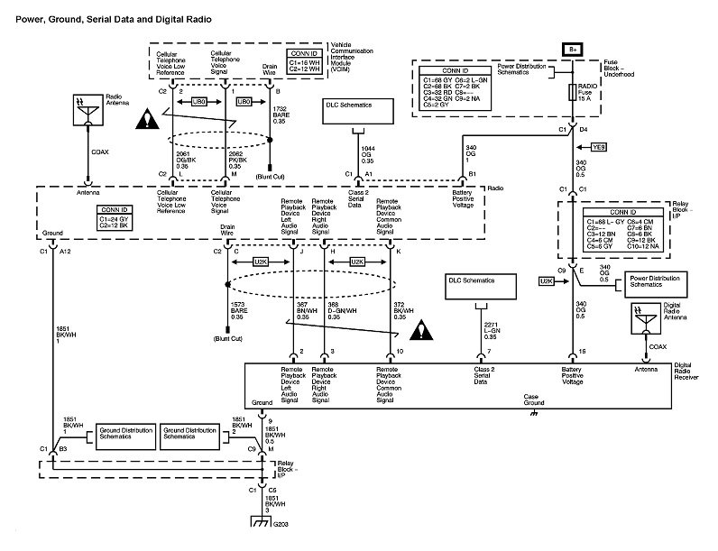
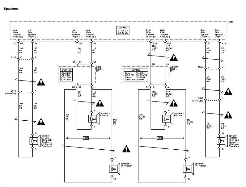
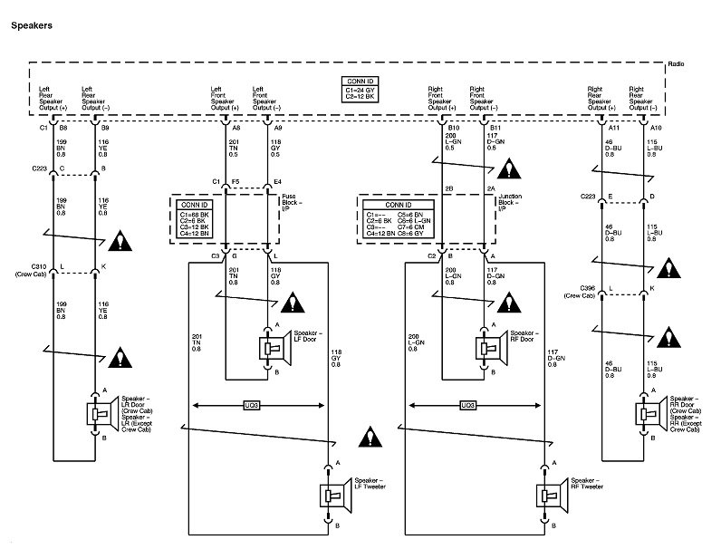
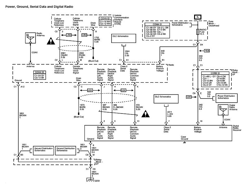
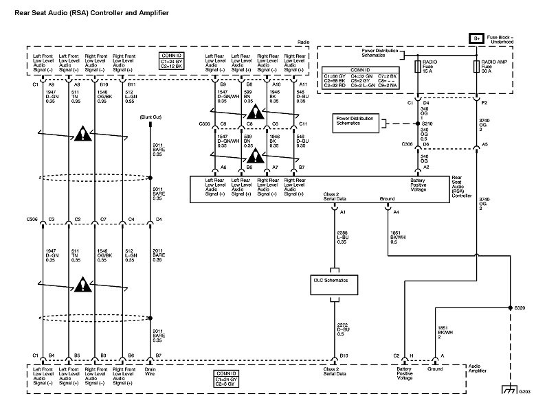
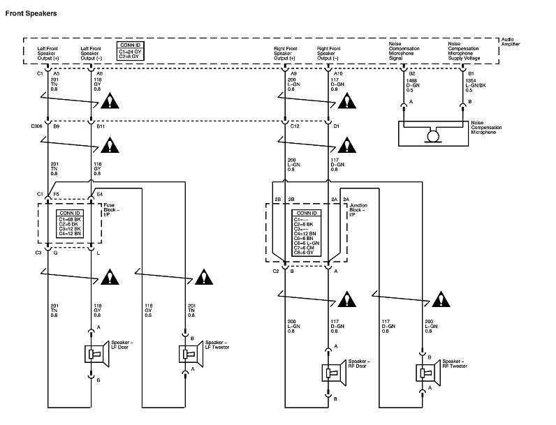
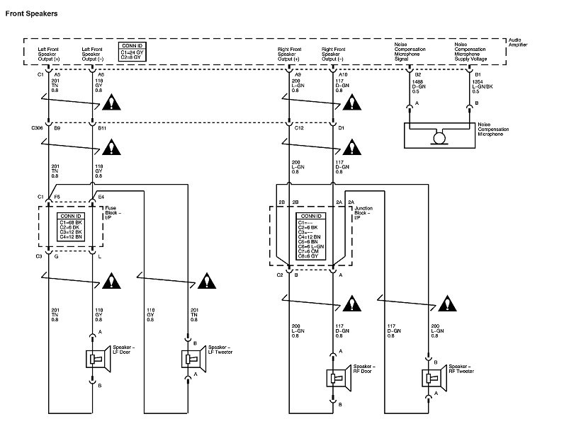
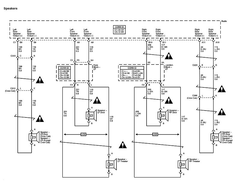
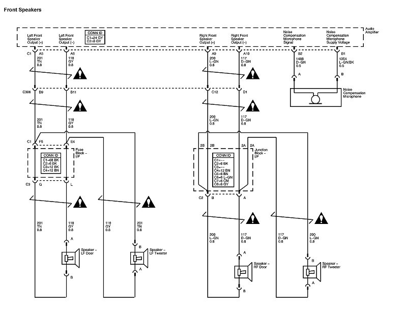
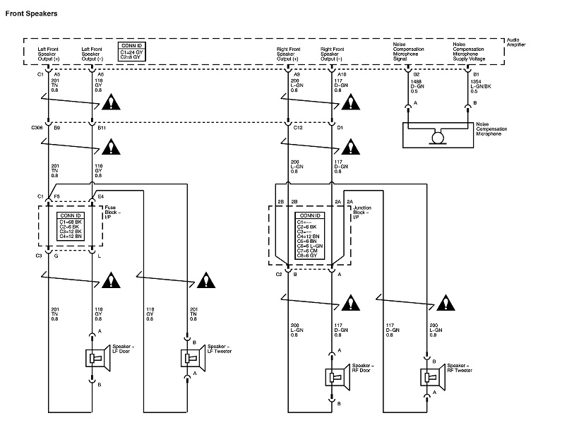
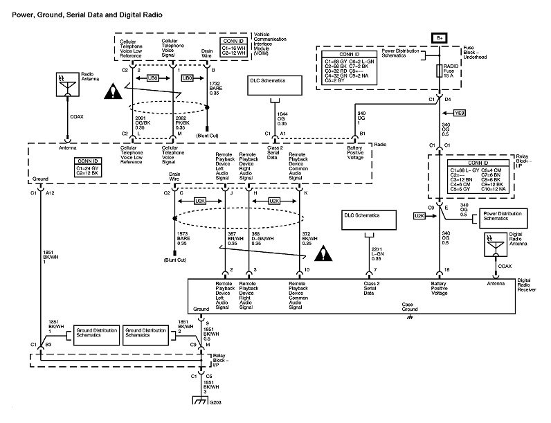
These first two diagrams are for the base radio. The next six are for the "Luxury" radio. There's other radio versions too. Let me know if you need more diagrams or if you need me to cut these up so they can be expanded. The last three drawings are for the radio connectors. Here again there are other versions, so let me know if these aren't the right ones or if you can't read them.
Was this
answer
helpful?
Yes
No
Thursday, January 27th, 2022 AT 5:21 PM

Please login or register to post a reply.

Related Engine Not Running Content

Car Cranking but Not Starting? Try This
VIDEO