Codes P198, P335 and P523?

Tiny
BHAMDOC1973
  • MEMBER
  • 2011 DODGE RAM
  • V8
  • 2WD
  • AUTOMATIC
  • 150,000 MILES
Dodge Ram 1500 5.7l. Take 7-8 to start every time, has a minor rough idle. Codes were with ignition on:
P198 intake air sensor
P300
P307
P335 CPS
P198 Oil Temperature Sensor
P523 Oil Pressure Sensor

Deleted all before starting and ll that's on before starting were P198, P335, and P523
Start with the CPS I assume?
Tuesday, November 1st, 2022 AT 2:59 PM

24 Replies

Tiny
JACOBANDNICKOLAS
  • MECHANIC
  • 110,194 POSTS
Hi,

The crankshaft position sensor will usually cause issues when the engine is at operating temperature or all the time.

The one that has my attention is the IAT sensor. The PCM uses info from this sensor to control Injector pulse-width and to adjust spark timing.

However, I want you to try something before anything. When you say it takes 7-8 to start every time, do you mean that many attempts or it cranks for 7 to 8 seconds? If you meant attempts, try this, and let me know what happens.

1) With the key off, turn it to the run position (engine off) and count to 5.

2) Turn the key off and repeat step 1 a total of 5 times.

3) On the sixth cycle, see if it starts normally.

If that makes no difference, I would move to the IAT sensor. I attached the directions for the removal and replacement of the component below

Let me know the results.

Take care,

Joe

See pics below.
Was this
answer
helpful?
Yes
No
Tuesday, November 1st, 2022 AT 8:34 PM
Tiny
BHAMDOC1973
  • MEMBER
  • 2,018 POSTS
Sorry if it wasn't clear. I meant, you get in the car, and you start it normally. I am holding the key for 6-8 seconds before it starts. So, no not 6-8 attempts. I will try what you said first, thanks.
Was this
answer
helpful?
Yes
No
Wednesday, November 2nd, 2022 AT 7:01 AM
Tiny
BHAMDOC1973
  • MEMBER
  • 2,018 POSTS
Is it not this one?
Was this
answer
helpful?
Yes
No
Wednesday, November 2nd, 2022 AT 7:39 AM
Tiny
BHAMDOC1973
  • MEMBER
  • 2,018 POSTS
I tried that method and made no difference.
Was this
answer
helpful?
Yes
No
Wednesday, November 2nd, 2022 AT 7:53 AM
Tiny
JACOBANDNICKOLAS
  • MECHANIC
  • 110,194 POSTS
Then it isn't a fuel pressure drop-off issue. The pic you attached above shows the intake air temperature sensor (IAT).

See pic below.

Joe
Was this
answer
helpful?
Yes
No
Wednesday, November 2nd, 2022 AT 1:34 PM
Tiny
BHAMDOC1973
  • MEMBER
  • 2,018 POSTS
I replaced the CPS and it did nothing. Also, code still is deleted and comes back as soon as I start it. I may have gotten confused. So, you are saying it could be the IAT, because if it did work after 5 trials of on and off it could have been related to something like a fuel pump, correct?
Was this
answer
helpful?
Yes
No
Thursday, November 3rd, 2022 AT 3:16 PM
Tiny
JACOBANDNICKOLAS
  • MECHANIC
  • 110,194 POSTS
Hi,

When you say CPS, do you mean the crankshaft position sensor? Also, the idea behind the 5 times turning the key on and off is to force the system to pressurize the fuel system. If that was the issue (fuel pressure drop) this procedure would have allowed, it to start normally. Since it didn't, the pressure isn't my primary focus.

Did you do anything with the intake air temperature sensor?

Let me know.

Joe
Was this
answer
helpful?
Yes
No
Thursday, November 3rd, 2022 AT 8:17 PM
Tiny
BHAMDOC1973
  • MEMBER
  • 2,018 POSTS
No not yet. I ordered one
Was this
answer
helpful?
Yes
No
Friday, November 4th, 2022 AT 5:53 AM
Tiny
BHAMDOC1973
  • MEMBER
  • 2,018 POSTS
Unfortunately, the new IAT sensor I showed you above did not solve it. Still have the 3 codes of oil pressure and crankshaft position sensor. May be the CPS I bought since its off of Amazon is no good, must be a Mopar.
Was this
answer
helpful?
Yes
No
Friday, November 4th, 2022 AT 11:14 AM
Tiny
BHAMDOC1973
  • MEMBER
  • 2,018 POSTS
Measured with test light and one of the wires has power on with engine off key on. Also is it possible the pressure sensors, am guessing teo here, one for temperature and one for pressure are causing this? Both I am sure are bad.
Was this
answer
helpful?
Yes
No
Friday, November 4th, 2022 AT 11:46 AM
Tiny
BHAMDOC1973
  • MEMBER
  • 2,018 POSTS
Here.
Was this
answer
helpful?
Yes
No
Friday, November 4th, 2022 AT 11:47 AM
Tiny
JACOBANDNICKOLAS
  • MECHANIC
  • 110,194 POSTS
Hi,

The oil temperature sensor isn't even providing a signal. Also, 96 psi for pressure is extreme. Was the engine at idle?

Joe
Was this
answer
helpful?
Yes
No
Friday, November 4th, 2022 AT 8:12 PM
Tiny
BHAMDOC1973
  • MEMBER
  • 2,018 POSTS
Yes, engine at idle, but I saw couple of forums that said if you see it at 96, which is the limit for it, and it doesn't change, then its bad.
Was this
answer
helpful?
Yes
No
Friday, November 4th, 2022 AT 8:42 PM
Tiny
JACOBANDNICKOLAS
  • MECHANIC
  • 110,194 POSTS
Hi,

Is it constantly at 96? I attached specs below for you to review. It indicates between 25 PSI and 110 PSI at 3,000 RPMs. If you are at 96 PSI at idle, either we have a resistance issue in the wiring, or the sensor is bad.

Joe
Was this
answer
helpful?
Yes
No
Friday, November 4th, 2022 AT 9:49 PM
Tiny
BHAMDOC1973
  • MEMBER
  • 2,018 POSTS
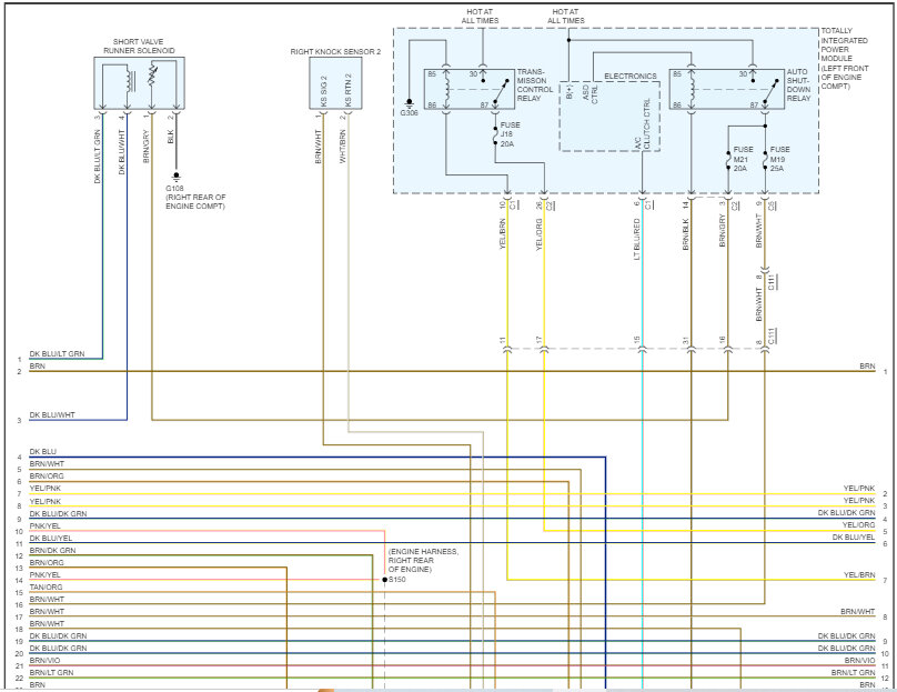
I found out what the problem is, the harness is damaged at the intersection that goes to all three sensors, oil pressure, temperature and cps. I am having difficulty with the colors as there are so many blue-looking colors. I ordered the pigtail for the oil pressure sensor as the wires are damaged to the end of the clip. Can you send me a diagram of that part of the harness going to these sensors? Trying to figure out what connects where and how it distributes to the knock and cps once it leaves the oil temperature and pressure sensors.
Was this
answer
helpful?
Yes
No
+1
Wednesday, November 9th, 2022 AT 9:29 AM
Tiny
JACOBANDNICKOLAS
  • MECHANIC
  • 110,194 POSTS
Hi,

I attached the entire powertrain management circuit, but that may be worse or more confusing for you. The way the manuals are set up, I can't pull one separate harness.

I highlighted each of the three components you mentioned.

The schematic is five pages long, but I had to cut each pin in half to make them readable. I did overlap them for you.

Let me know if this helps.

Take care,

Joe

See pics below.
Was this
answer
helpful?
Yes
No
Wednesday, November 9th, 2022 AT 4:52 PM
Tiny
BHAMDOC1973
  • MEMBER
  • 2,018 POSTS
Thanks, that helps. Those blue wires are hard to distinguish. I don't see the oil temperature sensor.
Was this
answer
helpful?
Yes
No
Wednesday, November 9th, 2022 AT 5:14 PM
Tiny
JACOBANDNICKOLAS
  • MECHANIC
  • 110,194 POSTS
Hi,

Are you referring to the trans oil temperature sensor? It's in pic 7. I copied it and attached it below.

Let me know.

Joe
Was this
answer
helpful?
Yes
No
Wednesday, November 9th, 2022 AT 7:23 PM
Tiny
BHAMDOC1973
  • MEMBER
  • 2,018 POSTS
No engine oil temperature, the one above the oil filter. This whole circuit extends from the same harness: temperature sensor, pressure sensor, knock sensor and CPS.
Was this
answer
helpful?
Yes
No
Wednesday, November 9th, 2022 AT 7:30 PM
Tiny
JACOBANDNICKOLAS
  • MECHANIC
  • 110,194 POSTS
Hi,

There is nothing in the schematic indicating an engine oil temperature sensor. The sensor above the filter is the oil pressure sensor. See the pic below.

Let me know.

Joe

See pic below.
Was this
answer
helpful?
Yes
No
Wednesday, November 9th, 2022 AT 8:55 PM

Please login or register to post a reply.