After replacing engine I am not getting any spark from the coil

Tiny
SLC240
  • MEMBER
  • 1996 DODGE RAM
  • 225,000 MILES
I replaced the engine and have everything hooked up correctly as far as I can tell. I tried starting the engine but I get no spark from the coil. This is a 5.9 liter magnum engine. I have checked the circuit to the coil and cannot get 12V. I hooked up a small wiring harness between the coil and the connector and checked for voltage and have no voltage, then I tried that while starting and got a flash of 11.93 volts then it dropped off to 0 voltage. This circuit also includes the injectors and I get no pulse for them. I would like to know where this circuit starts and any information about testing this circuit. Also can you point me to a more indepth wiring diagram than in the Haynes manual.

Thanks guys and I'm sure you will need more information from me but this is a starting point.

John

Tuesday, November 29th, 2011 AT 6:31 PM

6 Replies

Tiny
FIXITMR
  • MECHANIC
  • 9,990 POSTS
Was engine same as 1 removed? Did you switch over components to match computer already in vehicle?
Was this
answer
helpful?
Yes
No
Tuesday, November 29th, 2011 AT 6:39 PM
Tiny
SLC240
  • MEMBER
  • 3 POSTS
Yes, it is the same engine. The only things changed was a small change to the cam but well within the limits of the OEM PCM parameters, a stock OEM replacement distributor and new heads with roller rockers. Other than those items it is completely the same as when I pulled the engine. I thought it might be the distributor but if I'm not getting 12V to the coil it is my assumption that the distributor is not even in play yet.
Was this
answer
helpful?
Yes
No
Tuesday, November 29th, 2011 AT 7:13 PM
Tiny
FIXITMR
  • MECHANIC
  • 9,990 POSTS
No crank sensor signal could cause these symptoms.
Was this
answer
helpful?
Yes
No
Wednesday, November 30th, 2011 AT 6:49 PM
Tiny
FIXITMR
  • MECHANIC
  • 9,990 POSTS
Also check your ASD relay.
Was this
answer
helpful?
Yes
No
Wednesday, November 30th, 2011 AT 6:58 PM
Tiny
SLC240
  • MEMBER
  • 3 POSTS
That's what I was thinking but I wasn't sure if the crank sensor would completely shut down the circuit or if it would just run rough. I swapped out the asd relay with another relay and got the same symtom. I will look into the crank sensor tomorrow, I also wanted to know if the camshaft sensor would cause a complete shutdown of that circuit too.
Was this
answer
helpful?
Yes
No
Thursday, December 1st, 2011 AT 1:06 AM
Tiny
RIVERMIKERAT
  • MECHANIC
  • 6,110 POSTS
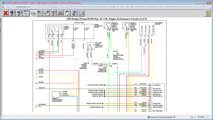
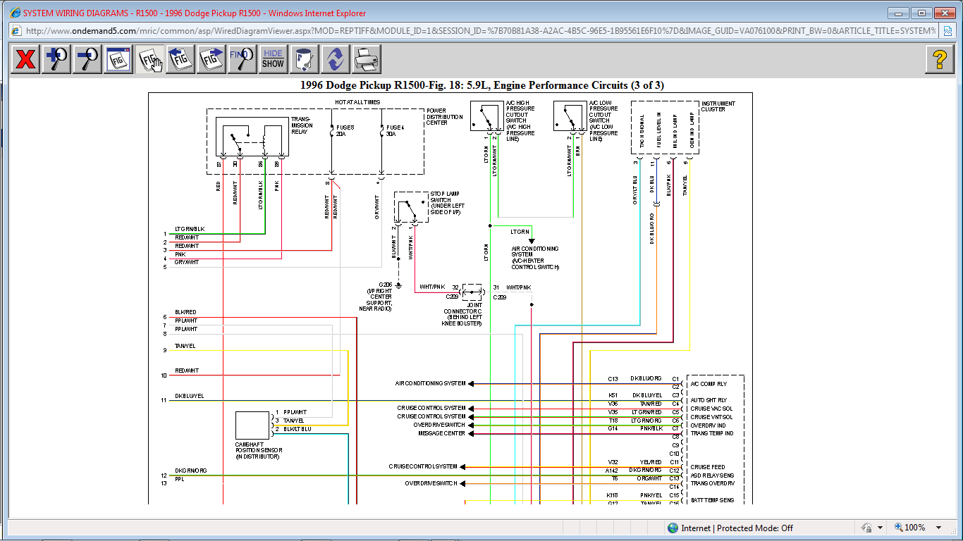
Slc240: I have attached 6 images which are screenshots of the engine performance schematics that we have. There are 3 schematics, but I'm unable to download them, so I blow them up and take screenshots.
Was this
answer
helpful?
Yes
No
Saturday, December 10th, 2011 AT 3:57 AM

Please login or register to post a reply.