Sunday, July 19th, 2020 AT 3:30 PM
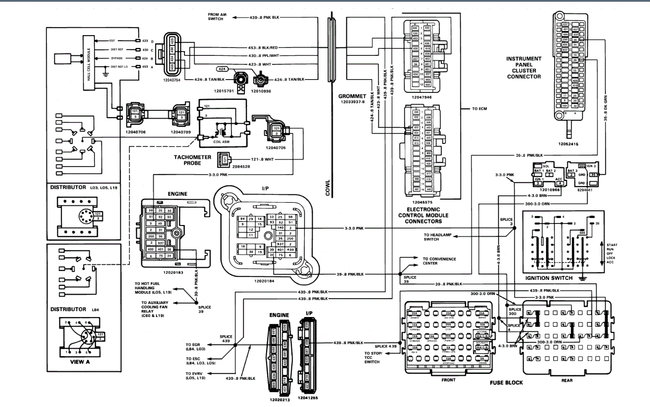
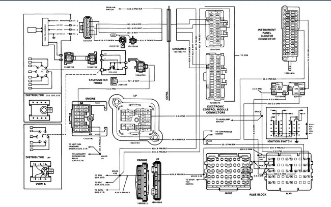
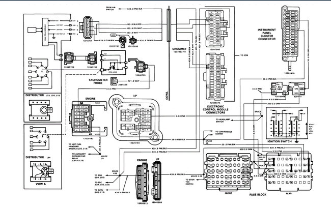
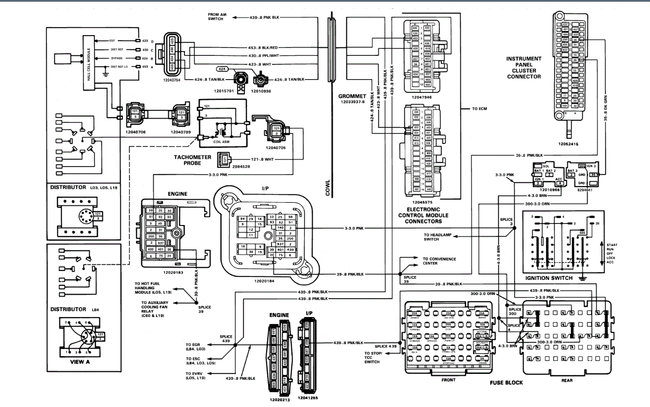
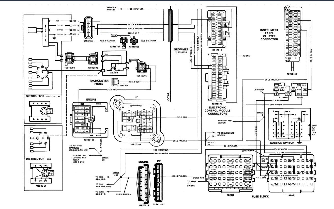
I have the truck listed above 1500 model with the first gen throttle body injection. At first we were not getting fuel to the throttle body we replaced the fuel filter and started getting fuel to the throttle body but the accessory pump to the injectors was not moving fuel from the lines to the injectors. So we replaced the pump and injectors and was getting fuel to the cylinders, still no start. (Bearing in mind it's never been touched up to this point as far as I can tell) once I had fuel and no start I checked spark and distributor timing and found I wasn't getting any spark/signal from ignition coil to distributor, no signal from ICM in distributor to coil so I replaced the coil and distributor, had spark. Then no spark to plugs wires were tested on another Chevrolet I have laying around, wires send strong signal, checked plugs and they were fried so I replaced. I now have fuel and spark and good compression but still will start it was driving literally 10 hours ago then it was parked and not ten minutes later went to start it and it just cranks. What am I missing? My fuel pressure is 13 psi and compression is 176 +/- 2 psi in both directions. I'm seriously at a loss at this point.





