Crank no start

Tiny
SOREN HOYER
  • MEMBER
  • 1993 CHEVROLET 1500
  • 5.7L
  • V8
  • 4WD
  • AUTOMATIC
  • 230,000 MILES
I have the the truck listed above that has had an issue for a while where I can start it it will run good for a while then shut off like you took out the key. Then when you try starting it again It will crank but wont start. It has been troubling me for ages because the engine was rebuilt about 10,000 miles ago and shouldn't have an issue like this. What do I do I think it could be the fuel pump or the ignition?
Sunday, March 21st, 2021 AT 8:30 PM

8 Replies

Tiny
DANNY L
  • MECHANIC
  • 5,648 POSTS
Hello, I'm Danny.

Yes, it sounds like you might be having a fuel pump-fuel pressure issue. Your fuel pump might be weak or failing and not supplying adequate pressure causing this issue. Here is a tutorial for you to view showing how to test fuel pressure:

https://www.2carpros.com/articles/how-to-check-fuel-system-pressure-and-regulator

If you don't have access to a fuel pressure tester most auto parts stores have a tool loaner program and can rent you one. The fuel pressure specification should be 9-13 PSI with the key on and engine off. Get back to us after testing and we'll go from there. Hope this helps and thanks for using 2CarPros.
Was this
answer
helpful?
Yes
No
+1
Monday, March 22nd, 2021 AT 9:28 AM
Tiny
SOREN HOYER
  • MEMBER
  • 5 POSTS
Thank you very much. I need to buy a fuel pump and I will test the problem.
Was this
answer
helpful?
Yes
No
Monday, March 22nd, 2021 AT 12:36 PM
Tiny
SOREN HOYER
  • MEMBER
  • 5 POSTS
Hey Danny, so I finally got some time to work on the truck and it has good fuel pressure. So I'm starting to wonder what the issue is. Because today it ran with no issues and would start fine and ran for an hour just fine.
Was this
answer
helpful?
Yes
No
Wednesday, March 24th, 2021 AT 12:40 PM
Tiny
DANNY L
  • MECHANIC
  • 5,648 POSTS
Hello again.

It sounds like you might be having a ground issue at the fuel pump-fuel tank area. The 88-98 obs trucks are notorious for this happening. Here is a tutorial showing how to check wiring:

https://www.2carpros.com/articles/how-to-check-wiring

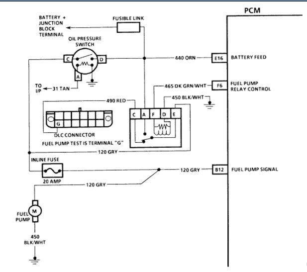
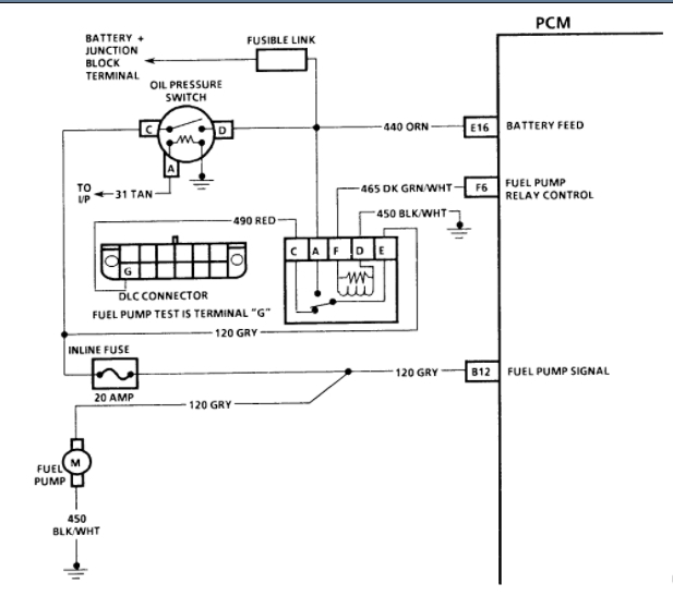
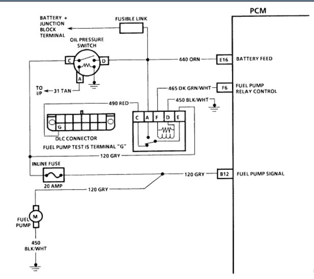
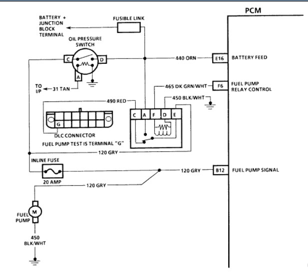
I've attached the fuel pump wiring diagram below for your truck. The first thing I would suggest is to check the fuel pumps ground to make sure its not loose, broken, corroded, or otherwise damaged. Get back to us and let us know what you find and we'll go from there. Attached is a picture of my 1989 K1500 below. Hope this helps and thanks for using 2CarPros.

Danny-
Was this
answer
helpful?
Yes
No
Thursday, March 25th, 2021 AT 8:29 PM
Tiny
SOREN HOYER
  • MEMBER
  • 5 POSTS
Hey Danny, so I went over the ground wires for the pump and it's still having the issue I can hear the fuel pump now though. It will run for a lot longer now but when I take the key out and try starting it again the truck just sits there and cranks and won't start. Could it be spark I know with the 1990s Chevrolet's they had issues with the distributor some times it just doesn't seem like it should have had an issue.
Was this
answer
helpful?
Yes
No
Friday, March 26th, 2021 AT 7:55 PM
Tiny
JACOBANDNICKOLAS
  • MECHANIC
  • 110,194 POSTS
Hi,

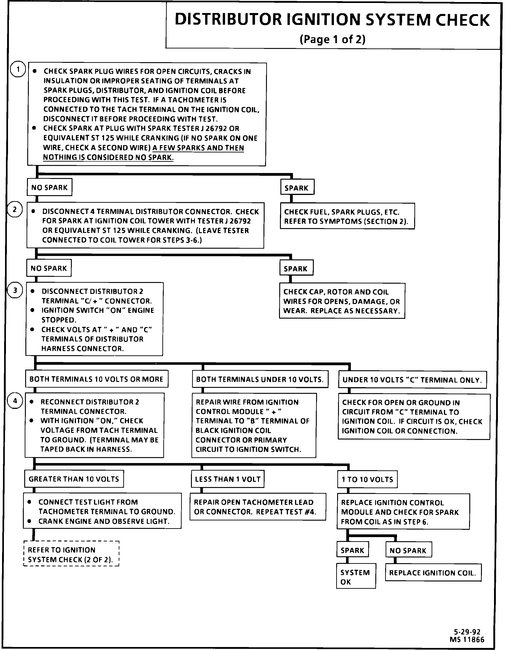
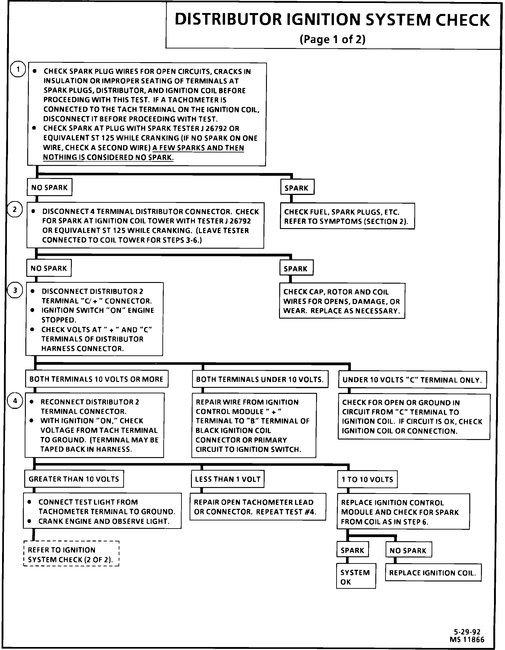
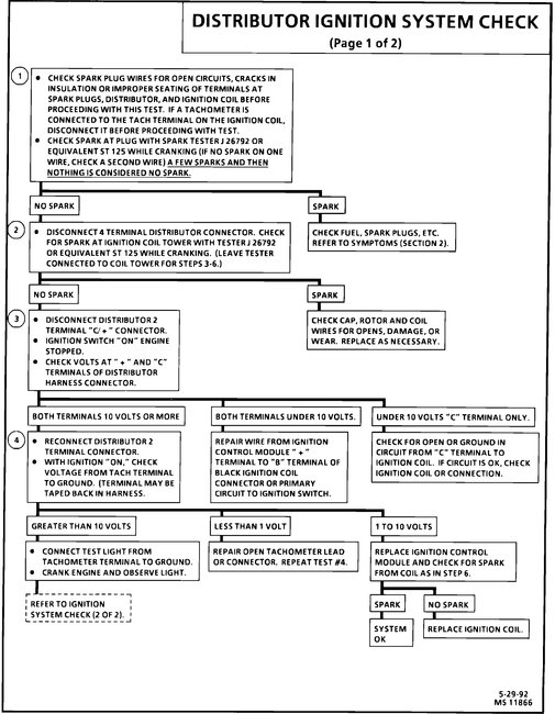
I noticed it has been a couple of days since we heard from you. Has any progress been made? Also, I read through the thread and if you have good fuel pressure, that isn't the issue. So, yes I recommend checking for spark when it won't start. Here is a link to help with that:

https://www.2carpros.com/articles/how-to-test-an-ignition-system

Also, if it won't start, see if it will if you use starting fluid. If it starts and then stalls, then we know it is fuel-related. If it still won't start, then it is likely ignition-related.

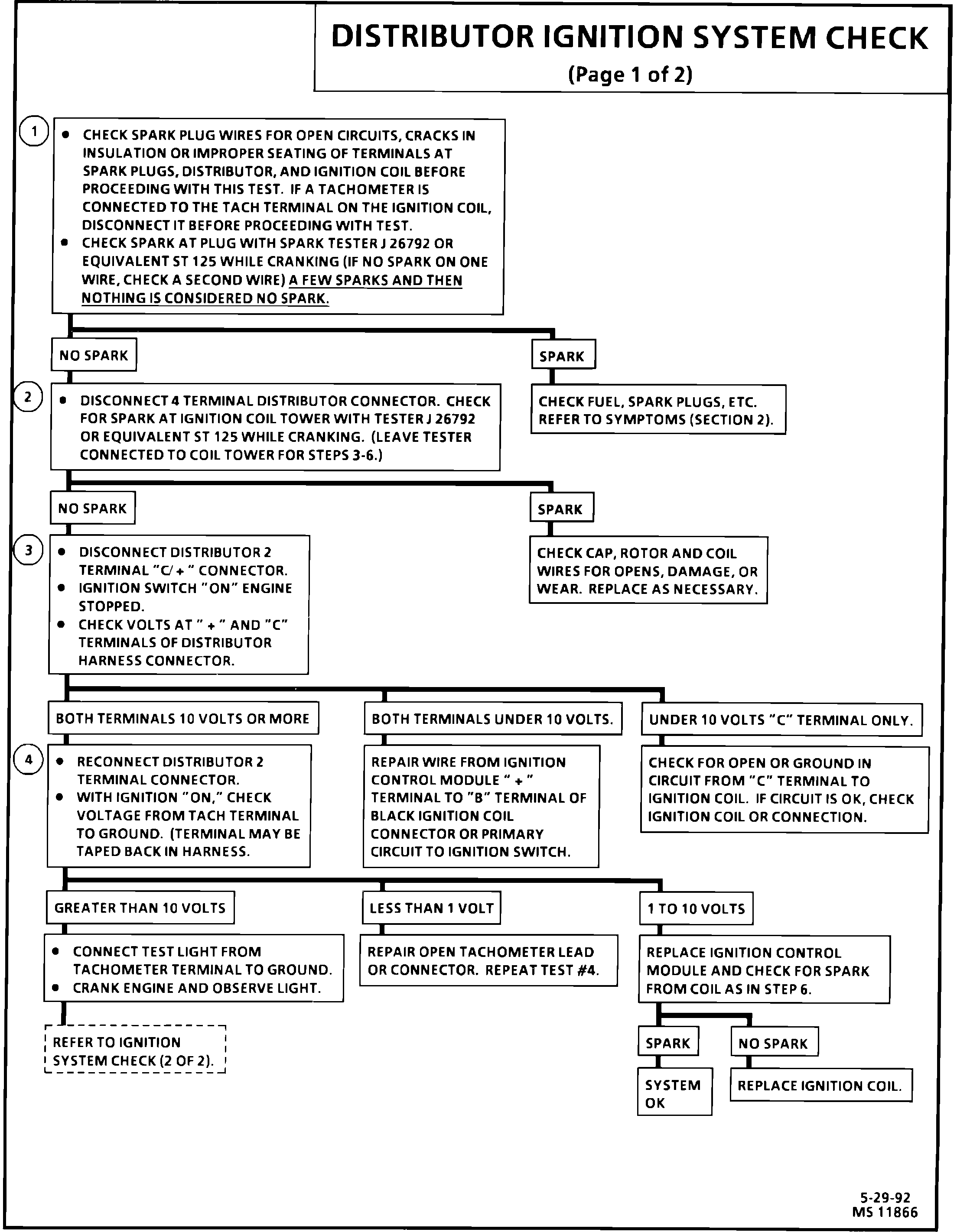
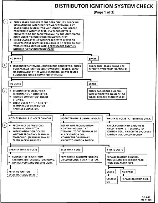
Now, if there is no spark, there is a good chance the ignition control module is bad. What I need you to do is perform the tests listed below in the attachment section.

Also, if you haven't already, check to see if there are diagnostic trouble codes stored in the system. This truck has an OBD1 system. You don't need a scan tool to check it. All that is needed is a short jumper wire or even a paper clip. Here is a link that explains how to check for codes:

https://www.2carpros.com/articles/buick-cadillac-chevy-gmc-oldsmobile-pontiac-gm-1983-1995-obd1-code-definitions-and-retrieval-method

If there are codes, let us know what they are.

Let us know what you find or if you have other questions

Take care,
Joe

See pics below.
Was this
answer
helpful?
Yes
No
Sunday, March 28th, 2021 AT 8:50 PM
Tiny
SOREN HOYER
  • MEMBER
  • 5 POSTS
Sorry I forgot to post but Saturday. I had went and picked up a new fuel pump just to make sure it wasn't a fuel issue and because the old pump might have been the original meaning it had 230,000 miles and hadn't been replaced before. So I replaced it and since then I've had the truck running stronger then I have ever had it running before. Thank you guys for all the help I had brought this truck to many of the local mechanics and none of them could figure out the problem (I guess they aren't the best mechanics) you guys are the best and I'm very happy to say if I have any problems with a car/truck again I'm turning to this website again.
Was this
answer
helpful?
Yes
No
Monday, March 29th, 2021 AT 2:09 AM
Tiny
DANNY L
  • MECHANIC
  • 5,648 POSTS
You're welcome!

We are glad to hear you were able to fix the issue. Thanks again for using 2CarPros and we hope you will use our site again in the future when needed.

Danny-
Was this
answer
helpful?
Yes
No
Monday, March 29th, 2021 AT 2:17 AM

Please login or register to post a reply.