Engine cranks but it does not start, the gauge cluster has no readings, no check engine light, no ABS light?

Tiny
TOPH
  • MEMBER
  • 1995 CHEVROLET S-10
  • 4.3L
  • V6
  • 4WD
  • MANUAL
  • 372,500 MILES
And the Voltage reads 0, when key is in on position. After being stolen the ignition switch was replaced as part of the repair and a couple of weeks later after performing just fine the battery, alternator, and starter were replaced. The cranking is strong but will not start. The tachometer does not read any rpm during crank. All fuses are good and have not blown in the cabin and there is no fuse block in the engine bay. The day I got my truck back it performed as intended, the next morning it started, shut off, started, then drove a short distance then shut off. I can't find where the power goes into the ECM ot see if there is power going to it or not. Please help I'm out of money to pay a shop for labor and diagnosis.

Truck listed above has a 4.3 TBI, 5 speed transmission.
Friday, September 9th, 2022 AT 7:15 PM

11 Replies

Tiny
AL514
  • MECHANIC
  • 5,595 POSTS
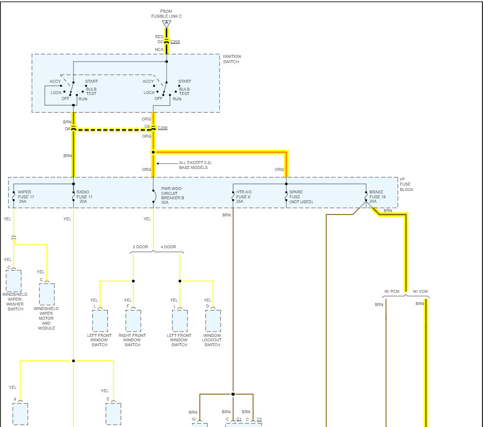
Hello, where are you reading 0 volts at? With the Tachometer not moving it sounds like the Distributor is not being powered up, that where the Pick-up coil is that sends a signal to the engine computer (ECM). Are you lacking power at one of the Fuses?
And what are you using to check power with, a multimeter or test light?
It sounds like the Ignition Switch might still being having some issues, when it was stolen, did they drill out the switch? That may have caused damage inside the steering column.

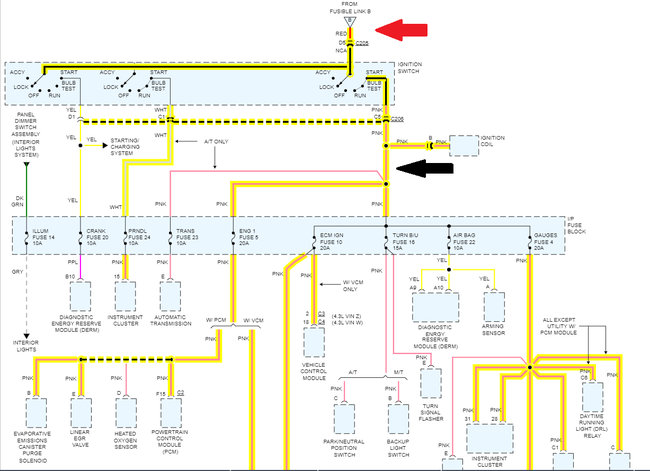
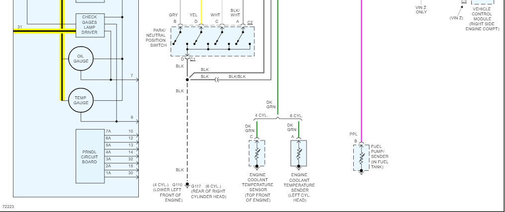
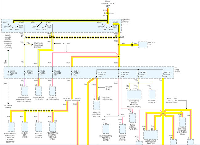
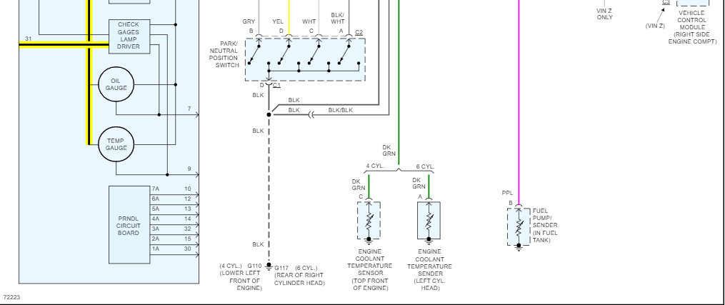
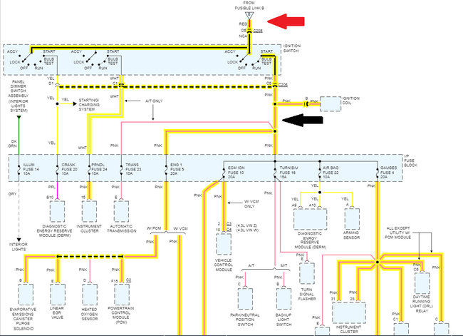
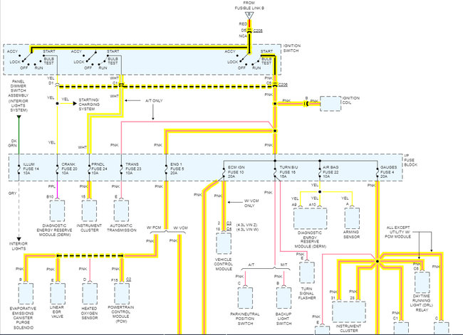
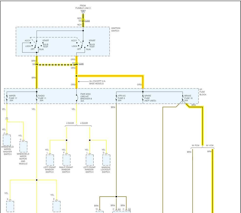
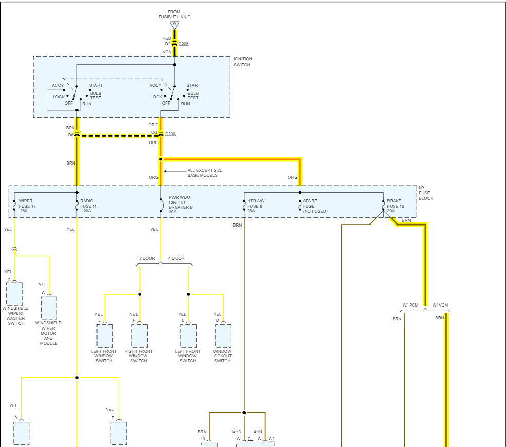
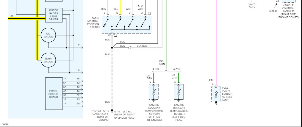
The diagrams below, 1 and 2 are the power to the ECM, and the third is power to the Distributor coming from the Ignition Switch.

https://www.2carpros.com/articles/how-to-use-a-voltmeter
Was this
answer
helpful?
Yes
No
+1
Saturday, September 10th, 2022 AT 3:11 PM
Tiny
TOPH
  • MEMBER
  • 8 POSTS
I'm reading 0 volts on the dash gage. At the battery using a multi meter I read 12.2. When it was stolen, the ignition was 'punched' and a screwdriver was used to start it. Throughout my testing I'm a multi meter.
Was this
answer
helpful?
Yes
No
Saturday, September 10th, 2022 AT 5:46 PM
Tiny
AL514
  • MECHANIC
  • 5,595 POSTS
Okay, I have the Instrument Cluster power feeds and the Voltage meter on it pulled up. The voltmeter on the cluster will only read when the key is on as well. I'm assuming you have power at the Fuses? The power for the Cluster and the Voltmeter come from the gauges Fuse 4 20amp as you can see in the 1st diagram, this truck has 2 main modules for engine control, an PCM and 2 different VCMs depending on the Vin number. Both VCMs look the same, so I'm not sure exactly why they added in the difference in Vin numbed, but aftermarket diagrams are like that sometimes,
The diagrams in my first post is the PCM, that's the main computer for the engine and transmission.
Are you missing power at any fuses with the key on? I have the Ignition Switch diagram connector and pinout as well as the power distribution diagram. So, if you think you're missing a power feed out of the Ignition Switch Ill post those diagrams, with the power diagrams,
Its just difficult to tell if you're missing power out of one of the Switch power feeds or somewhere else. You have power to the Starter, so the whole Ignition Switch can't be dead.
Or do you want to go right after the PCM powers and Grounds to start with? It looks like the Ignition Switch harness plug has about 35 pins in it. Or do you suspect damage in other places?
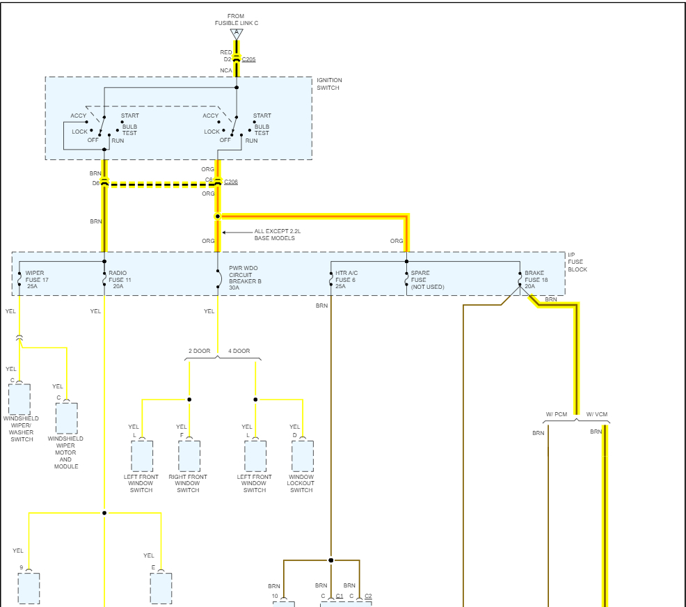
Okay, I've added the power distribution coming from the Ignition Switch into the Fuse panel and out to all the Modules. Diagrams 6 through 10.
Diagram 11 is the Data Bus, the 16 pin connector where you would plug a scan tool into. Pin 16 should have 12volts all the time and 4 and 5 are Grounds.
Was this
answer
helpful?
Yes
No
+1
Saturday, September 10th, 2022 AT 7:15 PM
Tiny
TOPH
  • MEMBER
  • 8 POSTS
Wow! That's a lot. Thank you. I need to take some time and go through these, the fuse box, etc. I'll let you know what I find if anything.
Was this
answer
helpful?
Yes
No
Saturday, September 10th, 2022 AT 8:36 PM
Tiny
AL514
  • MECHANIC
  • 5,595 POSTS
I just wanted to make sure you had all the diagrams to go with your testing, never know which direction voltage testing will go. If you're missing any voltage at the fuses, see if it traces back to the ignition switch, there could be a damaged wire in the steering column, You'll probably end up at the PCM last if the issue is that far back, but I don't think it will be, Make it quick and go right to the Ignition switch harness plug and see if its missing 12-volts there. Then you can skip all the PCM testing altogether.
Was this
answer
helpful?
Yes
No
+1
Saturday, September 10th, 2022 AT 9:09 PM
Tiny
TOPH
  • MEMBER
  • 8 POSTS
I was able to trace a lack of power to the ignition switch. All the circuits that lack power have the same power supply. So, I'm thinking that there is a faulty connection at or near the key. When the one of the fuses that lacks power was powered with a power probe all of the circuits and dash cluster came back and it started right up. Now it's just a matter of finding the interrupted power supply.
Was this
answer
helpful?
Yes
No
Sunday, September 11th, 2022 AT 10:01 AM
Tiny
AL514
  • MECHANIC
  • 5,595 POSTS
Ah, you used a power probe. Nice work. Which fuse was it or circuit? It can be a little tough if it's a break inside the column, maybe we can come up with some bypass circuit with a fuse on it, so you don't have to sink more money into it. If the switch was replaced already and depending on if they just replaced the tumbler and not the actual switch inside the column, that might be the issue. I worked on one of those for quite a while, so I don't remember if it was the GM design with the push rod Ignition switch. But that bulk connector on the column has a lot of pins in it.
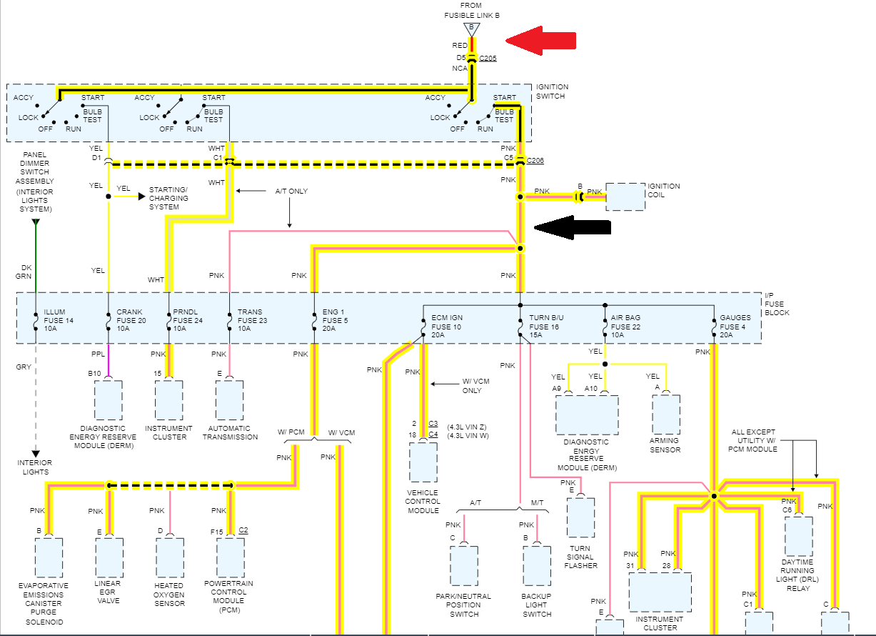
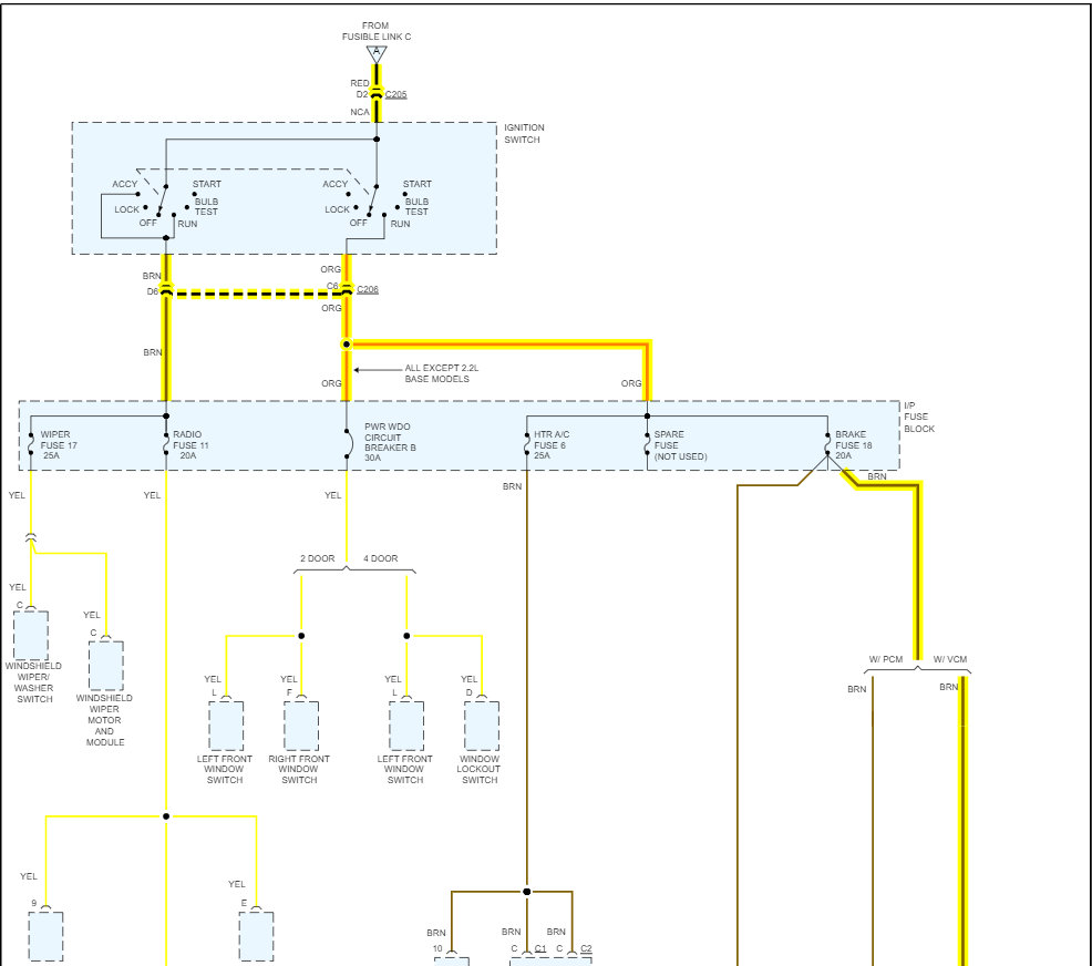
I wonder if it was this circuit, the problem is every wire is pink on these diagrams.
Was this
answer
helpful?
Yes
No
+1
Sunday, September 11th, 2022 AT 2:34 PM
Tiny
TOPH
  • MEMBER
  • 8 POSTS
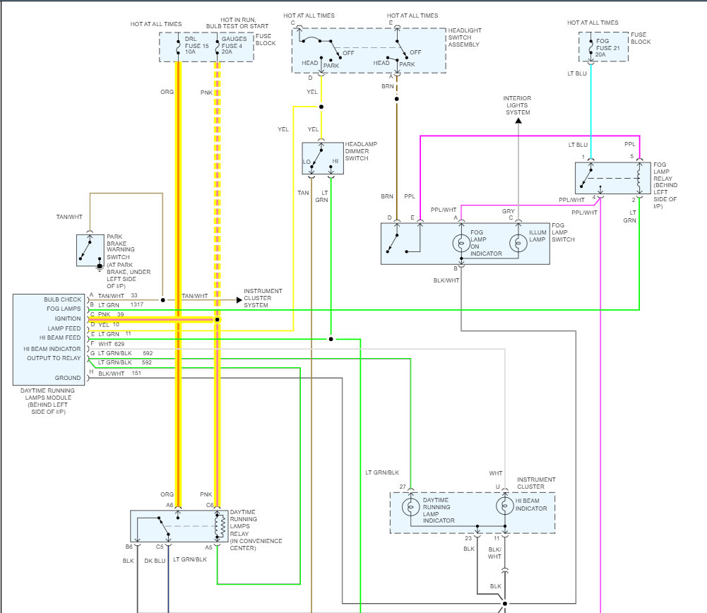
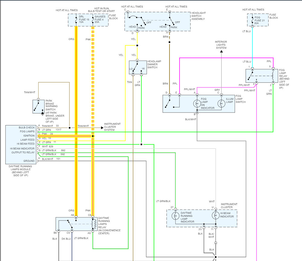
Yes! This is the circuit. There is no power going to those fuses turn, eng 1, airbag, ECM, etc. Is that wire actually pink? I'm a bit hesitant to get into the wiring in the column. I also found that the daytime running light fuse had popped. Would that possibly be an unresolved problem that wasn't fixed after it was stolen? As part of the work done an additional ignition button was added in a hidden area, to make it more difficult to start. The DRLs worked before it was stolen and didn't after I got it back (I didn't really think much of it because I don't really think they do much). I don't have access to the power probe any more today. That repair cost me $2,400+- with a labor rate of $100/hr.
I know that if I run a jumper from a circuit that has power to any of the fuses that lack power, she'll fire right up. Will doing that be an okkay short-term work around? Would I be able to get away with using something like a Bussmann fuse tap for a couple of days?
Was this
answer
helpful?
Yes
No
Sunday, September 11th, 2022 AT 3:35 PM
Tiny
AL514
  • MECHANIC
  • 5,595 POSTS
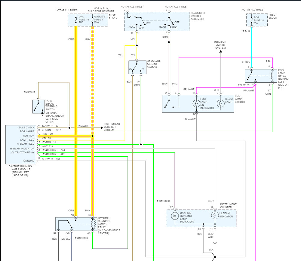
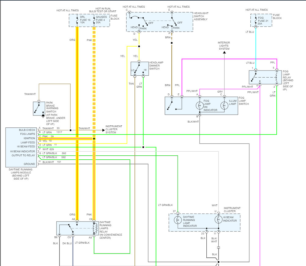
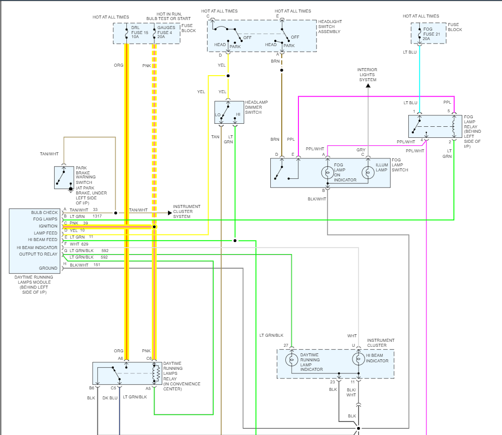
That circuit that I had the arrow to is a pink wire, I checked the OEM diagrams too, there are a lot of pink wires as main feeds to the fuse panel. As for the DRL circuit, there is a relay for the daytime running lights that is power off of the Gauges Fuse 4 20amp circuit. It's the power for the control side of the relay, then the Daytime Running Lamps Module grounds that control side of the relay and that will activate the DRLs. The same circuit branches off and powers up that DRL module too, ill post the diagram below. So that's why the DRLs are not working, there is another possibility here though, On the third diagram, the red arrow comes from a Fusible Link on a junction block, most are on the firewall that come right from the battery. (Diagram 4).
I would check that Fusible Link, it may have burnt when the Ignition Switch shorted out.
My concern here is that they did all those repairs, and the next morning you have other fuses that are blown, and possibly a Fusible Link that is burned up. That all points to there still being a short somewhere. And although giving power to that pink wire powers everything up and it starts, it might be that be it will be short lived fix.
Since the DRL fuse was blown, I would remove the DRL Fuse as a safety precaution for now.
The 16-gauge Fusible Link is rated roughly at 22 amps, but that also depends on how long the circuit is and the resistance in the circuit. That Fusible Link is what is feeding the circuits that are down right now through the Ignition Switch.
Since fusible links take longer than fuses to burn and cause an open circuit, that may be why the fix only lasted one day. So, check that fusible link, check all of them on the junction bar.
If the fusible link is okay and you're still not getting power to the ignition switch on that feed, I'm not sure exactly what size fuse I would recommend for an inline fuse to feed that wire. There are so many components on that circuit, you can try a 20-amp fuse, but I'd keep spares with you, there's a reason that fix didn't last, and I don't want to see anything else short out on you. If you do go for the bypass circuit, test it out for a while, let the truck run and make sure the fuse is not just going to blow after 10minutes of run time.
But only do this if absolutely necessary. And after the inspection of the Fusible Links, I just can't recommend something that might cause more damage. The short needs to be tracked down. Do you have a 12-volt automotive test light? I'm not sure what the circuit breaker in the power probe is rated at, but it's a good method of seeing if a circuit has a path to ground.
Sorry for the long post.
Was this
answer
helpful?
Yes
No
+2
Sunday, September 11th, 2022 AT 5:37 PM
Tiny
TOPH
  • MEMBER
  • 8 POSTS
First thank you for all your help!
Second, the diagrams are priceless.
Third, it was the ignition switch. I had power going in but nothing coming out. After finding the bad connection (the bad connection) everything came back to what it was.

Again, thank you.
Was this
answer
helpful?
Yes
No
Sunday, September 18th, 2022 AT 9:59 PM
Tiny
AL514
  • MECHANIC
  • 5,595 POSTS
Okay, glad you found the problem without having to run another power feed. It's pretty upsetting, they charged you that much money and didn't repair it correctly. Its very unfortunate shops are taking advantage of people like this. I do hope you get some of your money back. Really you fixed the issue yourself.
Was this
answer
helpful?
Yes
No
+1
Monday, September 19th, 2022 AT 12:01 PM

Please login or register to post a reply.