Shut off while driving, engine cranks but no fire?

Tiny
MARKD1977
  • MEMBER
  • 53 POSTS
Yes, battery is in good shape, I even put a jumper pack on it and still no power at fuse # 20, I'm kinda out of my wheel house here lol
Was this
answer
helpful?
Yes
No
Saturday, August 2nd, 2025 AT 11:57 AM
Tiny
MARKD1977
  • MEMBER
  • 53 POSTS
In the interior fuse panel, every other fuse has power, 12 volts to it
Was this
answer
helpful?
Yes
No
Saturday, August 2nd, 2025 AT 11:59 AM
Tiny
AL514
  • MECHANIC
  • 5,593 POSTS
Ok Fuse 20 5amp, did you try using jumper cables for temporary grounds? You dont need to hook them to battery positive, just use them as large jumper wires to ground the engine block and frame to battery negative.
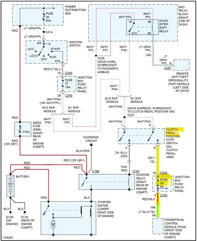
It looks like Fuse 20- 5amp is "Hot in Start". It looks to send a start signal to the PCM through the Clutch Pedal Switch. You're still in a "Crank no start" condition correct? Have you done a test yet to see if youre missing ignition spark or fuel injector control?
Running the jumper cables to battery negative to the engine block is just a short cut test to potential Grounding issues, The reason Im stressing that test is because the PCM grounds to the engine block, and so does the battery, and ground straps are over looked in many cases. Just looking at them doesnt tell us how much resistance a braided frame to body strap.
You can (diagram 1) see that Fuse 20 wont have power until the clutch pedal is down and the key in the Start/Crank position. Make sure you dont have any broken or corroded wires down at the pedals as well.
Was this
answer
helpful?
Yes
No
Saturday, August 2nd, 2025 AT 6:32 PM
Tiny
MARKD1977
  • MEMBER
  • 53 POSTS
Yes I hooked jumper cables to the battery negative then to the engine block but didn't try to start it or check for spark, I'll do that tomorrow..
My truck is an automatic,
Also my code reader says can not communicate when I hook it up.
The fuse is good and the check engine light don't flash or anything.
I used a volt meter to test voltage on all the fuses, all 12 volts in both fuse boxes.
Was this
answer
helpful?
Yes
No
Saturday, August 2nd, 2025 AT 7:10 PM
Tiny
MARKD1977
  • MEMBER
  • 53 POSTS
I'm just asking this, it a shot in the dark lol. Could this have to do with the RAP ?
My truck is a '98 and it shouldn't have it but could it have been added if so where would it be? And how can I check it or what
Was this
answer
helpful?
Yes
No
Sunday, August 3rd, 2025 AT 8:41 AM
Tiny
MARKD1977
  • MEMBER
  • 53 POSTS
I test for spark on number 1 and number 3 cylinder, no spark, used number cables to ground the battery to block
Was this
answer
helpful?
Yes
No
Sunday, August 3rd, 2025 AT 10:12 AM
Tiny
AL514
  • MECHANIC
  • 5,593 POSTS
The wiring diagrams do show an anti-theft module, are you seeing a constant or flashing security light? I would think you would still see the check engine light as well, But if you have a security light On, it will usually shut off a few seconds after the key goes to the On/Run position. Is that something youre noticing?
Was this
answer
helpful?
Yes
No
Sunday, August 3rd, 2025 AT 11:49 AM
Tiny
MARKD1977
  • MEMBER
  • 53 POSTS
No I'm not seeing a flashing light, but I'm not seeing a check engine light either.
I was told that the gem module could cause this problem. But everything, lights, whispers, ect, works. How would I check this
Was this
answer
helpful?
Yes
No
Sunday, August 3rd, 2025 AT 2:41 PM
Tiny
MARKD1977
  • MEMBER
  • 53 POSTS
Oh and does the ignition switch under the dash have to be grounded to the steering column
Was this
answer
helpful?
Yes
No
Sunday, August 3rd, 2025 AT 2:44 PM
Tiny
AL514
  • MECHANIC
  • 5,593 POSTS
The GEM module is basically a body control module, just called something else. Below are the listings on page one (diagram 1, 2) and page two. Showing everything that has an input or output from the GEM.
I would check any connectors under the dash or connectors to the engine compartment fuse box. They're pretty easy to check.
Where else are you missing power?
Was this
answer
helpful?
Yes
No
Monday, August 4th, 2025 AT 11:13 PM
Tiny
MARKD1977
  • MEMBER
  • 53 POSTS
In your opinion, could the drivers window not rolling down at all, have something to do with this?
Was this
answer
helpful?
Yes
No
Tuesday, August 5th, 2025 AT 3:14 AM
Tiny
MARKD1977
  • MEMBER
  • 53 POSTS
Also if I take the fuse panel/ gem module out what should I look for in signs of damage, besides burt wires of course.
Was this
answer
helpful?
Yes
No
Tuesday, August 5th, 2025 AT 4:18 AM
Tiny
MARKD1977
  • MEMBER
  • 53 POSTS
Oh and I meant to ask, right before my truck died, I filled up with gas, could this be the pressure switch in the gas tank?
I'm at the point that I'm grasping at straws lol.
And seeing that my truck is an automatic transmission, what does fuse # 20 do?
Was this
answer
helpful?
Yes
No
Tuesday, August 5th, 2025 AT 4:48 AM
Tiny
AL514
  • MECHANIC
  • 5,593 POSTS
To your 1st question on the window, yes the GEM controls body functions. This is the 2nd diagram from above, you can see there are a 2 control modules here. Calling a failed module is difficult, but here I would go and check this connector for any corrosion, I can see why its not starting with that fuse blown.
Was this
answer
helpful?
Yes
No
Tuesday, August 5th, 2025 AT 4:44 PM
Tiny
AL514
  • MECHANIC
  • 5,593 POSTS
This is the GEM (body control module) is located, with its 4 connectors. They are all labelled and you shouldnt have too much trouble locating it, look for broken or rubbed threw wires down where your feet are. Many times wires will just rub threw after 20 years and they short out. The GEM doesnt look to be in a good location when it comes to water.
Was this
answer
helpful?
Yes
No
Tuesday, August 5th, 2025 AT 5:01 PM
Tiny
MARKD1977
  • MEMBER
  • 53 POSTS
Ok, well this is the messed up part ! The fuse is not blown or blow at anytime when I got it home after it died, .
What is your thoughts on removing the gem/ fuse unit and seeing for a bad wire or water damage.
Was this
answer
helpful?
Yes
No
Tuesday, August 5th, 2025 AT 5:13 PM
Tiny
AL514
  • MECHANIC
  • 5,593 POSTS
So the fuse blew after when you were already testing?
Was this
answer
helpful?
Yes
No
Tuesday, August 5th, 2025 AT 6:02 PM
Tiny
MARKD1977
  • MEMBER
  • 53 POSTS
No, the fuse never blew.
The truck just shut off like I turned off the ignition switch. It just died.
I went to make a right hand turn to pull on to the hwy and gave it gas and it died.
Was this
answer
helpful?
Yes
No
Tuesday, August 5th, 2025 AT 6:14 PM
Tiny
AL514
  • MECHANIC
  • 5,593 POSTS
I thought fuse 20 didnt have any power? Or was that just a misunderstanding of when it should be powered up, I know that was a Start only fuse.
I would check for any broken or damaged wires down where the GEM is located. Its a place where we may not noticed water sometimes. Just take the key out before disconnecting components. Use a good flashlight and look into the females pins on the harness side of component connectors. Make sure there are no spread pins or green/white corrosion inside or on any pins. When checking for tight pins, I will use a size smaller than the component has, that way I can be sure they will remain tight when plugged back together. Wiring and connector problems can be very frustrating so go slowly and look for discolored or burnt plastic on any connectors as well.
Was this
answer
helpful?
Yes
No
Tuesday, August 5th, 2025 AT 6:39 PM
Tiny
MARKD1977
  • MEMBER
  • 53 POSTS
Fuse 20 never blew, but I have not checked in with the key in the start position,
So it might be getting power.
I know that my code reader will not connect to the PCM at all.
And my sensors are only getting 1.2 volts on the reference wire.
I checked the grounds as you said, aka jumper cables, but still have no spark at the coil pack.
I will check the body control module connectors and wiring. Tomorrow and get back to you.
Thank you for your patience and help
Was this
answer
helpful?
Yes
No
Tuesday, August 5th, 2025 AT 10:05 PM

Please login or register to post a reply.