Engine does not crank

Tiny
JAYBEATS
  • MEMBER
  • 2001 SATURN L300
  • 0.6L
  • 6 CYL
  • 2WD
  • AUTOMATIC
  • 194,000 MILES
Car will not turn over. Has power, replaced camshaft sensor, checked relays; one is clicking on right side of car, but there is no sound except the fuel pump a slight hum. Turn key nothing. Please help.
Thursday, June 3rd, 2021 AT 4:17 PM

3 Replies

Tiny
KASEKENNY
  • MECHANIC
  • 18,907 POSTS
If when you turn the key and the engine does not crank then we are going to have to start with this guide:

https://www.2carpros.com/articles/starter-not-working-repair

This could be as simple as a battery issue so we should have that load tested using this guide:

https://www.2carpros.com/articles/car-battery-load-test

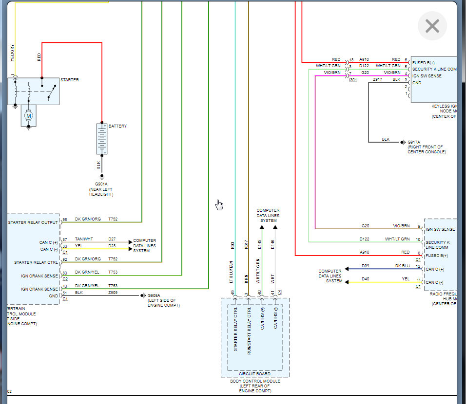
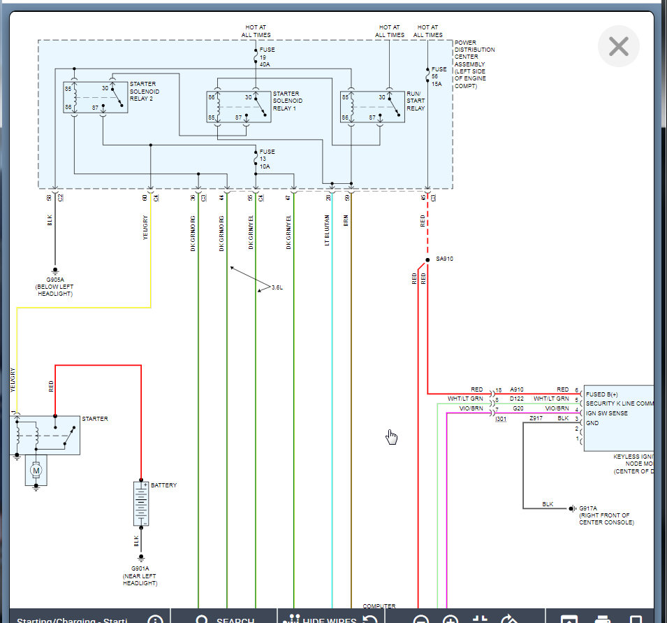
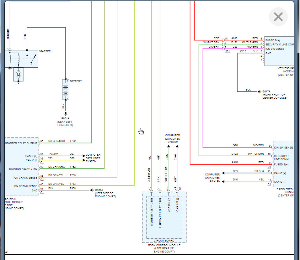
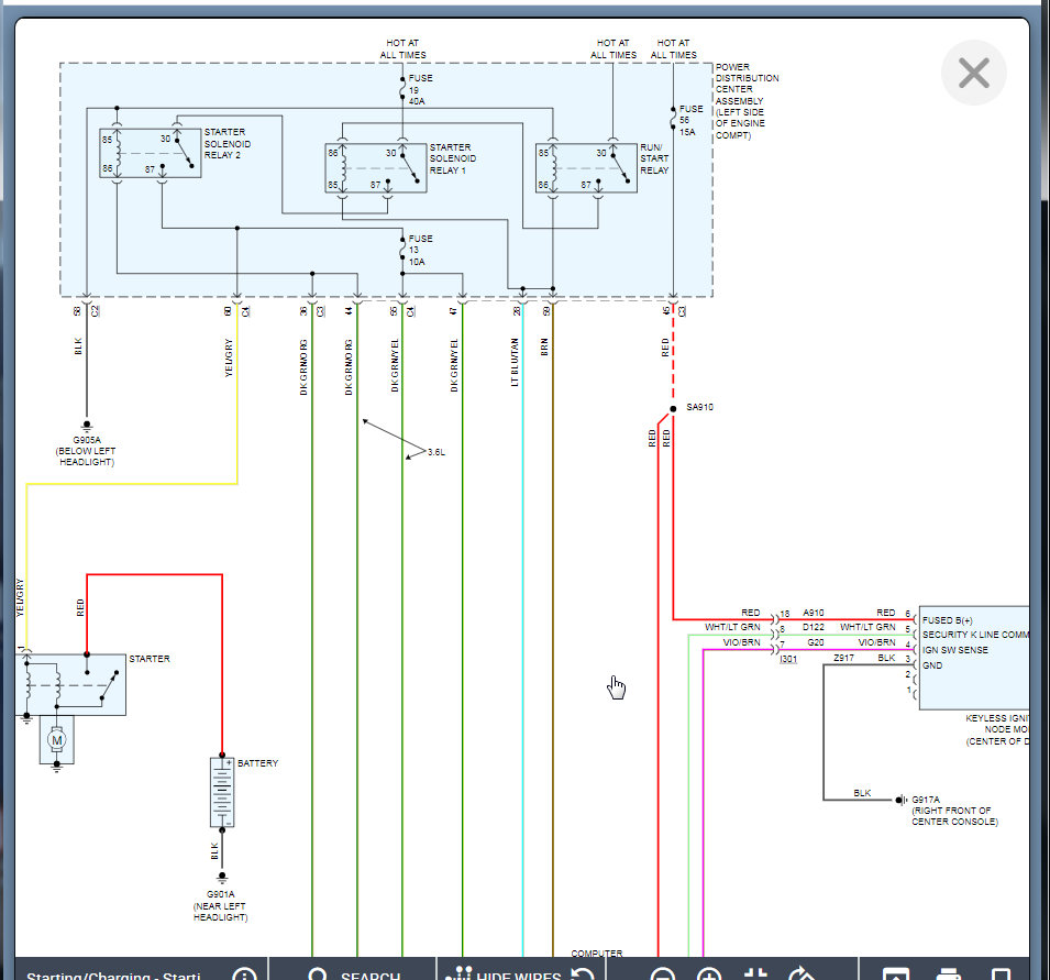
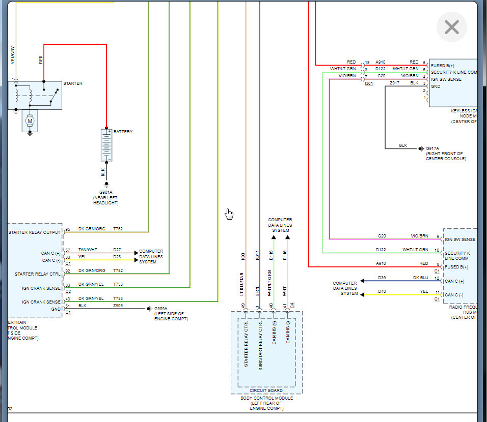
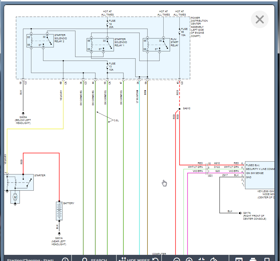
Below is the wiring diagram for the starter and we should check voltage at the starter. There should be 12 volts on both wires at the starter when cranking the engine.

https://www.2carpros.com/articles/how-to-check-wiring

Also, if there is a relay clicking can you try to touch them and see which one it is? A clicking relay is normally a failed relay so let's start with all this.

Let us know what you find with all this info and we can go from there. Thanks
Was this
answer
helpful?
Yes
No
Thursday, June 3rd, 2021 AT 5:42 PM
Tiny
JAYBEATS
  • MEMBER
  • 1 POST
Hey, thanks slot man. There is a relay clicking but it says window on right side of car under dash. I changed radiator and car has always crank like a new car. So I thought I might have done something around that area. I changed crankshaft sensor and now my battery will not start at all. Trying to jump it with a jumper box but nothing. So I guess i'm going to get a car to try and jump me if that doesn't work going take battery to be charged overnight. And then check starter. What do you think it was just all the sudden? A buddy of mine hooked a mobile hotspot thing to car you no in the main plug you test for codes and the next day is when my car would not start. Do you think that could have done something?
Was this
answer
helpful?
Yes
No
Friday, June 4th, 2021 AT 11:18 AM
Tiny
KASEKENNY
  • MECHANIC
  • 18,907 POSTS
More than likely that scan tool that he hooked up did not cause any issues. All they do is monitor the module and not cause any issues.

if the relay that is clicking is a window relay then that may be an indication that the battery is completely drained. So getting it load tested would be the next likely thing to do.

https://www.2carpros.com/articles/car-battery-load-test

Please let us know what you find with this. Thanks
Was this
answer
helpful?
Yes
No
Saturday, June 5th, 2021 AT 9:50 AM

Please login or register to post a reply.