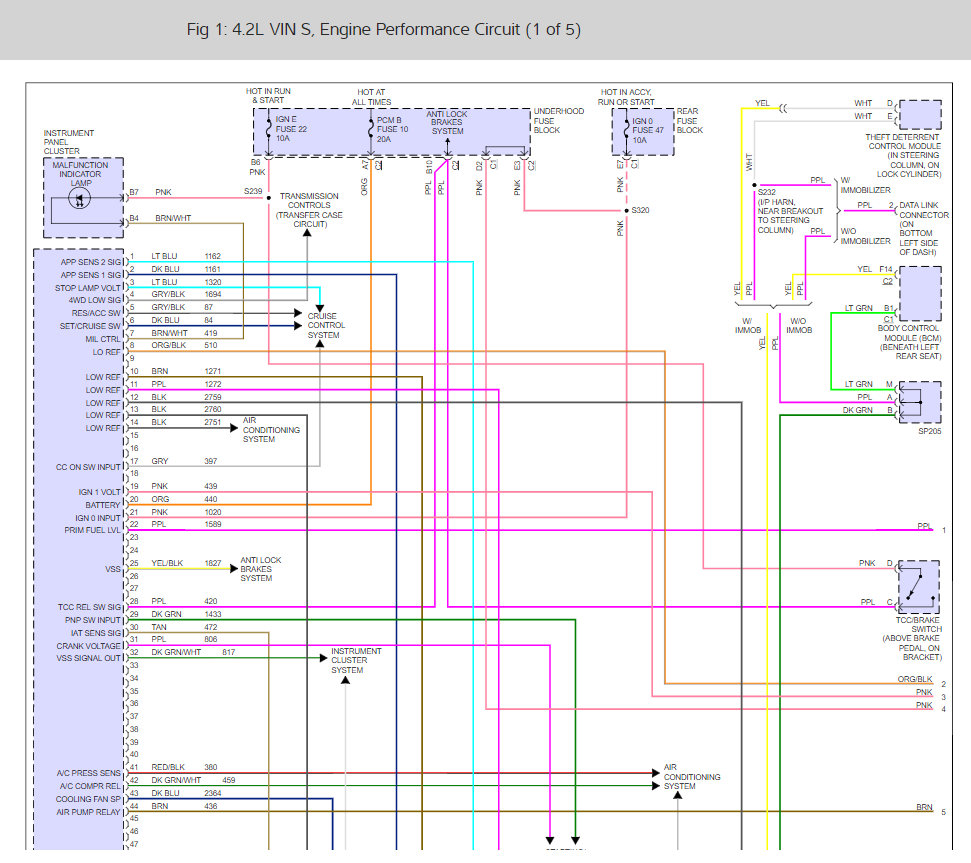
in my car I have delaying start and the scanner give code p0335.
so I replaced the crankshaft position sensor then erased the code,
but still have the same issue.
Update:
I replaced the cranckshaft position sensor. Delaying start engine, the car has no power in running. The code of p0335 comes again.
Sunday, October 8th, 2017 AT 6:02 PM












