Hard starting and runs rough

Tiny
SHADOW2627
  • MEMBER
  • 2007 DODGE RAM
  • 5.7L
  • V8
  • 4WD
  • AUTOMATIC
  • 212,234 MILES
Car scanner said it was the crankshaft position sensor was bad. So I changed it with a new one and it is still giving the same problem. It has a hard time starting but when it starts it runs rough. I put the gas pedal and nothing. It just stays at ideal.
Saturday, September 7th, 2019 AT 5:52 AM

3 Replies

Tiny
ASEMASTER6371
  • MECHANIC
  • 52,796 POSTS
Good morning,

Codes do identify failed parts, just systems that have a failure.

What is the code that was set?

https://www.2carpros.com/articles/engine-cranks-excessively-before-starting

Roy
Was this
answer
helpful?
Yes
No
Saturday, September 7th, 2019 AT 7:09 AM
Tiny
SHADOW2627
  • MEMBER
  • 2 POSTS
P0335.
Was this
answer
helpful?
Yes
No
Sunday, September 8th, 2019 AT 5:18 PM
Tiny
ASEMASTER6371
  • MECHANIC
  • 52,796 POSTS
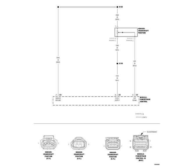
Below are the possibilities for the 335. All these need to be checked.

This is more of a wiring issue than the sensor issue.

Roy

P0335
Descriptor
Crankshaft Position (Ckp) Lost
Crankshaft Position Sensor Circuit
Probable Causes
(K824) 5-Volt Supply Circuit Open
(K824) 5-Volt Supply Circuit Shorted to (K925) Return Circuit
(K824) 5-Volt Supply Circuit Shorted to Battery Negative
(K853) 5-Volt Supply Circuit Open
(K853) 5-Volt Supply Circuit Shorted to Battery Negative
(K853) 5-Volt Supply Circuit Shorted to Return Circuit
(K925) Return Circuit Open
5-Volt Supply Circuit Open
5-Volt Supply Circuit Shorted to Ground
5-Volt Supply Circuit Shorted to Voltage
Additional DTCs
Camshaft Position (CMP) Sensor
Crankshaft Position (CKP) Sensor
Crankshaft Position (CKP) Sensor Signal Circuit Open
Crankshaft Position (CKP) Sensor Signal Circuit Shorted Ground
Crankshaft Position (CKP) Sensor Signal Circuit Shorted to Voltage
Crankshaft Position (CKP) Signal Circuit Open
Crankshaft Position (CKP) Signal Circuit Shorted to (K824) 5-Volt Supply Circuit
Crankshaft Position (CKP) Signal Circuit Shorted to (K853) 5-Volt Supply Circuit
Crankshaft Position (CKP) Signal Circuit Shorted to (K925) Return Circuit
Crankshaft Position (CKP) Signal Circuit Shorted to Ground
Crankshaft Position (CKP) Signal Circuit Shorted to Return Circuit
Crankshaft Position (CKP) Signal Circuit Shorted to the 5-Volt Supply Circuit
DTC P0337 Present
Engine Control Module (ECM)
Physical Damage
Powertrain Control Module (PCM)
Return Circuit Open
Sensor Ground Circuit Open
Visual Damage
Was this
answer
helpful?
Yes
No
Monday, September 9th, 2019 AT 6:00 AM

Please login or register to post a reply.