Touch screen wiring problem?

Tiny
MOHANBARATHI
  • MEMBER
  • 2007 TOYOTA COROLLA
  • 1.8L
  • 4 CYL
  • 2WD
  • AUTOMATIC
  • 10 MILES
Hello,

I bought this used car with the music system along with touch screen not working.

Checked the fuses and it seems to be good. Please guide me to remove the touch screen. Also share the wiring diagram for the same.

Thanks,
SKM
Monday, March 3rd, 2025 AT 3:22 AM

4 Replies

Tiny
KEN L
  • MASTER CERTIFIED MECHANIC
  • 55,512 POSTS
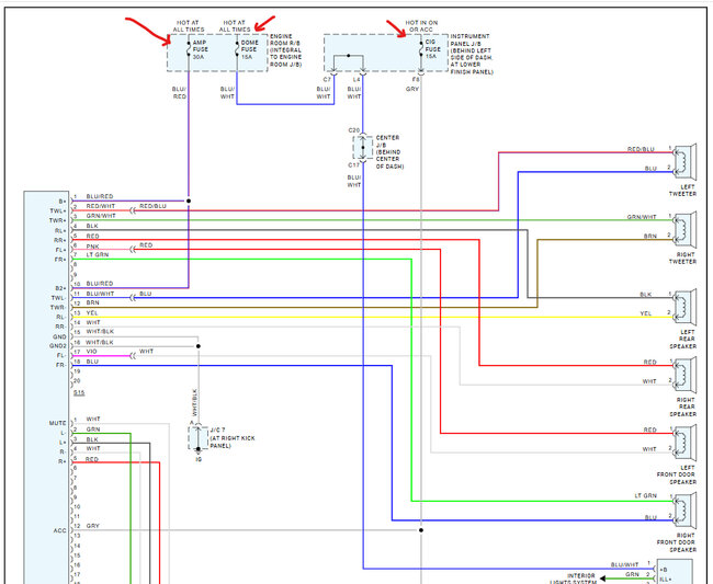
They do not show a touchscreen for this car, is the radio aftermarket? Can you upload an image so I can see? There are 3 fuses you need to check which this guide can help with.

https://www.2carpros.com/articles/how-to-check-a-car-fuse

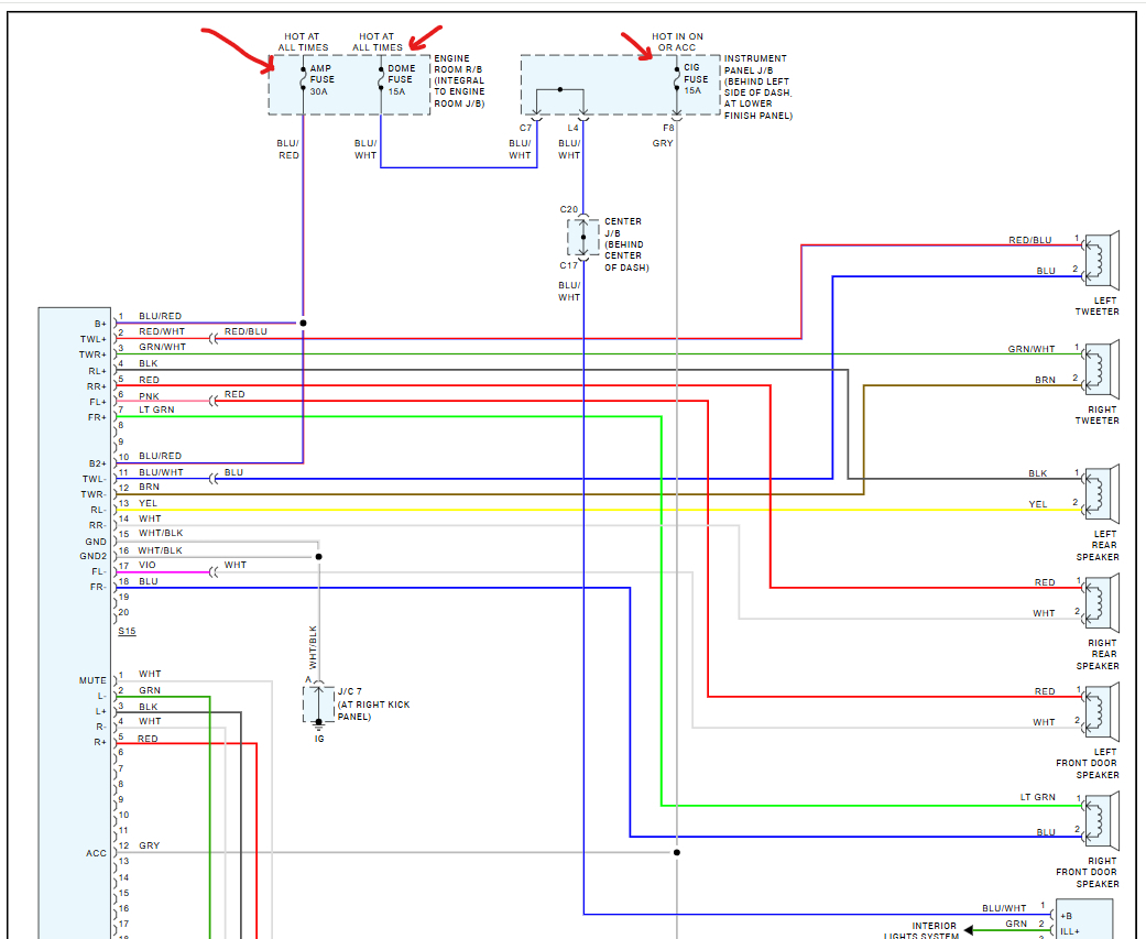
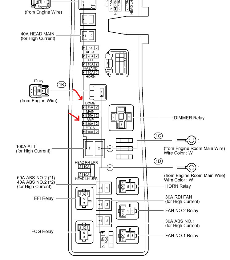
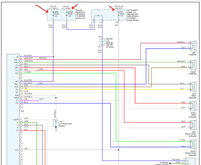
Please check fuses # AMP, DOME and CIG, also here are the radio wiring diagrams so you can see which fuses run the system and how the unit works. Check out the images (below). Please upload pictures or videos in your response of any problems so we can see what to help you with.
Was this
answer
helpful?
Yes
No
Monday, March 3rd, 2025 AT 12:50 PM
Tiny
STEVE W.
  • MECHANIC
  • 15,698 POSTS
As Ken stated that car did not have a touch screen available. It sounds like it is an aftermarket unit. If they used a kit to install it, you might be able to remove it like the OE unit. Unclip the trim panel around the shifter, then the trim panel above it that has the heater controls. Next you remove the 4 screws that hold the Radio and trim in place. Remove that and then remove the screws that secure the radio in place. If they didn't use a kit, then the above may still help you get in to the unit so you can get the make and model off it. Then you can look up the information on it. It would also let you look at how it was connected. For that it could be anything from a simple adapter harness to someone who cut the wires and used wire nuts or twisted the wires and taped them.
Was this
answer
helpful?
Yes
No
Monday, March 3rd, 2025 AT 4:44 PM
Tiny
MOHANBARATHI
  • MEMBER
  • 11 POSTS
Dear Ken and Steve,

Thank you both for your assistance.

As Ken mentioned, it seems the radio is an aftermarket model.

Steve, I successfully removed the trim panel as you suggested. Now, I’m preparing to remove the radio itself but would like to confirm whether it’s safe to disconnect the radio connectors without disconnecting the battery. I’ve heard concerns that disconnecting any connectors might trigger the airbag.

Could you please advise if I can safely remove the radio connectors without disconnecting the battery? Additionally, if there are any precautionary steps I should take, I would appreciate your recommendations.

Thank you.
SKM
Was this
answer
helpful?
Yes
No
Sunday, March 9th, 2025 AT 3:58 PM
Tiny
STEVE W.
  • MECHANIC
  • 15,698 POSTS
Unless someone altered the wiring the radio circuits should not have any airbag wiring in the same harness. Usually any of that wiring will be labeled as SRS with a warning on the connectors and is commonly in a yellow covering.
Was this
answer
helpful?
Yes
No
Monday, March 10th, 2025 AT 1:17 AM

Please login or register to post a reply.