COOLING FANS STAY ON?

Tiny
BHAMDOC1973
  • MEMBER
  • 2006 CHRYSLER TOWN AND COUNTRY
  • 3.8L
  • 2WD
  • AUTOMATIC
  • 123,000 MILES
With engine off both fans stay on. I replaced the pcm earlier because the car would not start and that solved it. The car also had a dead battery, am guessing cause of the fans running, so I installed a new battery. Do you think its the ect or the fan relay? No codes

Friday, September 19th, 2025 AT 11:53 AM

8 Replies

Tiny
AL514
  • MECHANIC
  • 5,595 POSTS
Hello, I would start by pulling the fan relay and check the control pin of the relay for continuity to ground. You can also check for the relay contacts being closed with it disconnected from the vehicle. Set a multimeter to on the Ohms (resistance) setting. The control side of the relay is usually about 75ohms of resistance, the load side pins should be an open circuit. So if there is zero or close to it of resistance on the load side of the relay that means its contacts are stuck closed. It happens over time when the relay contacts open, there is an arc of electricity that eventually can cause carbon tracking that causes the contacts to stick together. Thats the technical explanation of what happens.
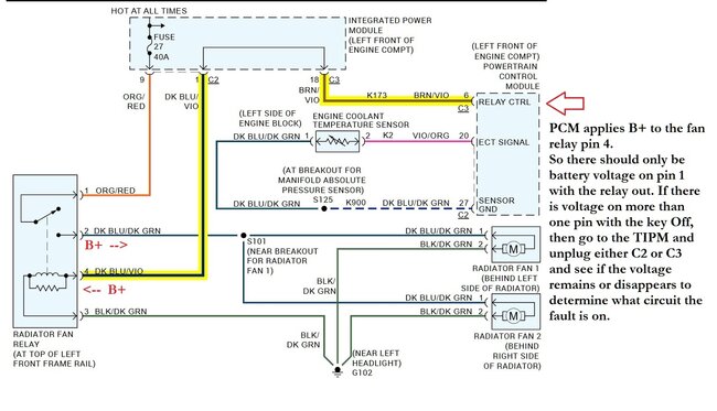
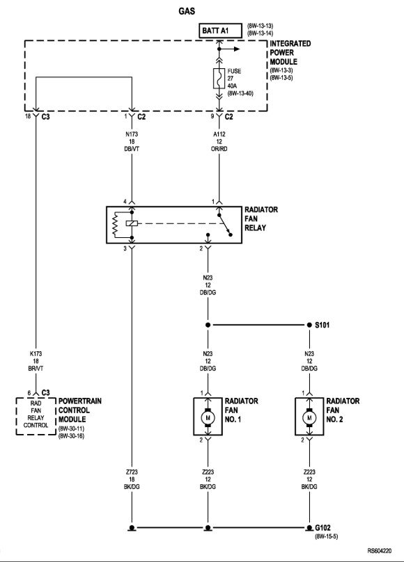
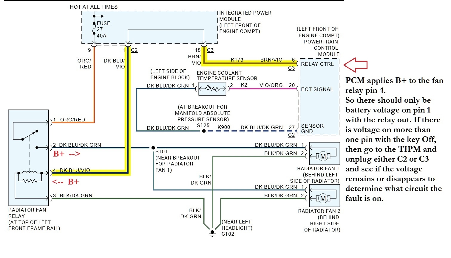
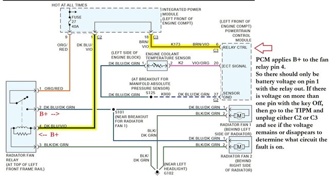
Ok I have a correction, after looking at the wiring diagrams for the relay, this one is power switched, so the PCM applies power to the control side of the relay. Ill post the diagrams to check the control wire for a short to power.

https://www.2carpros.com/articles/how-to-check-an-electrical-relay-and-wiring-control-circuit

https://www.2carpros.com/articles/how-to-use-a-voltmeter
Was this
answer
helpful?
Yes
No
Friday, September 19th, 2025 AT 4:37 PM
Tiny
AL514
  • MECHANIC
  • 5,595 POSTS
Since this is a power side switched relay, its possible there is corrosion(water intrusion) inside the TIPM feeding power to the control pin keeping the fan on. These TIPMs are a high failure rate. But with the relay out there should only be battery voltage on one pin with the key Off.
Was this
answer
helpful?
Yes
No
Friday, September 19th, 2025 AT 4:55 PM
Tiny
AL514
  • MECHANIC
  • 5,595 POSTS
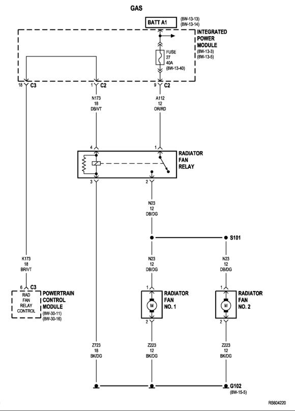
The oem wiring shows the same type of circuit.
Was this
answer
helpful?
Yes
No
Friday, September 19th, 2025 AT 4:56 PM
Tiny
BHAMDOC1973
  • MEMBER
  • 2,018 POSTS
I already replaced the TIPM first because the car was not running but it didnt solve it. So I replaced the pcm with a new one. So I dont think its the tipm
Was this
answer
helpful?
Yes
No
Friday, September 19th, 2025 AT 5:01 PM
Tiny
BHAMDOC1973
  • MEMBER
  • 2,018 POSTS
So am thinking the relay is stuck on or something else.
Was this
answer
helpful?
Yes
No
Friday, September 19th, 2025 AT 5:02 PM
Tiny
AL514
  • MECHANIC
  • 5,595 POSTS
The relay check is pretty easy, out of the 4 pins on it, 2 of them should read roughly 75 ohms or so and the other 2 should read OL, there shouldnt be any connection between those two pins, if it reads 0 Ohms the relay contacts are stuck closed.
Was this
answer
helpful?
Yes
No
Friday, September 19th, 2025 AT 5:13 PM
Tiny
BHAMDOC1973
  • MEMBER
  • 2,018 POSTS
A new relay fixed it. Thanks
Was this
answer
helpful?
Yes
No
Sunday, September 21st, 2025 AT 10:08 AM
Tiny
AL514
  • MECHANIC
  • 5,595 POSTS
Ok, glad it was an easy fix
Was this
answer
helpful?
Yes
No
Sunday, September 21st, 2025 AT 1:19 PM

Please login or register to post a reply.