Sunday, August 21st, 2016 AT 5:45 PM
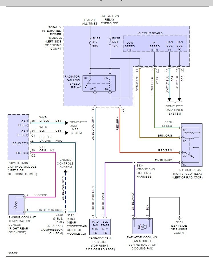
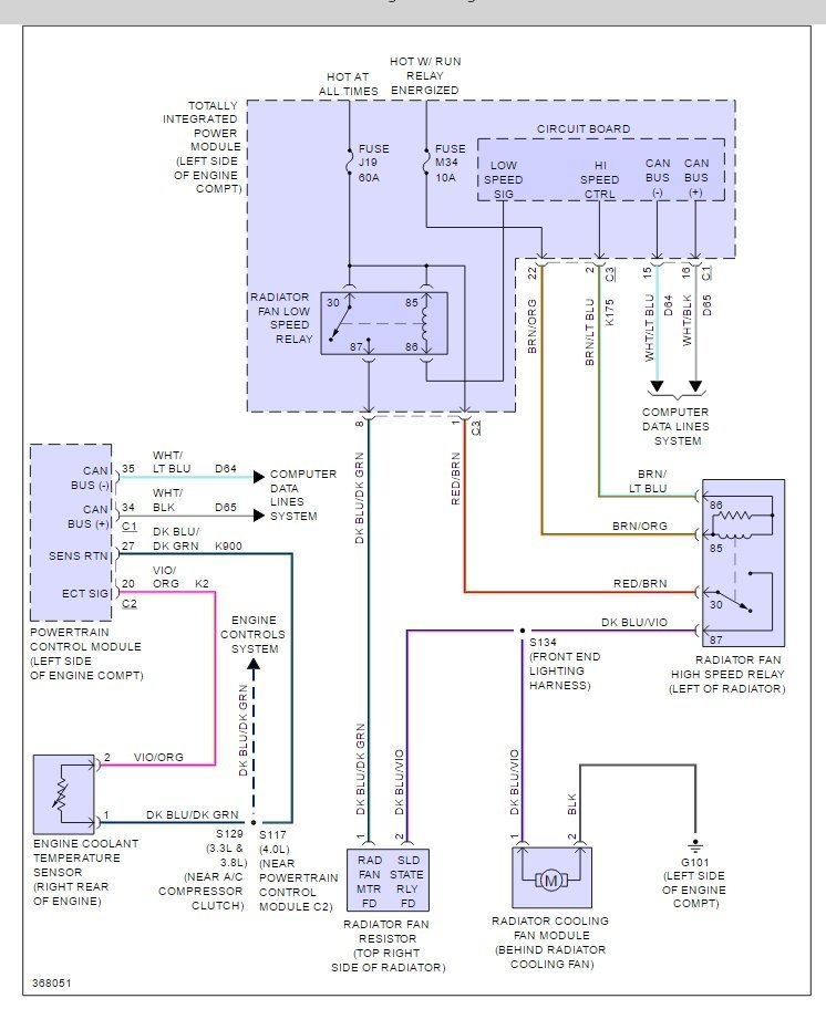
I noticed that my radiator fan is not kicking on at any time. I am surprised the van is not overheating, but the guage stays on half. I checked the fuse and replaced the relay that is on the chasis. There is also a sensor I guess going across the fan carriage. I took it off and cleaned it and checked for continuity. What else could keep the fan from coming on? I did jump the fan from the battery and the fan works. Thanks
