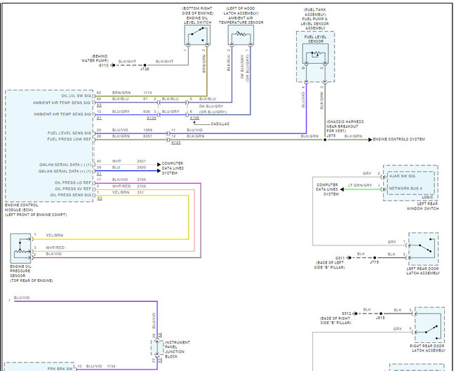
When I got home the fans were still running and the dash still reads at 160. The fans ran for about another 5-10 minutes after the vehicle was shut off.
I drove the vehicle this past weekend for four 45 minutes trips and didn't have any issues and the temperature was over 160 but below the 210 mark. I never heard the fans run.
So, I am not sure what the issue is or where to start to troubleshoot it.
Tuesday, April 16th, 2024 AT 8:47 AM











