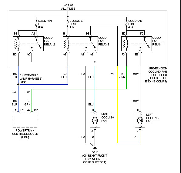
When we catch it and turn on the A/C, the fans will turn on and the engine temperature will come down. We tested the breakers, they all came up working. We pulled the temperature sensor while the engine was running, and the fans immediately kicked up to high. Frankly, my husband and I are stumped, I can't find good answers online (hard to search through all the forums), and we're not sure what to try next. Our transmission guy (we just had a transmission cooler installed to help with towing in the mountains) was the one who told us the fans should come on at 202 - he was stumped and suggested a memory wipe of the on board computer (about $150.00). We're hoping to find a less expensive solution. Would a new sensor help?
Thanks for any help or ideas.
Monday, September 24th, 2012 AT 7:00 PM
