The cooling fans will not come on at all?

Tiny
EST91
  • MEMBER
  • 2012 HONDA ACCORD
  • 2.4L
  • 4 CYL
  • 2WD
  • AUTOMATIC
  • 170,000 MILES
I have checked the relay and fan motor with jumper wires, and they seem to be in working condition. My check engine light is not on. I have 2 separate fans and neither of them are working and the car never overheats according to my temperature gauge.
Saturday, June 17th, 2023 AT 1:44 PM

5 Replies

Tiny
JACOBANDNICKOLAS
  • MECHANIC
  • 110,194 POSTS
Hi,

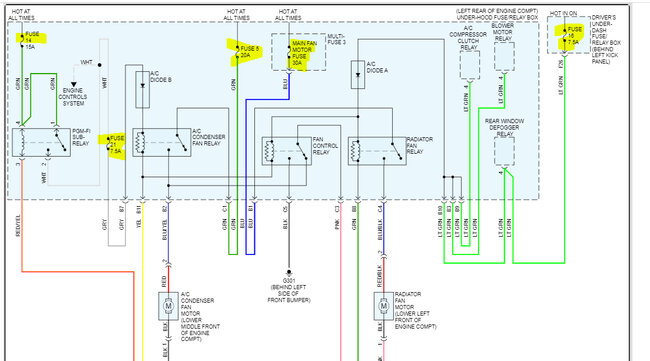
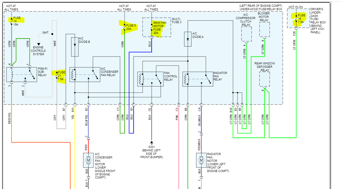
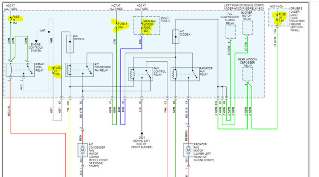
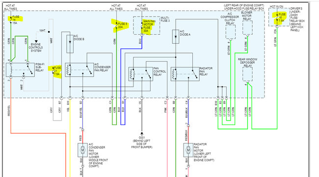
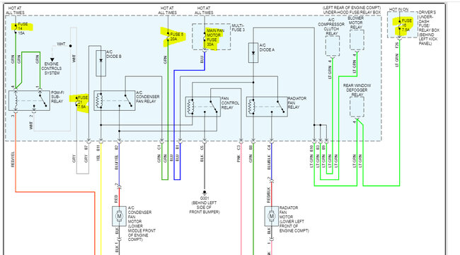
When you turn the A/C on, the radiator/condenser fan should turn on. Does that happen? Also, I attached a pic below from the wiring schematic. There are several fuses and relays that are related to the fans. The first thing I suggest is to check the fuses I highlighted. In addition to checking the fuses, make sure there is power to and from them. Note: fuse 21 requires the PGMI relay to be activated for the fuse to have power.

Here is a link you may find helpful:

https://www.2carpros.com/articles/how-to-check-a-car-fuse

Keep in mind, if the engine temp doesn't reach the threshold needed, the fan won't turn on. However, the condenser fan should turn on when the A/C is turned on.

Let me know what you find.

Take care,

Joe

See pic below.
Was this
answer
helpful?
Yes
No
Sunday, June 18th, 2023 AT 9:12 PM
Tiny
EST91
  • MEMBER
  • 3 POSTS
The fans will not come on at all even while the A/C is on, I have run it 10 minutes before and nothing my understanding is they are 2 separate fans that are controlled separately. I just checked all the fuses and relays except the main fan motor fuse (multi fuse) not sure how to test it, it looks intact visually though. And fuse number 5, I am not sure how to test it.
Was this
answer
helpful?
Yes
No
Monday, June 19th, 2023 AT 3:01 PM
Tiny
JACOBANDNICKOLAS
  • MECHANIC
  • 110,194 POSTS
Hi,

Was there power at each of the fuses you checked? Also, fuse 5 is the same as the others as well as the multi-fuse. And you are correct. There are two fans.

One of the fans should turn on with the A/C. That is the condenser fan listed above. Do me a favor. At the condenser fan, there will be a red wire. See if there is power to it when the A/C is turned on. Also, let me know if the A/C is working.

Take care,

Joe
Was this
answer
helpful?
Yes
No
Monday, June 19th, 2023 AT 9:02 PM
Tiny
EST91
  • MEMBER
  • 3 POSTS
Yes, there was power to each fuse I checked.
The red wire to the condenser fan (driver side) does not have power on it while the A/C is turned on.
Was this
answer
helpful?
Yes
No
Monday, June 19th, 2023 AT 10:43 PM
Tiny
JACOBANDNICKOLAS
  • MECHANIC
  • 110,194 POSTS
Hi,

If there was no power, we next need to check the AC condenser relay itself. It is located in the under-hood fuse/relay box.

The easiest thing to try is switching the relay with a different one in the relay box having the same part number. If that isn't possible, here is a link that explains how to test one:

https://www.2carpros.com/articles/how-to-check-an-electrical-relay-and-wiring-control-circuit

Let me know what you find or if you have questions.

Take care,

Joe
Was this
answer
helpful?
Yes
No
Tuesday, June 20th, 2023 AT 8:29 PM

Please login or register to post a reply.