Cooling fan not working

Tiny
PFANNENSTIEL47
  • MEMBER
  • 2012 FORD MUSTANG
  • 5.0L
  • 6 CYL
  • 2WD
  • MANUAL
  • 120,000 MILES
I have narrowed it down to the cooling fan resistor and pig tail has burned up. I was wondering does this also affect the air conditioner not working as well?
Friday, August 23rd, 2019 AT 3:54 PM

4 Replies

Tiny
JIS001
  • MECHANIC
  • 3,412 POSTS
Hello and welcome to 2CarPros. If the fans are not operating properly it can cause then A/C system to build too much pressure where the refrigerant blows out the compressor valve. Repair your fan issue so you can properly diagnose the A/C system if there is still an issue. The hot gases that run through the condenser needs to be cooled down by the fans.

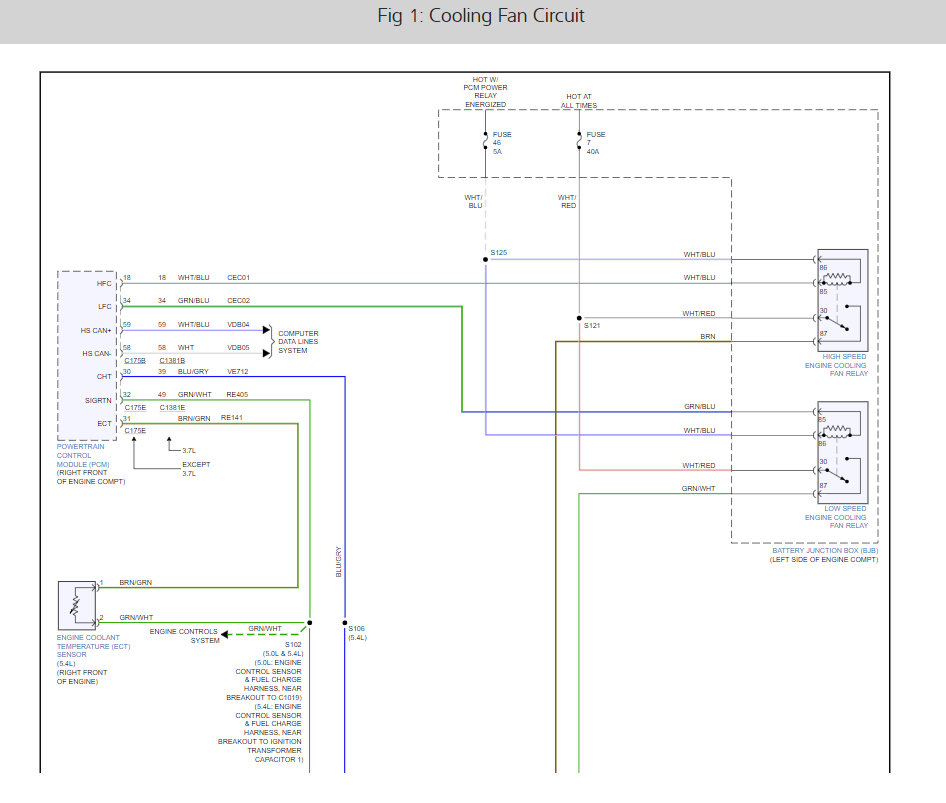
If that's okay this guide will help us see whats going on also I have included the cooling fan wiring diagrams so you can see how the system works. Check fuse # 46 and 7

https://www.2carpros.com/articles/how-an-electric-cooling-fan-works

Check out the diagrams (Below). Please let us know what happens.
Was this
answer
helpful?
Yes
No
Friday, August 23rd, 2019 AT 9:00 PM
Tiny
XSTALLION03X
  • MEMBER
  • 1 POST
  • 2003 FORD MUSTANG
  • 6 CYL
  • 2WD
  • AUTOMATIC
  • 90,000 MILES
Hi I have a 2003 mustang v6 3.8l and my radiator fan switch is bad. I have the new part but do not know where it is located on my vehicle. My question to you is where is it located? Reason being is the fan only works when it is connected to the battery. Other then that when I turn on the air it does not work. And it is causing overheating problems on in my vehicle.
Was this
answer
helpful?
Yes
No
-1
Thursday, August 6th, 2020 AT 10:28 AM (Merged)
Tiny
BLUELIGHTNIN6
  • MECHANIC
  • 16,542 POSTS
The cooling fan is controlled by the PCM which uses a fuse and relay to run the fun here is a guide to help you test the relay once you find it in diagrams below.

https://www.2carpros.com/articles/how-to-check-an-electrical-relay-and-wiring-control-circuit

Check out the diagrams (Below). Please let us know what you find. We are interested to see what it is.

Cheers
Was this
answer
helpful?
Yes
No
-1
Thursday, August 6th, 2020 AT 10:28 AM (Merged)
Tiny
JOJOMUSTANG
  • MEMBER
  • 1 POST
Thank you for the guide I checked the fuse and relays and they both were bad! Thank you I love this site.
Was this
answer
helpful?
Yes
No
+2
Thursday, August 6th, 2020 AT 10:28 AM (Merged)

Please login or register to post a reply.