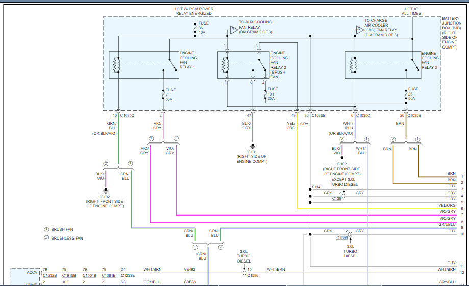
Sunday, March 7th, 2021 AT 10:08 AM
Hi, I was wondering where it would be in the engine. I took it to O'reillys and they told me the code for it and all im seeing is for like a 5.0L. So I was wondering where it is on my engine and is it a easy to do fix?































