Console control module part number

2008 BMW 528
149,000 MILES • 2WD • AUTOMATIC
Avatar
BHAMDOC1973
  • MEMBER
  • 2,007 POSTS
Can you tell me what this is for? Found it inside a car i purchased, Googled it but don't know what it meant.
Part number 9183233
Mar 16, 2022 at 1:51 PM
Repair Safety Notice: This information is for general instructional purposes only. Vehicle repair can be dangerous. Verify all information, follow manufacturer service procedures, use proper tools and safety equipment, and consult a qualified repair shop when needed.
Advertisement
Avatar
JACOBANDNICKOLAS
  • CAR REPAIR CONTRIBUTOR
  • 110,190 POSTS
Hi,

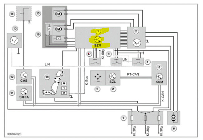
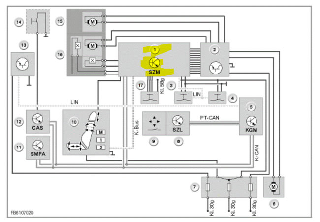
Based on the part number, that is the center console switch cluster control module. The center console switch cluster control module is located in the carrier behind the glove compartment.

The control module sends the status of each button in the blocks on the driver's and passenger's side across the K-CAN to the control module responsible. The center console switch cluster control module contains the software for activation of the electrical steering column adjustment and of the roller sunblind.

Let me know if that helps.

Joe

See pics below.
Mar 16, 2022 at 8:02 PM
Advertisement