HOME
ASK A QUESTION
REPAIR GUIDES
BECOME A MEMBER
LOG IN
Login with Facebook
OR
Remember me
NOT A MEMBER?
FORGOT PASSWORD?
CONTACT US
PRIVACY POLICY
TERMS AND CONDITIONS
☰
Home
Volkswagen
Rabbit
Climate Control
Air Conditioner
Condenser
Replace/Remove
Condenser removal
MONEYSAM83
MEMBER
2008 VOLKSWAGEN RABBIT
AUTOMATIC
135,000 MILES
Hey, I am curious of how you get the condenser out.
Wednesday, September 11th, 2019 AT 10:15 AM
1 Reply
DANNY L
MECHANIC
5,648 POSTS
Hello, I'm Danny.
You are going to have to evac and recharge the system so here are some guides that will help with this:
https://www.2carpros.com/articles/re-charge-an-air-conditioner-system
https://www.2carpros.com/articles/air-conditioner-how-to-add-freon
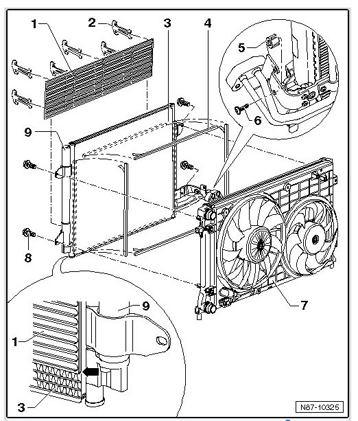
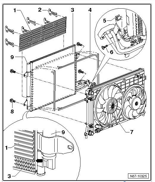
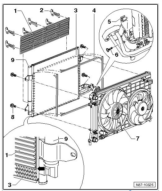
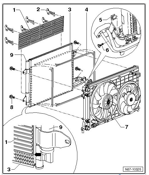
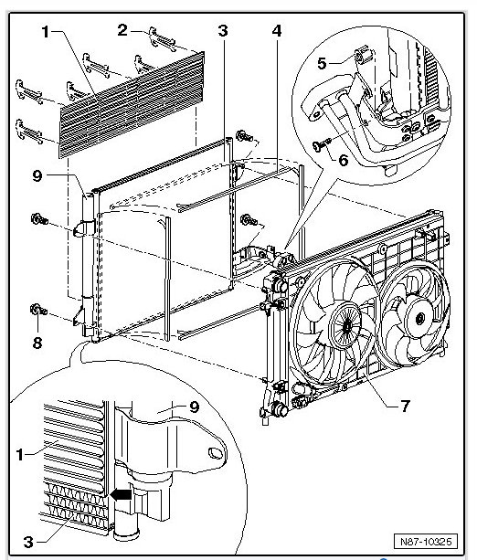
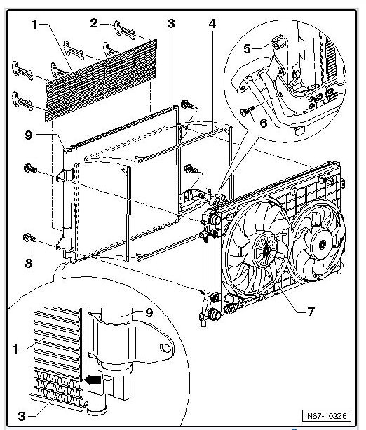
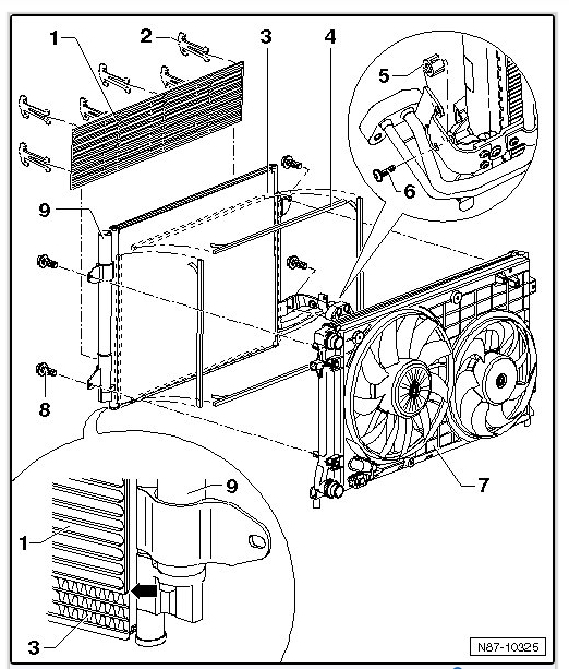
I've attached step-by-step pictures below on how to remove your condenser. Hope this helps and thanks for using 2CarPros.
Danny-
Images (Click to make bigger)
Was this
answer
helpful?
Yes
No
Wednesday, September 11th, 2019 AT 12:50 PM
Please
login
or
register
to post a reply.
Related Air Conditioner Condenser Replace/Remove Content
1982 Volkswagen Rabbit Re: Ac + Heat
Air Conditioning Problem 1982 Volkswagen Rabbit 4 Cyl Two Wheel Drive Manual 84 Kms Miles I Currently Have Heat. But I Was Wondering...
Asked by
Marley
·
1 ANSWER
1982
VOLKSWAGEN RABBIT
2008 Volkswagen Jetta
2008 Volkswagen Jetta How To Change Cabin Air Filter
Asked by
Susan1989
·
2 ANSWERS
2008
VOLKSWAGEN RABBIT
2007 Volkswagen Rabbit Cool Air Comes From The Ac...
When I Drive My Car Will All Windows Up, Cool Vapour Air Comes From Ac Vent Though Ac And Fan Is Switched Off.I Thought It Was Climatic...
Asked by
assisij
·
1 ANSWER
2007
VOLKSWAGEN RABBIT
Ask a Car Question. It's Free!
Top off Automotive Air Conditioning
How to Vacuum Down and Recharge Your A/C
Air Conditioner - Vacuum Down and Recharge