HOME
ASK A QUESTION
REPAIR GUIDES
BECOME A MEMBER
LOG IN
Login with Facebook
OR
Remember me
NOT A MEMBER?
FORGOT PASSWORD?
CONTACT US
PRIVACY POLICY
TERMS AND CONDITIONS
☰
Home
Dodge
Ram
Climate Control
Air Conditioner
Condenser
Fan
Condenser fan relay location needed
THEKPIT
MEMBER
2007 DODGE RAM
5.7L
V8
4WD
AUTOMATIC
88,000 MILES
Where is the condenser fan relay location?
Tuesday, May 4th, 2021 AT 12:38 PM
3 Replies
ASEMASTER6371
MECHANIC
52,796 POSTS
Good afternoon,
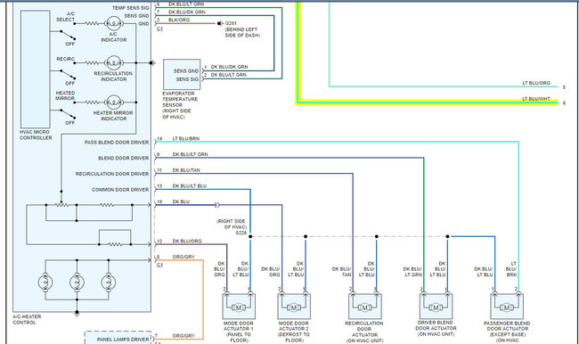
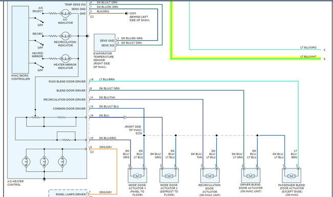
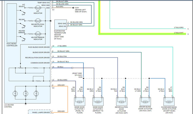
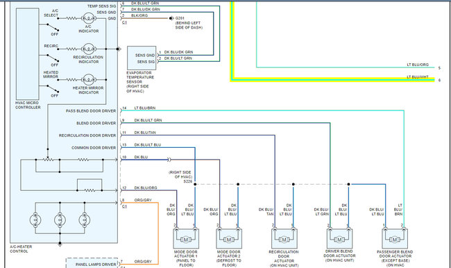
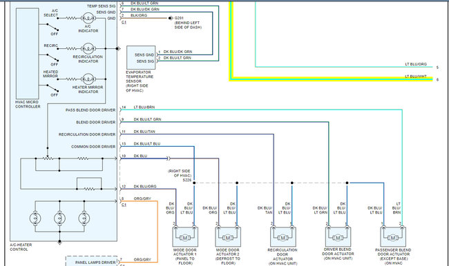
There is no relay for the fan motor. It is controlled by the integrated power module under the hood. The fan is activated by the module when it sees Freon pressure on the high side above 150 pounds.
https://www.2carpros.com/articles/how-to-check-wiring
https://www.2carpros.com/articles/how-to-use-a-voltmeter
The module is a common failure. I attached a wiring diagram for you. I also attached the part from Rock Auto.
Roy
Images (Click to make bigger)
Was this
answer
helpful?
Yes
No
Tuesday, May 4th, 2021 AT 5:40 PM
THEKPIT
MEMBER
1 POST
Thank you for the Information you sent me. To get that module replaced would you know a ballpark figure how much it will cost?
Was this
answer
helpful?
Yes
No
Wednesday, May 5th, 2021 AT 9:33 AM
ASEMASTER6371
MECHANIC
52,796 POSTS
From the parts, I found new, $1,200.00 to $1,400.00.
Roy
Was this
answer
helpful?
Yes
No
Thursday, May 6th, 2021 AT 3:17 PM
Please
login
or
register
to post a reply.
Related Air Conditioner Condenser Fan Content
Which Way Is The Fan Suppose To Rotate
Which Way Is The Fan Suppose To Rotate? Towards The Condenser Or Away Towards The Inside Of The Engine?
Asked by
Jesus Ortiz
·
1 ANSWER
2004
DODGE RAM
VIDEO
AC Condenser Fan Replacement
Instructional repair video
Where Is The Air Conditioning Condenser Located
Where Is The Air Conditioning Condenser Located I Need To Replace It
Asked by
lbrown110
·
1 ANSWER
3 IMAGES
2001
DODGE RAM
I Turn The Air Conditioner On It Blows Warm Air
When I Turn The Air Conditioner On It Blows Warm Air It Is Not Cooling Can We Fix It Please? It Is Super Hot Here.
Asked by
Donna Mitchell2
·
1 ANSWER
2012
DODGE RAM
Heat Blows On Passenger Side And Rear But Not Driver...
Heat Blows On Passenger Side And Rear But Not Driver Side, Just Blows Cold Air, Also Makes A Noise On Passenger Side Under Dash.
Asked by
willy1997
·
3 ANSWERS
5 IMAGES
2010
DODGE RAM
The A/c Gets Warm When Stopped At Lights
Hi I Have A 2002 Dodge Ram 1500 4x4 V8 4.7 Liter. It Has About 85000 Miles On It. The A/c Gets Warm When Stopped At Lights And Only Cools...
Asked by
Anonymous
·
2 ANSWERS
12 IMAGES
2002
DODGE RAM
VIEW MORE
Ask a Car Question. It's Free!
Replace an AC Condenser Fan Relay Video
Air Conditioner - Vacuum Down and Recharge
How to Vacuum Down and Recharge Your A/C