Complete passenger side head light assembly not working?

Tiny
GTIM0M;)
  • MEMBER
  • 2007 VOLKSWAGEN GTI
  • 2.0L
  • 4 CYL
  • TURBO
  • 2WD
  • MANUAL
  • 200,000 MILES
I have power at vehicle side of plug 12.4v on pin with yellow/blue wire I changed the igniter and also the ballast under the headlight assembly and still no lights but all of this works if I plug it into driver side.
Monday, January 9th, 2023 AT 1:55 PM

12 Replies

Tiny
JACOBANDNICKOLAS
  • MECHANIC
  • 110,192 POSTS
Hi,

If the light assembly works on the opposite side and you have power on the passenger side, then it should work unless there is no ground. The two sides have different ground points.

I attached a pic below showing the ground. It will be a brown wire. Confirm that the wire has continuity to ground.

Here is a link you may find helpful:

https://www.2carpros.com/articles/how-to-check-wiring

When you check, make sure there is continuity at the connector at the lamp assembly.

Let me know what you find.

Take care,

Joe

See pic below.
Was this
answer
helpful?
Yes
No
Monday, January 9th, 2023 AT 6:18 PM
Tiny
GTIM0M;)
  • MEMBER
  • 7 POSTS
Hi Joe, I checked continuity and have it from ground wire that inside firewall below light assembly to the harness plug. No power seems to be traveling through the harness to anything in the assembly, yet I do have working fog lights.
I’ve read to check the control board under the dash that has a bunch of relays but idk that could be part of this headache.
Was this
answer
helpful?
Yes
No
Tuesday, January 10th, 2023 AT 1:53 AM
Tiny
JACOBANDNICKOLAS
  • MECHANIC
  • 110,192 POSTS
If you have power to the blue/white wire, that goes to the light module.

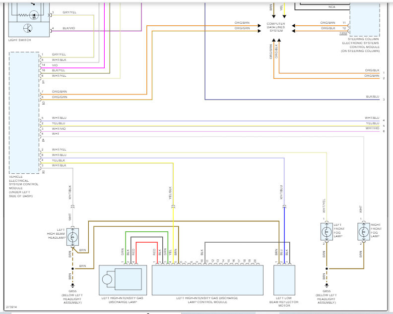
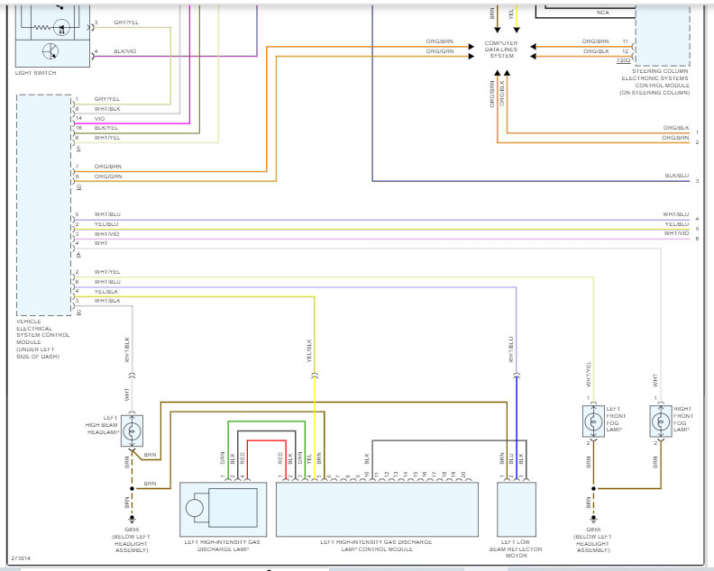
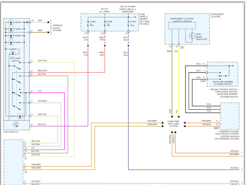
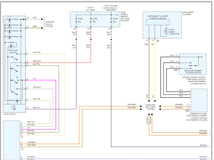
I'm looking at the wiring schematic. I attached it below for you, so you have a reference. It shows the low beam separately with a separate power supply. Is that what you are seeing?

Take a look at that, compare it to the vehicle, and let me know if I'm going crazy. LOL

Joe

See pics below.
Was this
answer
helpful?
Yes
No
Tuesday, January 10th, 2023 AT 5:16 PM
Tiny
GTIM0M;)
  • MEMBER
  • 7 POSTS
I’m not sure I’m following these pictures right but I can tell you that my car has 14 pin plugs and that the only bulb that gets power is the hid bulb and the 2 that are located in lower part of the assembly dipping/DRL and blinker, then there is a branch off of the harness on each side for marker light and fog lights my high beam and low beam are controlled by the shutter on the hid bulbs lens. So, it’s getting its power from the ballast. I believe once the igniter turns it on and the other bulb with the brown and white wire does not have power going to it at all unless the car is made and being driven in Canada or of course if you break the codes and program them to be on yourself which I have not done so.

I can tell you that the wire that shows the 12 v in the harness on both L and R h.A. Plug travels to the communication board under the dash on driver side and it’s in the plug that goes to A. (Pic of board below).
I’m so frustrated at this point honestly if I knew how to switch from factory HID to Halogen I’d like to just do that but I’m not sure what wires need to go where from the 14pin to the 10pin plug and I really don’t know if that will even solve my issue at hand but I do know that I haven’t been able to drive my car for almost 2 months over this and that I’d insane.
Was this
answer
helpful?
Yes
No
Wednesday, January 11th, 2023 AT 12:08 AM
Tiny
JACOBANDNICKOLAS
  • MECHANIC
  • 110,192 POSTS
Hi,

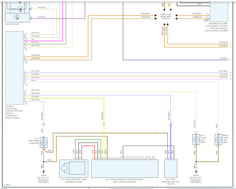
What color are the wires you are getting power on? Looking at the schematic, the left and right lamps have different power sources or at least different connectors. One is connector A and the other is connector D.

See pic below.

Joe
Was this
answer
helpful?
Yes
No
Wednesday, January 11th, 2023 AT 1:37 PM
Tiny
GTIM0M;)
  • MEMBER
  • 7 POSTS
I’m going to go back and recheck the volts I’m getting anything on, but I know for sure the yellow/blue I get full 12+volts and that is the only pin in any of the headlight harnesses to read full voltage with lights on and both car in on or started and running with or without parking brake on. If I do know that the pin next to the yellow and blue on car side gets between 4-and 5 volts reading but that’s it and there maybe 1 other pin with low volt reading also. What I'm not understanding is that according to this image it’s showing the driver's side wiring to be using yellow/blue to power both the ballast which in turn powers the igniter and we know indeed is working but on passenger side for some reason it’s only using the yellow/blue wire to power the hid shutter which is actually low beam and then using a I think yellow n black wire to send power to the ballast which would then go to igniter but it’s never going to happen because it needs the initial jolt of high bolts to igniter then once lite is only using 3-5 volts to stay lite and storing rest in the ballast. So, I’m not getting why one side is changing its wiring pattern and wondering if that’s why my lights are not working can I add the yellow/blue wire to the pin where it’s trying to use the yellow/black?
Was this
answer
helpful?
Yes
No
Wednesday, January 11th, 2023 AT 10:33 PM
Tiny
GTIM0M;)
  • MEMBER
  • 7 POSTS
One other possibility I’m wondering if when the igniter went bad did it put the headlight assembly into a sleep mode to protect it and does it need to be reprogrammed to work?
Was this
answer
helpful?
Yes
No
Wednesday, January 11th, 2023 AT 10:34 PM
Tiny
JACOBANDNICKOLAS
  • MECHANIC
  • 110,192 POSTS
Hi,

What is happening leads me to think the control module is failing and not powering the lamp. Is there a red wire at the lamp assembly? Have you checked it for power?

As far as the issue, it could be a few things. However, we would be guessing at this point. What really needs to be done is the can-bus needs scanned for diagnostic trouble codes. If there is an issue with the lamp control module, it will have codes stored in it.

According to the manual, for troubleshooting, you need to use Vehicle Diagnostic, Testing, and Information System (VAS 5051A) in the operating mode " Guided Fault Finding". That would walk you through diagnostics.

Now, most people don't have that type of equipment, but a scan tool designed for reading the CAN should work. CAN stands for controller area network. Basically, the different modules are tied together via a few wires. This type of scan can retrieve codes regardless of the module storing them.

Here is a link explaining how it's done:

https://www.2carpros.com/articles/can-scan-controller-area-network-easy

Let me know your thoughts.

Joe
Was this
answer
helpful?
Yes
No
Thursday, January 12th, 2023 AT 7:14 PM
Tiny
GTIM0M;)
  • MEMBER
  • 7 POSTS
I was able to get my hands on a scanner that is specific to German model vehicles so I’m going to hook all my connections back up and try a scan once I get results, I’ll let you know and take things from there Hopefully it will be something easy that was overthought or overseen. Sometimes it’s best to walk away from it for a day I feel, or it will make a person crazy lol. Thanks for all your help so far and I’ll continue to reach out to you with what I find.
Was this
answer
helpful?
Yes
No
Saturday, January 14th, 2023 AT 6:34 PM
Tiny
JACOBANDNICKOLAS
  • MECHANIC
  • 110,192 POSTS
Hi,

Thanks for the update. I think that is a good idea. Also, I totally agree it's best to walk away at times. LOL

Take care and I'll watch for your reply.

Joe
Was this
answer
helpful?
Yes
No
Saturday, January 14th, 2023 AT 8:41 PM
Tiny
GTIM0M;)
  • MEMBER
  • 7 POSTS
Well, hello Joe. I finally got the headlights working. I’m not sure but what I ended up doing was putting the left one on right side and right on left and for whatever the reason once I did this then swapped them back to right places they work but the message center is still saying they are out and now I’m getting a code saying P2422 EVAP vent valve failure, Powertrain Control Module (PCM) failure, Wiring issue. And the car will start off a jump box only and it shuts off almost immediately but yet everything shuts down almost in slow motion I can’t figure out what wire or fuse I have wrong or something but seem to charge the battery either I’ve tried now to disconnect the battery and charge it to see if it charges since it is brand new battery. Any suggestions would be great. I’m so close to having it back out of the garage. I can’t believe I’ve hit another snag.
Was this
answer
helpful?
Yes
No
Monday, February 13th, 2023 AT 4:54 AM
Tiny
JACOBANDNICKOLAS
  • MECHANIC
  • 110,192 POSTS
Hi,

I wonder if something is causing a draw on the battery. If you are confident the battery is good, do this. Disconnect it and recharge it. Once it is fully charged, reinstall it and it should start and stay running. If it does and then stalls out as you described, I need you to check if the problem is the alternator. It is really easy to check the alternator. All you need is a multimeter or voltmeter.

Here is a link that explains how it's done:

https://www.2carpros.com/articles/how-to-check-a-car-alternator

Do this and let me know the results. Note: If it still does the same thing, you should have the battery load tested at a parts store. Most will do it free of charge with the hopes of selling a new battery. LOL

As far as the headlamps are concerned, you must have a connection issue at the sockets. If switching them allowed them to work, that would be my first suspect.

Let me know what you find or if I can help.

Take care,

Joe

Was this
answer
helpful?
Yes
No
Monday, February 13th, 2023 AT 3:09 PM

Please login or register to post a reply.