Wiring diagram with color codes and connections for taillight needed

Tiny
JOHAN JANSSEN
  • MEMBER
  • 1992 SAAB 900
  • 2.0L
  • 4 CYL
  • 2WD
  • AUTOMATIC
  • 200,000 MILES
Need above as have removed and bently wiring diagrams conflict each other.
Sunday, May 15th, 2022 AT 12:14 PM

6 Replies

Tiny
KASEKENNY
  • MECHANIC
  • 18,907 POSTS
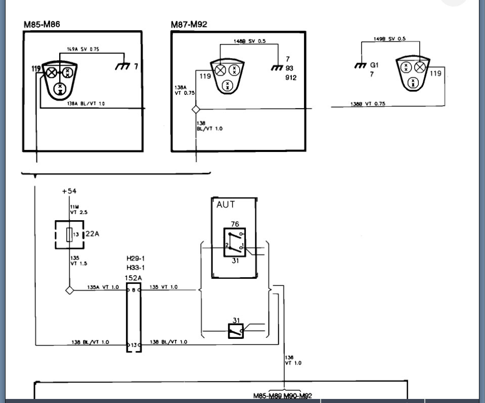
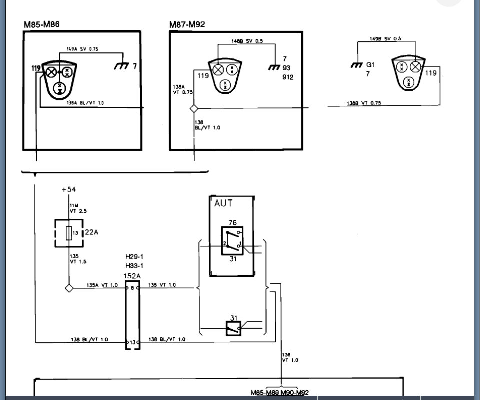
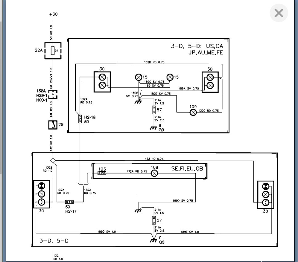
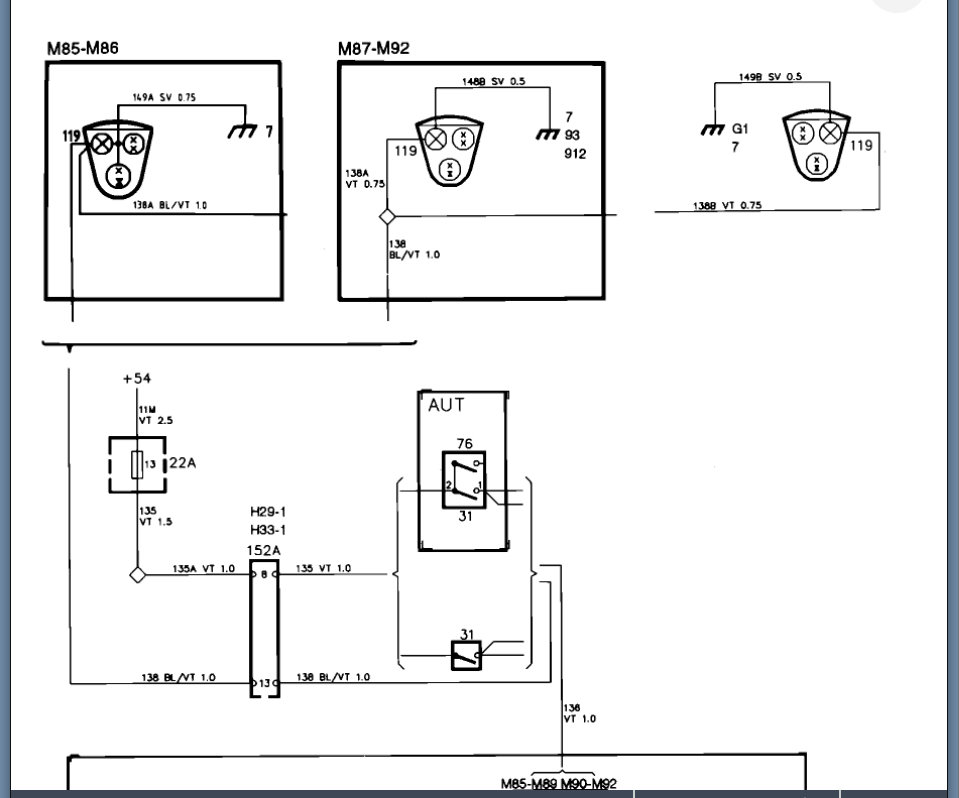
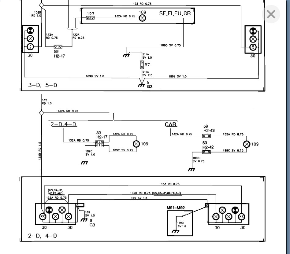
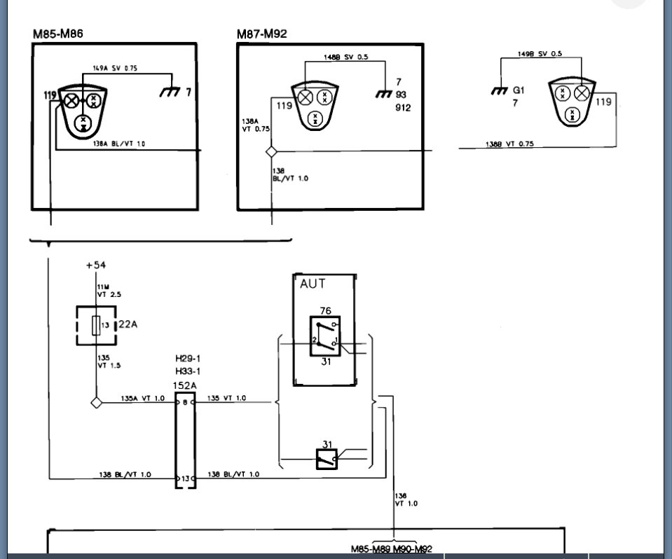
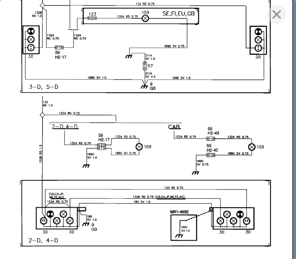
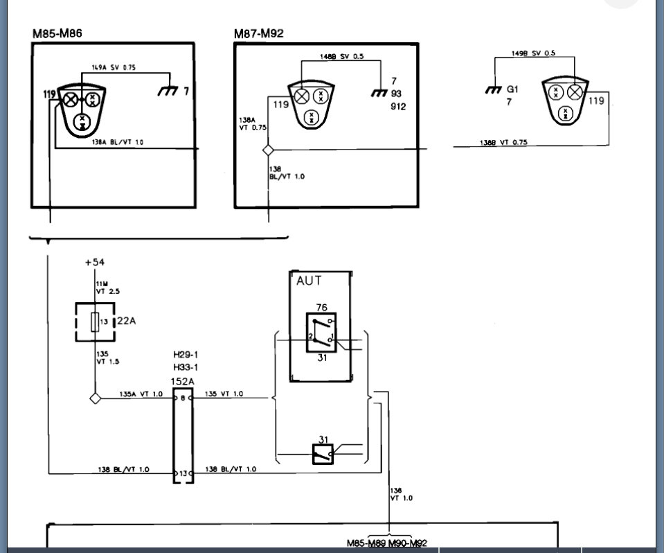
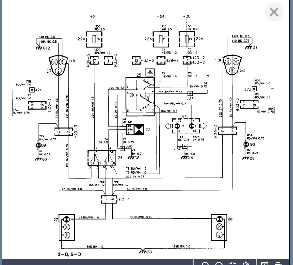
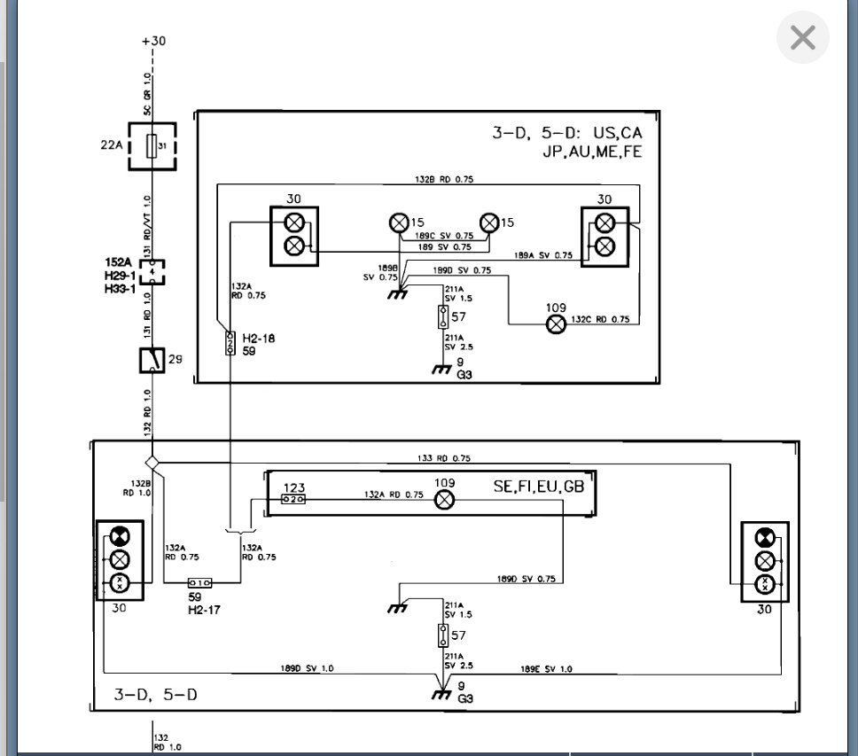
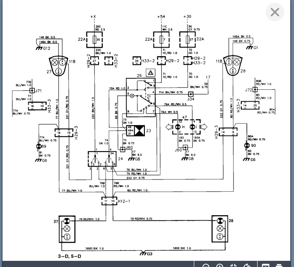
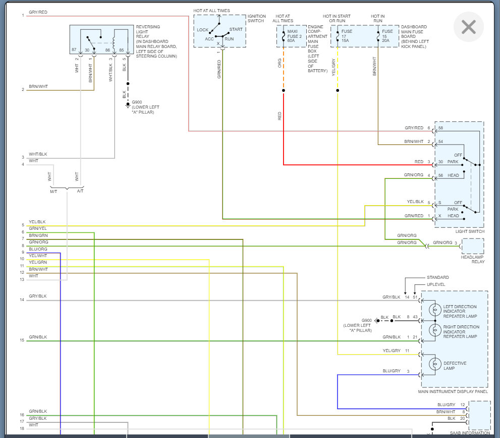
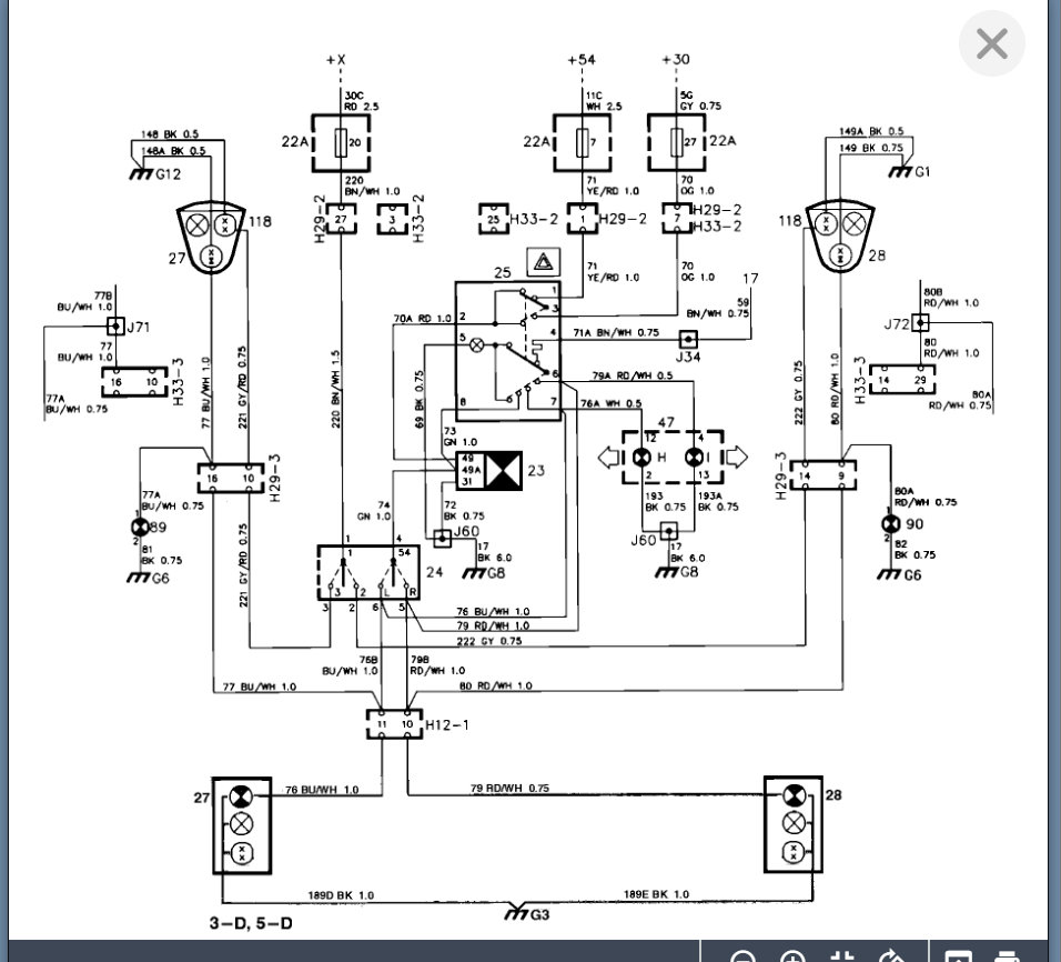
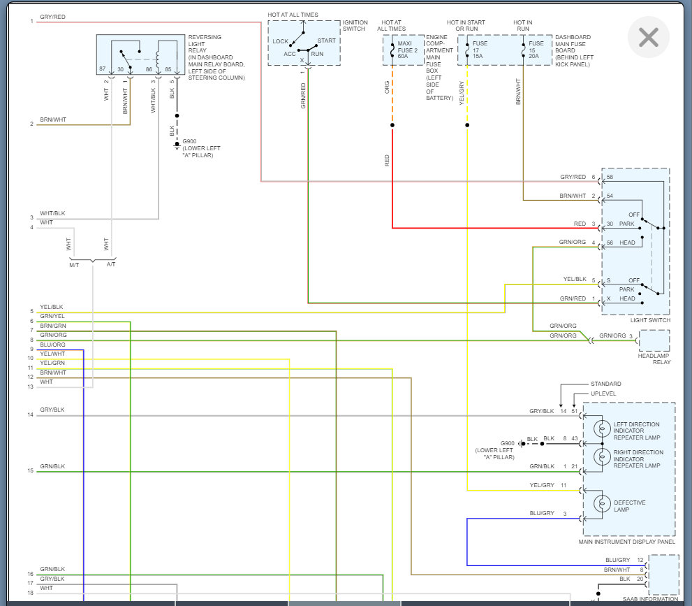
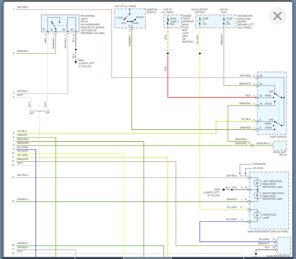
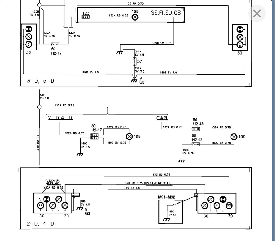
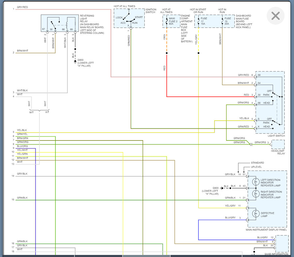
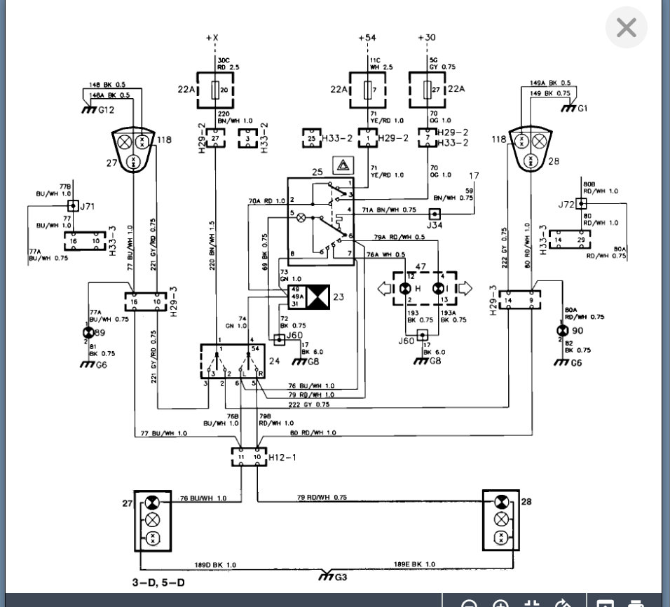
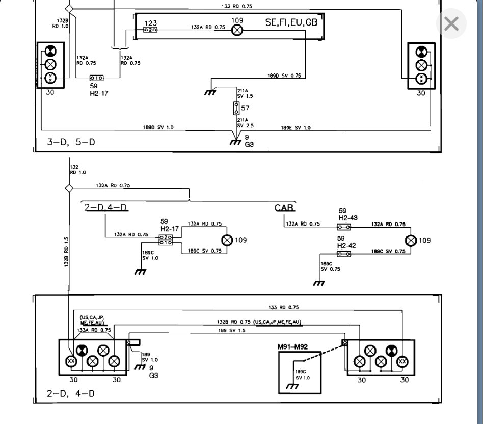
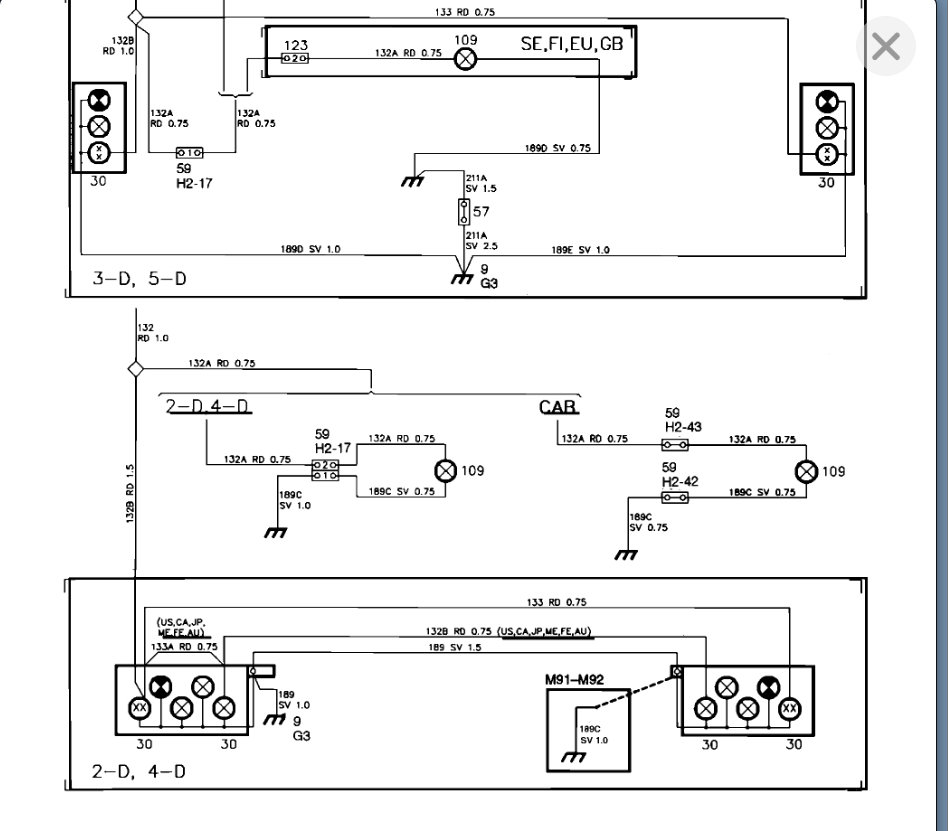
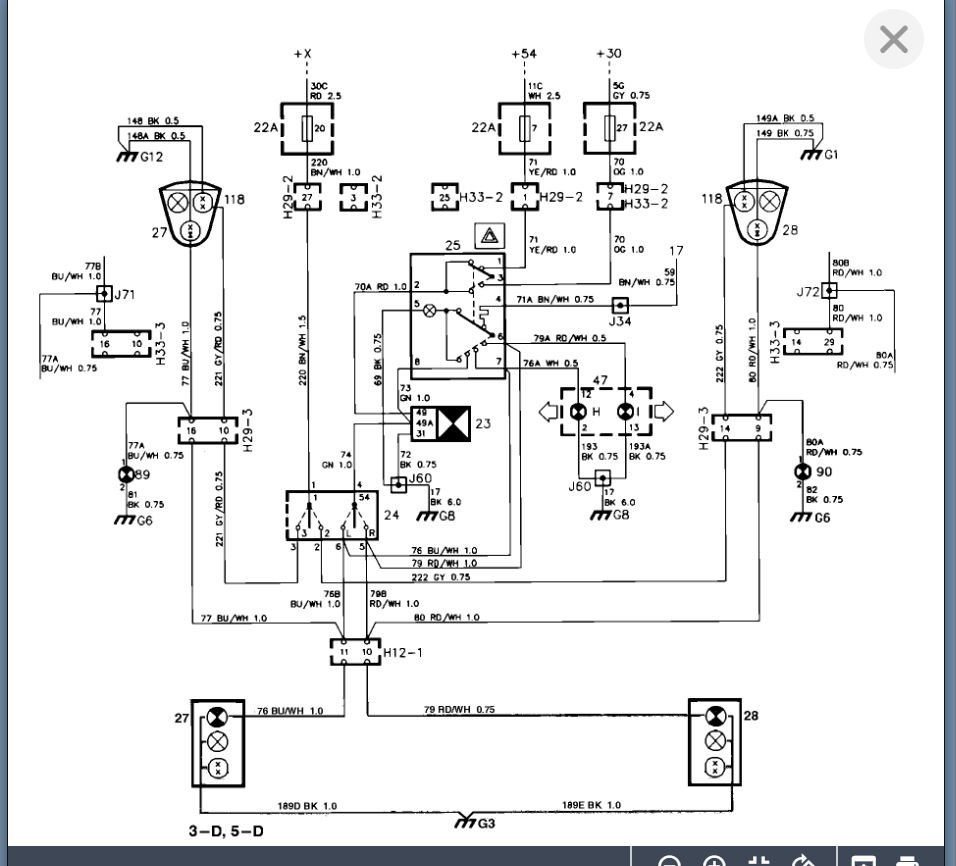
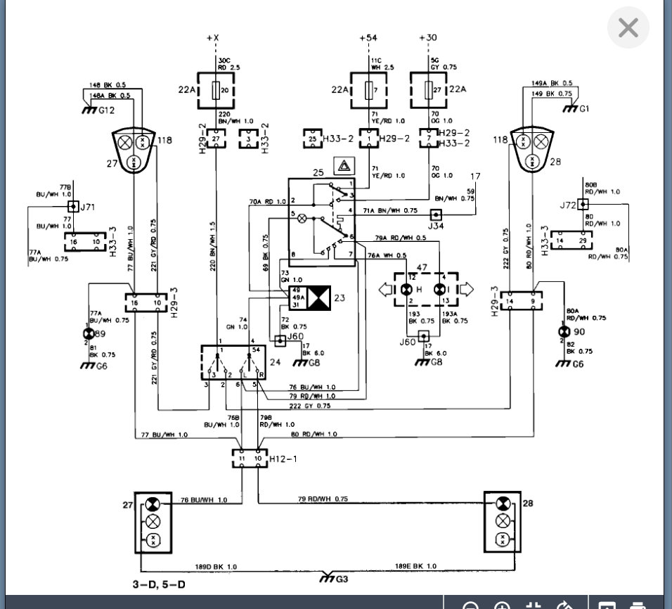
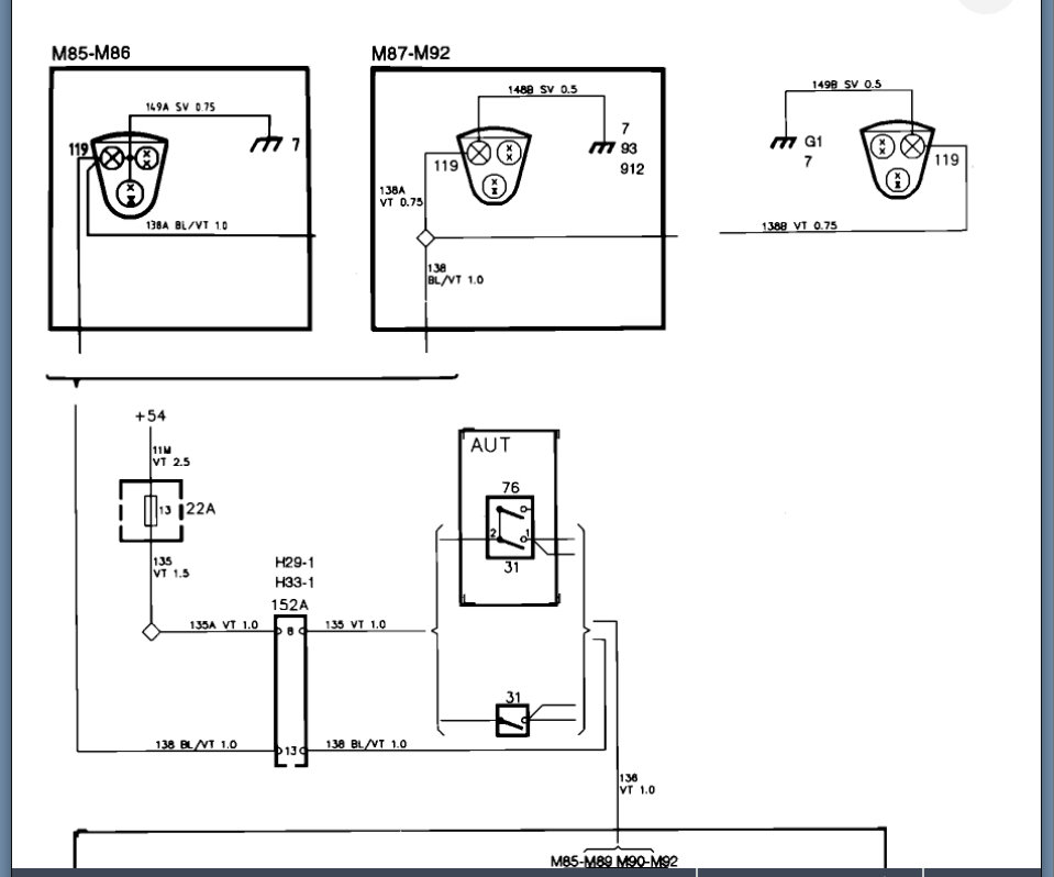
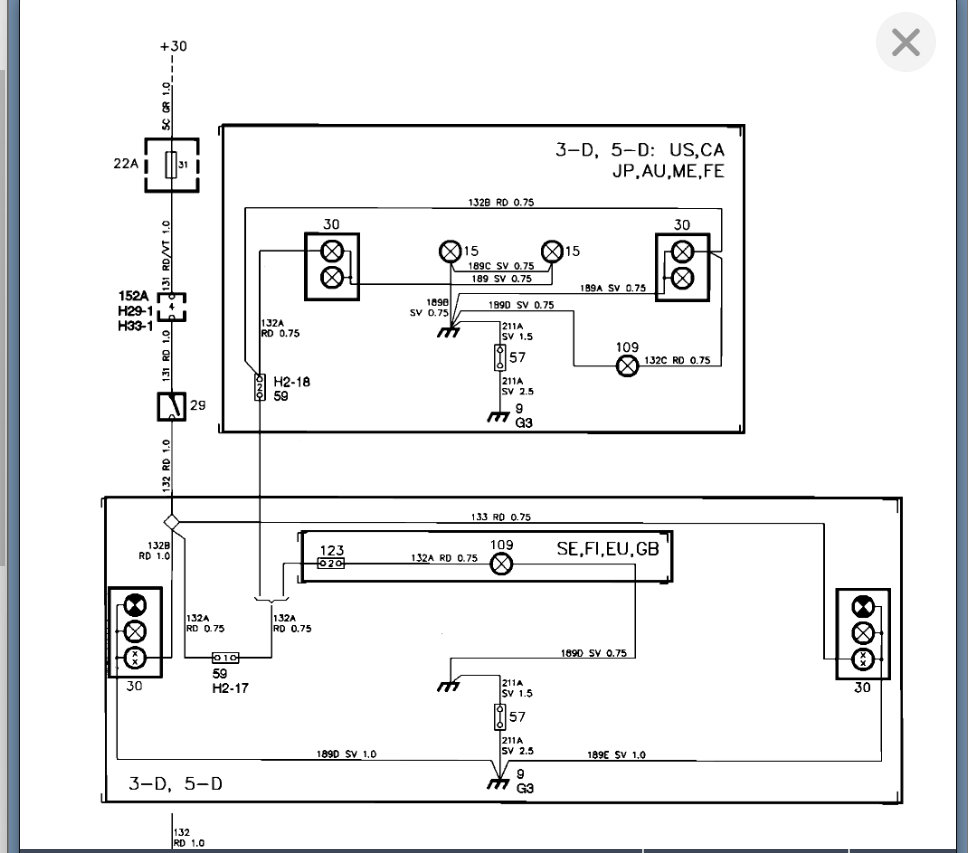
I understand. The wiring diagrams for this vehicle are not that great from the OEM. The aftermarket are much better but unfortunately, they do not have diagrams for the lighting system in the aftermarket ones.

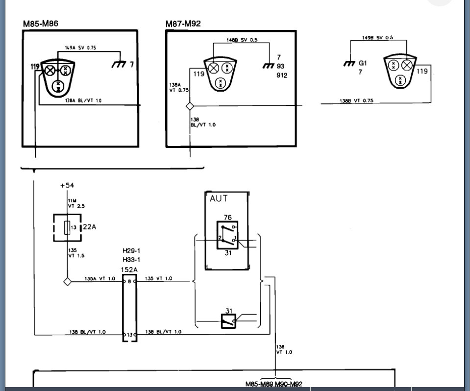
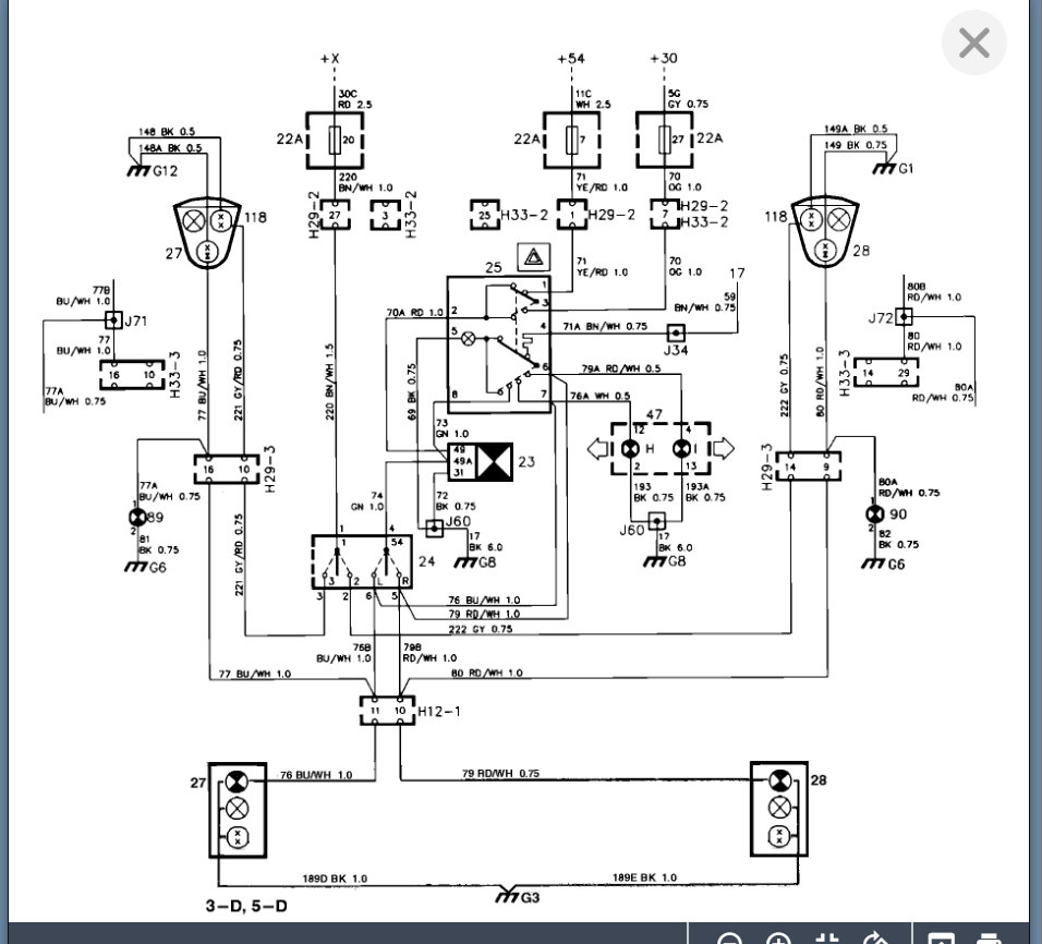
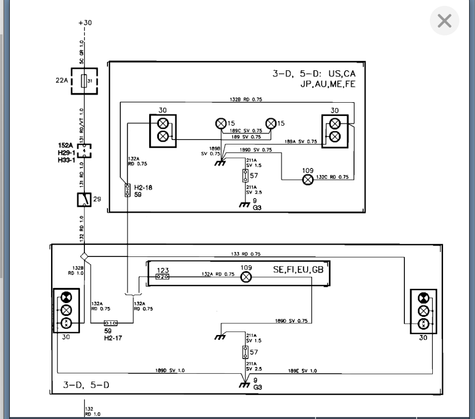
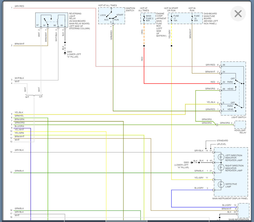
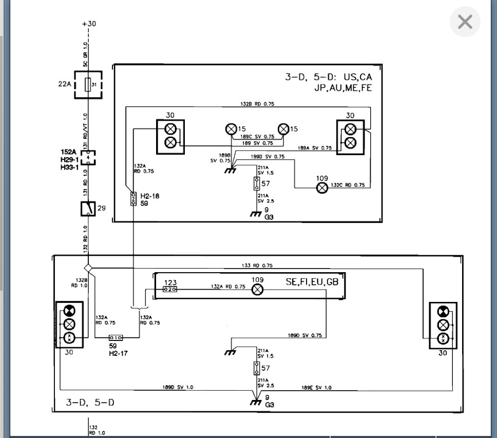
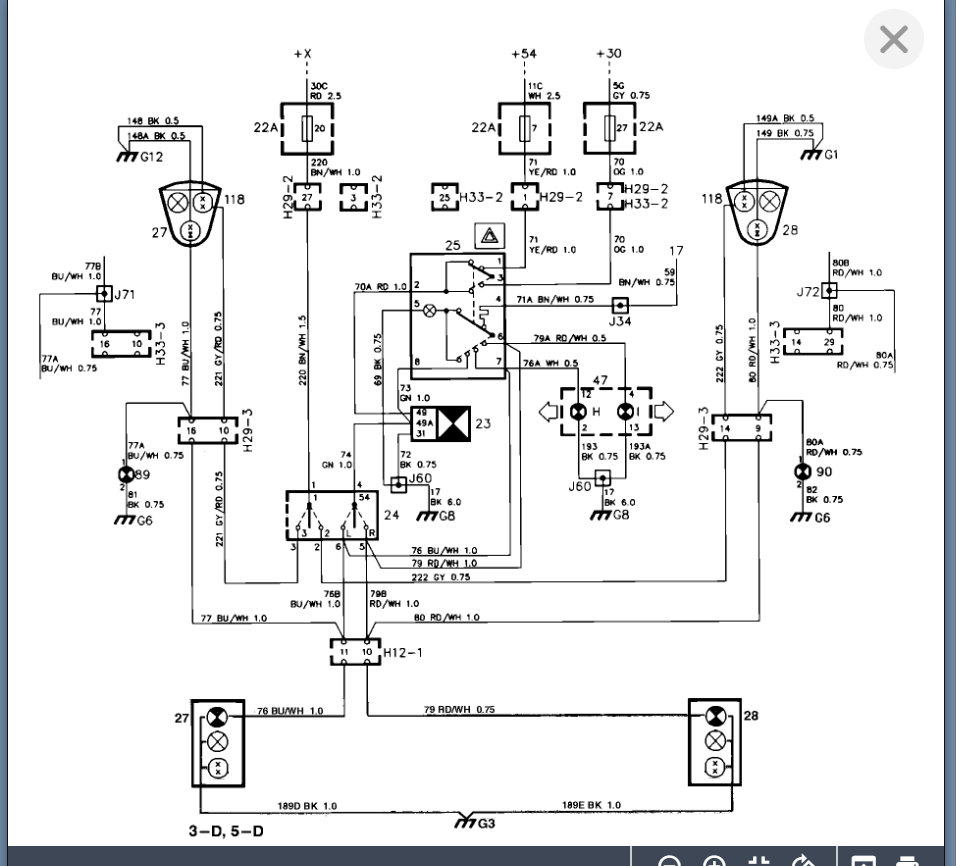
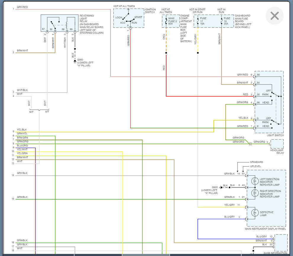
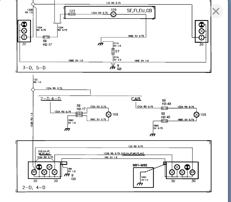
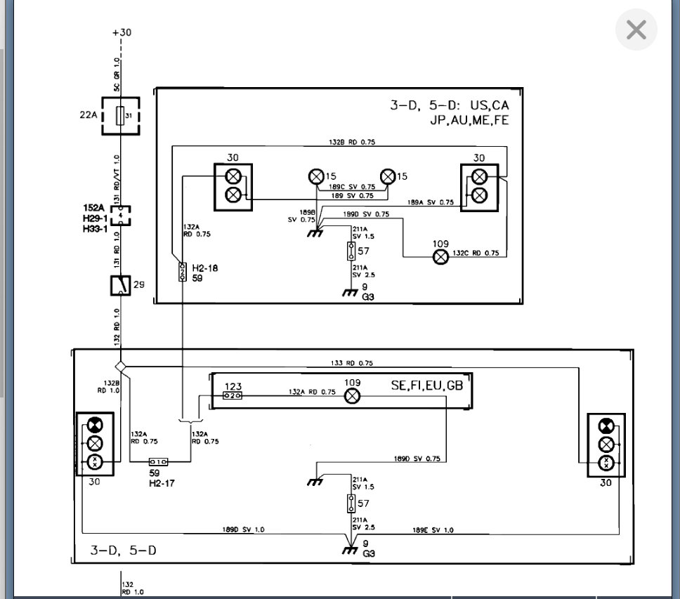
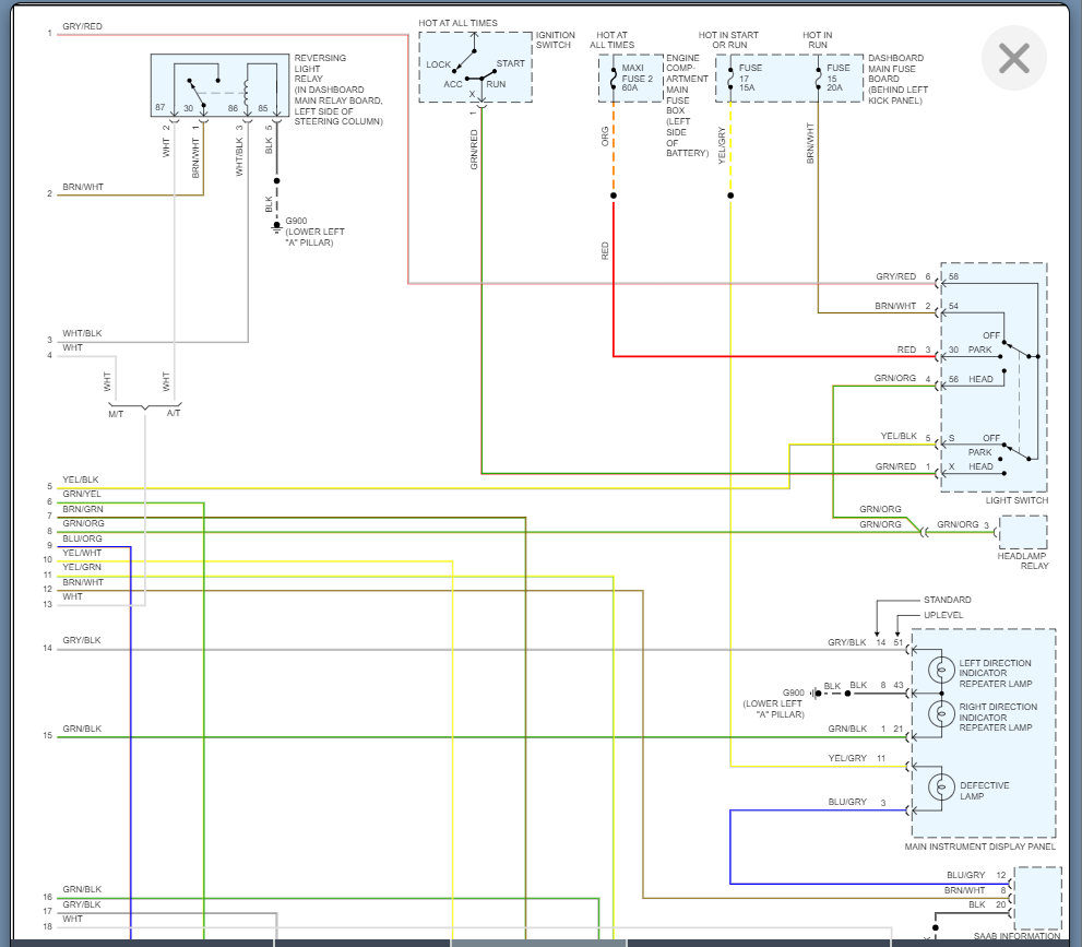
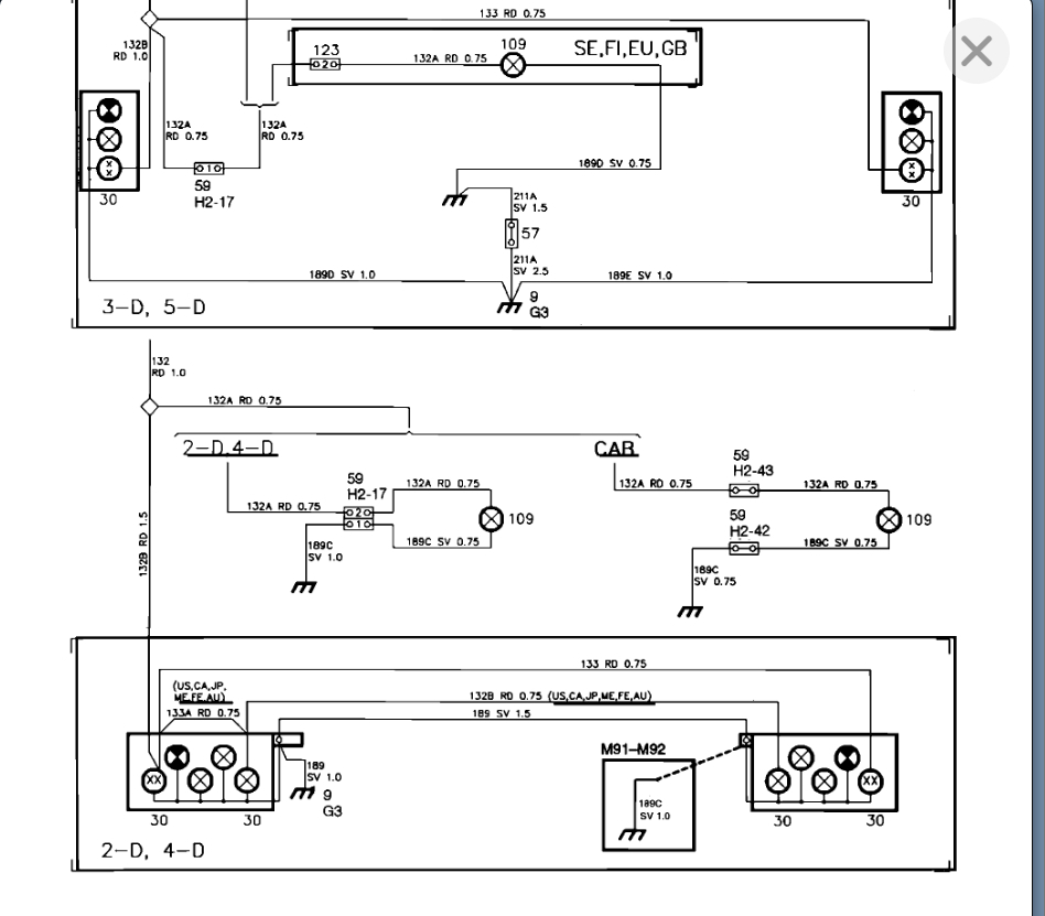
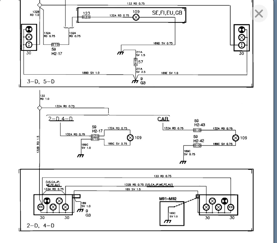
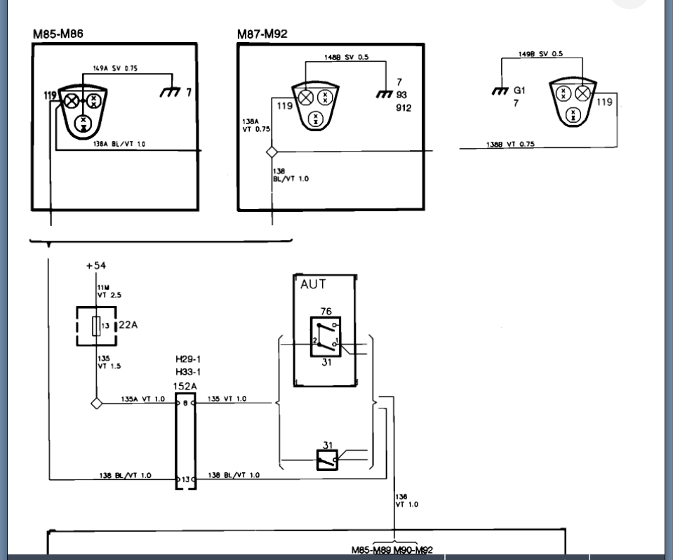
So, I am attaching the separate systems below because they don't have one diagram for all the lights in the taillights.

The first 2 attachments are back up lamps.

Second 2 are brake lamps.

The last 2 are the turn signals.

https://www.2carpros.com/articles/how-to-check-wiring

https://www.2carpros.com/articles/how-to-use-a-voltmeter

Please see the attached and let us know if you have other questions. Thanks
Was this
answer
helpful?
Yes
No
+1
Monday, May 16th, 2022 AT 11:57 AM
Tiny
JOHAN JANSSEN
  • MEMBER
  • 4 POSTS
Will work on it later in the week, Many thanks to you Kenny.

Johan Janssen
Was this
answer
helpful?
Yes
No
Monday, May 16th, 2022 AT 1:36 PM
Tiny
JOHAN JANSSEN
  • MEMBER
  • 4 POSTS
Yes, having a full diagram of the wiring in the rear of the taillight would have been very useful. :)
Was this
answer
helpful?
Yes
No
Monday, May 16th, 2022 AT 1:38 PM
Tiny
KASEKENNY
  • MECHANIC
  • 18,907 POSTS
Haha. Totally agree.

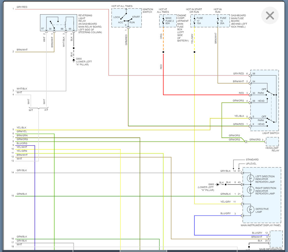
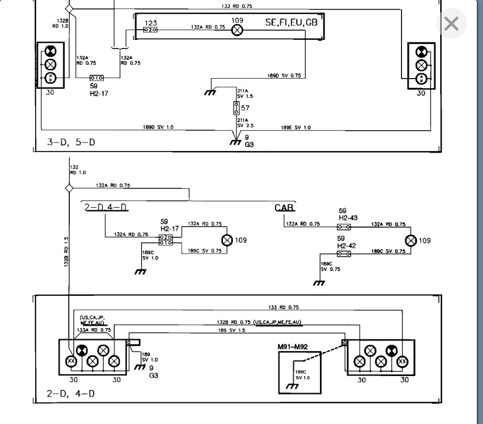
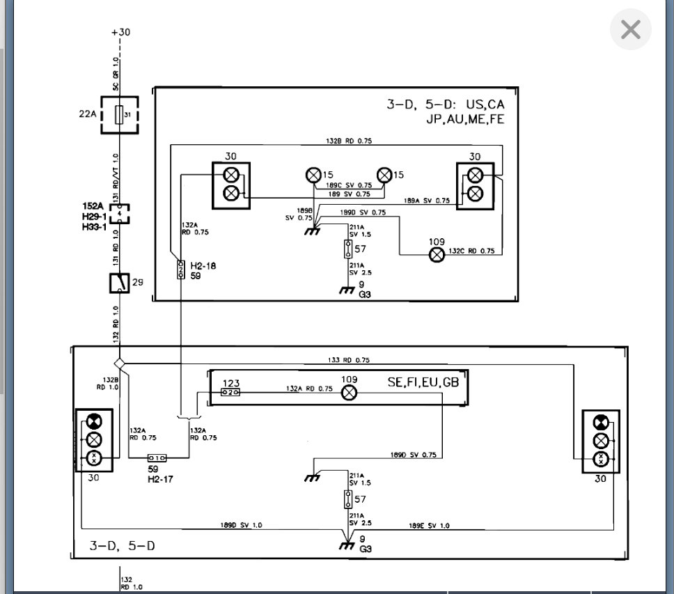
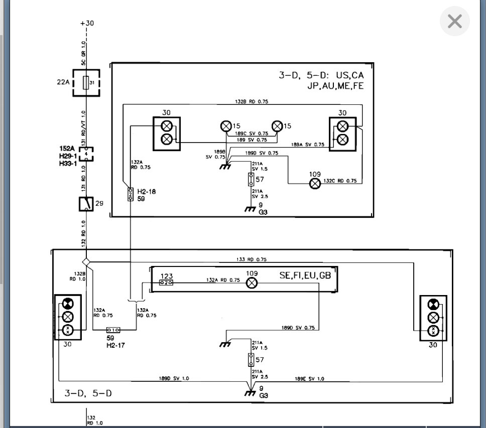
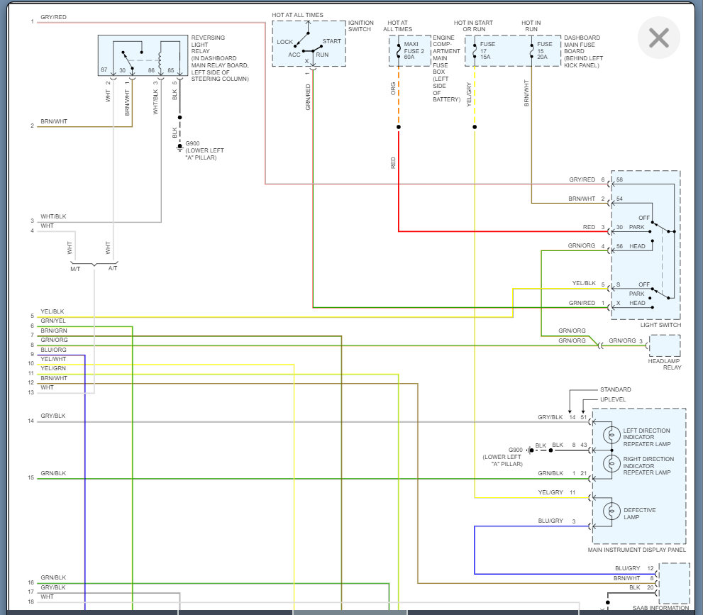
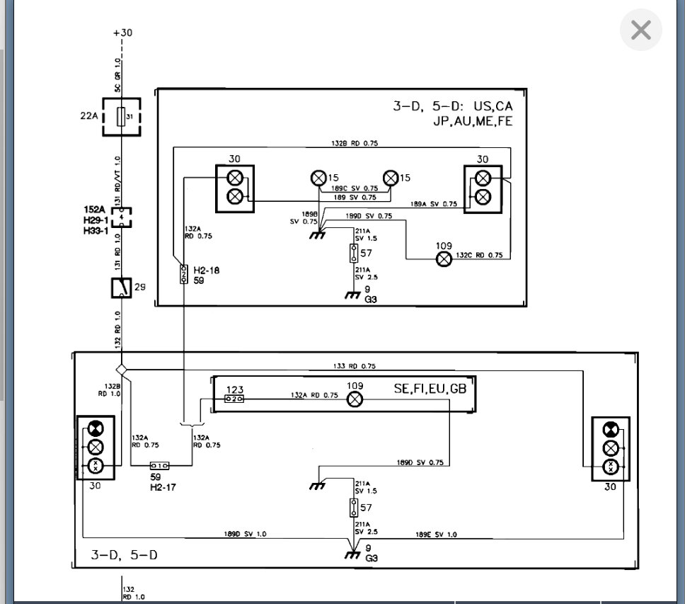
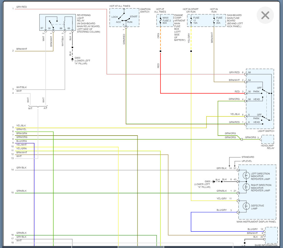
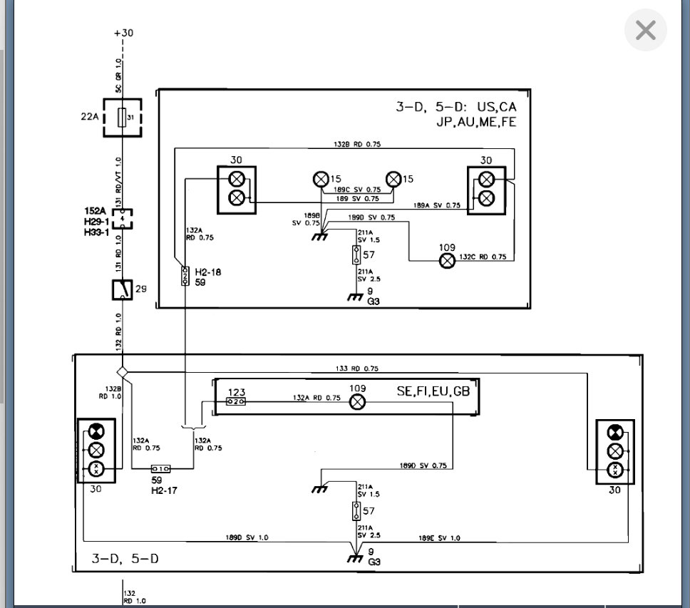
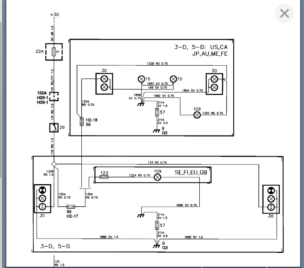
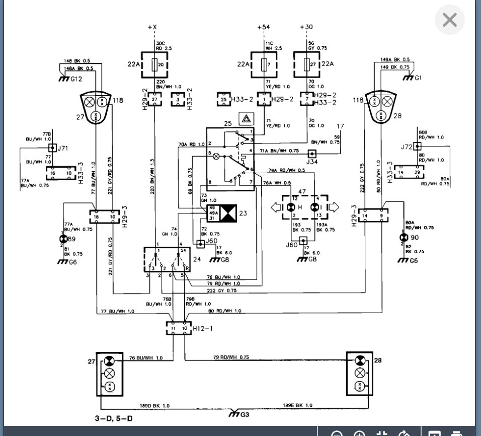
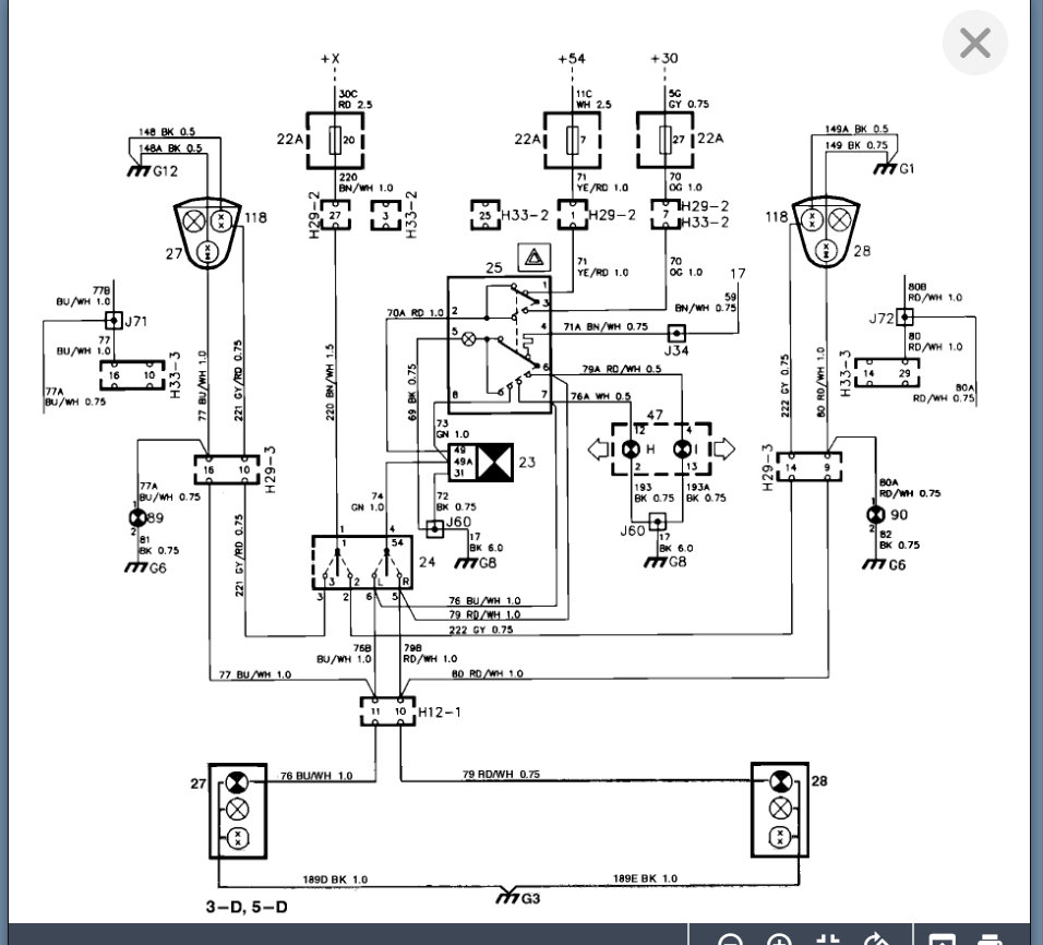
I just had a thought; I am not sure this will work but I jumped up to the newest 900 that there is and in 1998 the OEM released the wiring diagram below.

I cannot guarantee that this is going to be the same, but these are far easier to read so I hope it matches what you have on your vehicle.

The wire colors may be different but if there are the same number of wires for each component then it should be the same arrangement.
Was this
answer
helpful?
Yes
No
Monday, May 16th, 2022 AT 2:27 PM
Tiny
JOHAN JANSSEN
  • MEMBER
  • 4 POSTS
Hello Kenny,

Unfortunately, this is when GM took over and everything changed. I have been able to get it back together with some images I found. However, the Left rear lights still all black when indicator and brake at the same time. It I the furthest away point from the switches. So, wondering if it could be a small brake in the power feed wire or bad earth as they use 1 bfo both lights.
Was this
answer
helpful?
Yes
No
Tuesday, May 17th, 2022 AT 9:11 PM
Tiny
KASEKENNY
  • MECHANIC
  • 18,907 POSTS
Yes, to both. It could be either of these so I would suggest starting with taking the ground wire and running it to a good ground location.

Next if that does not solve it then I would run a power wire and do what is called overlaying the circuit. Basically, this is where you take a new wire and replace the existing wire to make sure there are no breaks in it.

Here is a video that will show the best ways to splice wiring together:

https://www.youtube.com/watch?v=PxA5wczsCVo

Thanks
Was this
answer
helpful?
Yes
No
Wednesday, May 18th, 2022 AT 9:27 AM

Please login or register to post a reply.